| 
  
				 — A - грязесъёмная манжета; | Цилиндры двустороннего действия HC2A*, HC2B*, HC2C*, HC2D*, HC2F*, HC2G*, ... изготовлены в соответствии с ISO 6020/2 (издание 1991) и DIN 24554. Компактная конструкция квадратных крышек со стяжными шпильками, наряду с применением высококачественных материалов и уплотнений, обеспечивает высокую надежность данных цилиндров, поэтому гидроцилиндры HC2A*, HC2B*, HC2C*, HC2D*, HC2F*, HC2G*, ... рекомендуются для всех областей промышленного применения. В настоящее время доступно исполнение данных гидроцилиндров согласно стандарту ATEX 94/9/CE, что позволяет устанавливать и эксплуатировать их в потенциально взрывоопасных средах. Стандартная версия цилиндра классифицируется по ATEX II 2GD, а цилиндры в исполнении с индуктивными датчиками классифицируются по стандарту ATEX II 3GD. Сертификат подтверждающий соответствие указанным стандартам всегда прикладывается к поставляемому цилиндру. По требованию заказчика на передней и/или задней крышках гидроцилиндров HC2* могут быть установлены демпфирующие устройства регулируемого типа, без изменения габаритных размеров. Особая конструкция демпферов обеспечивает оптимальную стабильность торможения также и в случае колебания вязкости жидкости. Использование демпфирующих устройств рекомендуется всегда, поскольку они обеспечивают безударную остановку даже на высокой скорости, снижая таким образом перепады давления, а также силу толчка, передаваемого на опоры. Для всех представленных диаметров гильзы регулировка демпфера производится при помощи игольчатого дросселя. Быстрое страгивание поршня гарантируется при помощи байпасных клапанов, расположенных внутри конуса переднего демпфера и втулки заднего демпфера. По требованию заказчика на крышках гидроцилиндры HC2* могут быть установлены сапуны для удаления воздуха. Это необходимо, когда полный ход не используется, либо когда соединения не направлены вверх. Гидроцилиндры HC2* поставляются окрашенными непрозрачной черной фирмернойкраской, толщина слоя краски составляет 40 мкм. Шток хромированный. К гидроцилиндрам HC2* поставляются ремкомплекты SK/HC2*, индуктивные датчики FMR, FMH, FP, элементы крепления и монтажа. | 
Основные параметры гидроцилиндров HC2A*, HC2B*, HC2C*, HC2D*, HC2F*, HC2G*, ...
| Номинальное рабочее давление (непрерывный режим работы) | бар | 160 | 
| Максимальное рабочее давление | бар | 210 | 
| Пиковое давление | бар | 250 | 
| Максимальная скорость (стандартная) | м/с | 0,5 | 
| Максимальный ход (стандартный) | мм | 5000 | 
| Диапазон температур жидкости (стандартный) | °C | -20 ... +80 | 
| Диапазон вязкости рабочей жидкости | сСт | 10 ÷ 400 | 
| Класс чистоты рабочей жидкости | - | Класс 20/18/15 по ISO 4406:1999 | 
| Коэффициент безопасности по отношению к номинальному давлению | - | >4 | 
| Рекомендуемая вязкость | сСт | 25 | 
Обозначение гидроцилиндров HC2A*, HC2B*, HC2C*, HC2D*, HC2F*, HC2G*, ...
| HC2 | A-FMR | - | 63/36*/** | - | 0320 | - | K3-0 | - | 11/2/20 | ||
| 
 11 = расположение отверстий на передний и задней крышке (стандартное)/ 2 = число усиливающих проставок толщиной 50 мм (пропустить, если не требуется) / 20 = серия. | |||||||||||
|   | |||||||||||
| 
 Уплотнения: K = стандартное (нитрил + полиуретан); M = с низким трением (нитрил + ПТФЭ); V = высокотемпературное (вайтон + ПТФЭ). Демпферы: 0 = без демпферов; 1 = передний демпфер; 2 = задний демпфер; 3 = передний и задний демпферы. Сапуны: 0 = без сапунов; S = сапуны на передней и задней крышке. | |||||||||||
|   | |||||||||||
| 
 320 = ход в мм
			 | |||||||||||
|   | |||||||||||
| 
 63/36 = диаметр гильзы / диаметр штока в мм. Резьба на штоке: без обознач.(*) = стандартная резьба; W = внутренняя резьба; X = легкая наружная резьба; Y = легкая внутренняя резьба. * = двухсторонний шток (пропустить, если не требуется) см. односторонний шток, невозможно при исполнении крепления C-D-F; * = резьба двухстороннего штока (пропустить, если не требуется) см. односторонний шток. | |||||||||||
|   | |||||||||||
| 
 Способ монтажа: A = передний фланец; B = задний фланец; C = задняя вилка; D = проушина; F = проушина со сферическим наконечником; G = лапы; H,L,N = цапфы на передней крышке (H), на промежуточной опоре (L), на задней крышке (N); P,Q,R = стяжные шпильки передние (P), задние (Q), передние и задние (R); T = отверстия в передней крышке; U = отверстия в задней крышке. Магнитные датчики: без обознач. = без датчиков (стандарт); FMR = герконовые датчики с двух сторон; FMH = датчики Холла с двух сторон; FP22 = встроенные магнитные датчики с указанием расположения на цилиндре | |||||||||||
|   | |||||||||||
| 
 HC2 = Гидроцилиндры двустороннего действия в соответствии с ISO 6020/2 (издание 1991) и DIN 24554
			 | |||||||||||
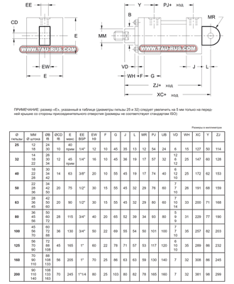
Размеры гидроцилиндров HC2A*, HC2B*, HC2C*, HC2D*, HC2F*, ...
|  Резьба штока гидроцилиндров HC2* 
 Резьба штока гидроцилиндров HC2*
			 |  Гидроцилиндры HC2A* (передний фланец) 
 Гидроцилиндры HC2A* (передний фланец)
			 |  Гидроцилиндры HC2B* (задний фланец) 
 Гидроцилиндры HC2B* (задний фланец)
			 | 
|  Гидроцилиндры HC2C* (задняя вилка) ISO MP1 
 Гидроцилиндры HC2C* (задняя вилка)
			 |  Гидроцилиндры HC2D* (проушина) ISO MP3 
 Гидроцилиндры HC2D* (проушина)
			 |  Гидроцилиндры HC2F* (проушина шарнирная) 
 Гидроцилиндры HC2F* (проушина шарнирная)
			 | 
		 — Примеры для заказов:
 HC2A-FP22-63/28-0130-K3-0-11/20 - Гидроцилиндр 63/28мм, ход 130мм, передний фланец, демпферы, индуктивные датчики
 HC2A-80/36W-0040-K0-S-11/20 - Гидроцилиндр, 80/36мм, ход 40мм, передний фланец, сапуны, внутр. резьба на штоке
 HC2A-160/110W-0045-K0-0-11/20 - Гидроцилиндр, 160/110, ход 45, передний фланец, внутренняя резьба на штоке
 HC2A-100/70-0130-K3-S-11/20 - Гидроцилиндр, 100/70мм, ход 130мм, передний фланец, демпферы, сапун
 HC2B-160/90Y-0240-K0-S-22/20 - Гидроцилиндр, 160/90мм, ход 240мм, демпферы, сапуны, задний фланец, легкая внутренняя резьба
 HC2B-50/28-0300-K0-0-11/20 - Гидроцилиндр, 50/28мм, ход 300мм, задний фланец
 HC2B-160/110-0365-K3-S-11/20 /SP_Cil.6020/2 A3160V0365PZ14/C - Гидроцилиндр, 160/110мм, ход 365мм, задний фланец
 HC2B-FMR-50/36-0200-V3-S-11/20 - Гидроцилиндр, 50/36мм, ход 200мм, задний фланец, герконовый датчик, демпферы, сапуны, Viton
 HC2C-63/36-0175-K3-0-11/20 - Гидроцилиндр с задней вилкой,63/36мм, ход 175мм, сапуны
 HC2C-100/56-0200-K0-0-11/20 - Гидроцилиндр, 100/56мм, ход 200мм, задняя вилка
 HC2C-100/45W-0100-K0-0-11/20 - Гидроцилиндр, 100/45мм, ход 100мм, задняя вилка, внутренняя резьба на штоке
 HC2C-125/56-0800-K0-0-11/20 - Гидроцилиндр, 125/56 мм, ход 800 мм, задняя вилка
 HC2C-FMH22-100/45-0153-K0-S-11/20 - Гидроцилиндр, 100/45мм, ход 153мм, задняя вилка, сапуны, герконовые датчики
 HC2D-FP22-100/70-0250-K3-0-11/20 - Гидроцилиндр, 100/70мм, ход 250мм, демпферы, проушина, датчики завершения хода
 HC2D-80/45-0630-K2-0-22/20_050306063010712400 - Гидроцилиндр, 80/45мм, ход 630мм, задняя проушина, задний демпфер
 HC2D-25/18X-0080-K3-0-11/20 - Гидроцилиндр, 25/18мм, ход 80мм, демпферы, проушина
 HC2D-50/36-0600-K0-0-11/20 - Гидроцилиндр, 50/36мм, ход 600мм, проушина
 HC2F-63/28-0160-K1-0-11/20 - Гидроцилиндр, 63/28мм, ход 160мм, сферический шарнир, демпфер
 HC2F-FMR-50/28-0100-K3-0-11/20 - Гидроцилиндр, 50/28мм, ход 100мм, проушина со сферическим шарниром, демпферы, магнит, два герконовых датчика со скобами
 HC2F-63/45X-1650-K3-S-22/2/20 - Гидроцилиндр, 63/45мм, ход 1650мм, демпферы, сапуны, 2 усиливающих проставки, сферический шарнир
 HC2F-63/45-0560-K0-S-11/20 - Гидроцилиндр, 63/45мм, ход 560мм, сапуны, сферический шарнир
 HC2G-32/22-1500-K0-0-11/1/20 - Гидроцилиндр, 32/22мм, ход 1500мм, лапы, усиливающая проставка
 HC2G-FMR-50/28-0070-K0-0-11/20 - Гидроцилиндр, 50/28мм, ход 70мм, лапы, 2 герконовых датчика
 HC2G-40/28-1750-K3-S-22/2/20 - Гидроцилиндр, 40/28мм, ход 1750мм, лапы, демпфер, сапуны, 2-е проставки
 HC2G-80/56-2300-K3-S-11/3/20 - Гидроцилиндр, 80/56, ход 2300, лапы, демпф., сапуны
	
