Описание гидрораспределителей 1Р323; 1Р322; 2Р323; 2Р322
Гидрораспределители 1Р323, 1Р322, 2Р323, 2Р322 с условным проходом 32 мм золотниковые четырехлинейные с электрогидравлическим управлением предназначены для изменения направления или пуска и остановки потока рабочей жидкости в гидросистемах.
Гидрораспределители 1Р323АЕ, 1Р323АЛ, 1Р323БЕ, 1Р323БЛ по ТУ2-053-1846-87 на номинальное давлении 32 МПа и гидрораспределители 1Р322АЕ, 1Р322АЛ, 1Р322БЕ, 1Р322БЛ на 20 МПа имеют электрогидравлическое управление (литера "А" обозначает пружинный возврат золотника, "Б" - гидравлический возврат золотника; смотреть условное обозначение гидрораспределителей 1Р323АЕ, 1Р323АЛ, 1Р323БЕ, 1Р323БЛ). Гидрораспределители IP323, IP322 конструктивно состоят из корпуса, золотника, крышек, пружин и пилотов с Dy = 6 мм.
Гидрораспределители 2Р323АЕ, 2Р323АЛ, 2Р323БЕ, 2Р323БЛ на номинальное давлении 32 МПа и гидрораспределители 2Р322АЕ, 2Р322АЛ, 2Р322БЕ, 2Р322БЛ на 20 МПа имеют также электрогидравлическое управление. Конструкция гидрораспределителей 2P323, 2P322 аналогична конструкции 1P323, 1P322, только пилоты Dy = 10 мм.
В корпусе гидрораспределителя Ду=32 мм методом литья выполнены каналы для подключения основных линий (Р, Т, А и В - смотри чертёж присоединительных размеров ниже), линий управления (Х- подвод, Y- слив) и дренажной линии L (только для трехпозиционных распределителей с гидравлическим центрированием). Основные линии связаны с пятью кольцевыми канавками через отверстия под золотник, при этом сливные канавки в четырехлинейных аппаратах соединены между собой, а в пятилинейных - выведены отдельно (линии Г и Г1). Линии X и Y могут объединяться с линиями Р и Т.
Соединение линий Х-Р в гидрораспределителях 1Р323, 1Р322, 2Р323, 2Р322 возможно только при давлении на входе гидрораспределителя не более чем 25 МПа, в противном случае необходимо применять клапан соотношения давлений (модульная плитка толщиной 25 мм), который снижает давление управления, и оговаривать при заказе рабочее давление на входе 32 МПа. При соединенных линиях Х-Р для гидрораспределителей 14, 54, 64, 64А, 104, 124, 154, 574, 574Д, 15, 55, 65, 65А и 574 исполнений по гидросхемам, подпор в сливной линии должен быть меньше чем 1,4 МПа.
Не допускается соединение линий Y-T при давлении в линии Т более 6 МПа, а также для схем, указанных выше, при объединенных линиях Х-Р (если линии X н Р не объединены, давление управления должно превышать давление в линии Т не менее, чем на 1,4 МПа) Для объединения линий управления с основными следует демонтировать пробки (К1/8).
Для уплотнения стыковой плоскости гидрораспределителей 1Р323-АЕ, 1Р323-АЛ, 1Р323-БЕ, 1Р323-БЛ применяются кольца по ГОСТ 9833-73:
039-045-36-2-2 (четыре кольца);
013-016-19-2-2 (три кольца).
Краткая техническая характеристика гидрораспределителей 1Р323, 1Р322, 2Р323, 2Р322
|
Наименование |
Кол-во эл/магнитов |
Условный проход, мм |
Ном. давление на входе, МПа |
Расход рабочей жидкости, л/мин |
Схема возврата золотника |
Масса не более, кг |
|
Гидрораспределитель 1Р323 АЛ |
2 |
32 |
32 |
500 |
Пружинный возврат золотника |
44,0 |
|
Гидрораспределитель 1Р323 АЕ |
1 |
39,7 |
||||
|
Гидрораспределитель 1Р323 БЛ |
2 |
Гидравлический возврат золотника |
44,0 |
|||
|
Гидрораспределитель 1Р322 БЕ |
1 |
39,7 |
||||
|
Гидрораспределитель 1Р322 АЛ |
2 |
20 |
Пружинный возврат золотника |
44,0 |
||
|
Гидрораспределитель 1Р322 АЕ |
1 |
39,7 |
||||
|
Гидрораспределитель 1Р322 БЛ |
2 |
Гидравлический возврат золотника |
44,0 |
|||
|
Гидрораспределитель 2Р323 БЕ |
1 |
39,7 |
||||
|
Гидрораспределитель 2Р323 АЛ |
2 |
32 |
330-500 |
Пружинный возврат золотника |
47,0 |
|
|
Гидрораспределитель 2Р323 АЕ |
1 |
46,6 |
||||
|
Гидрораспределитель 2Р323 БЛ |
2 |
Гидравлический возврат золотника |
47,0 |
|||
|
Гидрораспределитель 2Р323 БЕ |
1 |
46,6 |
||||
|
Гидрораспределитель2Р322 АЛ |
2 |
20 |
Пружинный возврат золотника |
47,0 |
||
|
Гидрораспределитель 2Р322 АЕ |
1 |
46,6 |
||||
|
Гидрораспределитель 2Р322 БЛ |
2 |
Гидравлический возврат золотника |
47,0 |
|||
|
Гидрораспределитель 2Р322 БЕ |
1 |
46,6 |
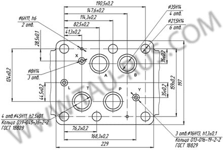
Габаритные и присоединительные размеры гидрораспределителей 1Р323АЛ, 1Р323БЛ, 1Р323АЕ, 1Р323БЕ
Габаритные размеры гидрораспределителей 1Р323АЕ, 1Р323АЛ, 1Р323БЕ, 1Р323БЛ
Примечание:
- гидрораспределители 1р323ае, 1р323бе несколько отличаются по габаритам от приведённого выше чертежа гидрораспределителя 1р323ал, 1р323бл в связи с тем, что пилотный клапан у 1р323ае, 1р323бе - одномагнитный.

Присоединительные размеры гидрораспределителя 1Р323АЕ, 1Р323АЛ, 1Р323БЕ, 1Р323БЛ
|
Размер |
Значение, мм |
|
L |
375 |
|
L1 |
183 |
|
L2 |
76,2 |
|
L3 |
114,3 |
|
L4 |
190,5 |
|
L5 |
19,2 |
|
В |
197 |
|
В1 |
159 |
|
H |
280 |
|
H1 |
155 |
|
H2 |
60 |
|
H3 |
44 |
|
d |
21,5 |
- отверстие L (слив утечек) - для исполнения с гидравлическим возвратом золотника;
- отверстие X - кроме гидрораспределителей с непосредственным управлением;
- отверстие Y - дренаж для исполнения 1Рн...
Схемы распределения потоков рабочей жидкостей в 1Р323, 1Р322, 2Р323, 2Р322 (Ду=32мм)
Гидрораспределитель 1Р323АЛ4Д.44-Р-Г24 НМД1 10 УХЛ4.
Другие исполнения гидрораспределителей 1Р323:
Гидрораспределитель 1Р323 АЕ1.574А-Р-В110 НМД1 11 УХЛ4
Гидрораспределитель 1Р323-АЛ1-44-В110 Н МД1 УХЛ4
Гидрораспределитель 1Р323АЛ4Д-44 В110 НМД1 УХЛ4
Гидрораспределитель 1Р323-БЕ1-574А В110 НМД1 УХЛ4
Гидрораспределитель 1Р323БЕ1.574-Р-В110 НМД1 11 УХЛ4
Гидрораспределитель 1Р323 БЛ1-64 В220 НМД1 УХЛ4
Гидрораспределитель 1Р323-АЛ4Д-44-В220 НМД1 УХЛ4
Гидрораспределитель 1Р323АЛ2.64 Г24НМ УХЛ4
Гидрораспределитель 1Р323АЛ4Д.44-Р-В110НМ УХЛ4
Гидрораспределитель 1Р323-АЕ1-574-В220 НМД1 УХЛ4.
Также возможны поставки гидрораспределителей 1Р322АЛ, 1Р322АЕ, 1Р322БЛ, 1Р322БЕ, 2Р322АЛ, 2Р322АЕ, 2Р322БЛ, 2Р322БЕ, 2Р323АЛ, 2Р323АЕ, 2Р323БЛ, 2Р323БЕ.
За консультацией по подбору обращайтесь к нашим менеджерам по телефонам, указанным в разделе Контакты.
С этим товаром покупают
ВЕ6 - Пилотный гидрораспределитель для 1Р323

Разъем DIN43650 LED - Разъем электрический со светодиодной индикацией по DIN43650


СЭ11-19 - Разъем электрический без светодиодной индикации по DIN43650
