Описание дроссельных питателей DPT
Дроссельные питатели DPT используются в системах централизованной подачи жидкой смазки. Их устанавливают на коллекторах с выходами на одну или две стороны, либо непосредственно в точках смазки. Для правильной работы питателей давление в системе должно быть не ниже 2 бар (0,2 МПа) и не выше 15 бар (1,5 МПа). Вязкость масла не должна превышать 500 сСт (мм²/с).
Дроссельные питатели DPT имеют обратный клапан для сдерживания противодавления в точках смазки во время паузы, фильтр во избежание попадания грязи в точки смазки и поршень с винтовой канавкой. При включении станции в системе нарастает давление и смазка выдавливается через винтовую канавку поршня. Количество смазки определяется размером поршня. Расход и направление потока указаны на корпусе питателя. Установка дополнительного фильтра в линии нагнетания рекомендуется.
Для соединения коллекторов главной магистрали используйте фитинги для трубок 4 мм и 6 мм, а для соединения питателей с вторичными магистралями - фитинги для трубок 4 мм.

Перечень питателей дроссельных DPT, поставляемых нашей компанией:
|
Наименование (код заказа) |
Маркировка |
Расход, см³/мин |
|
Питатель дроссельный DPT (02.004.0) |
0 |
0,085-0,115 |
|
Питатель дроссельный DPT (02.004.1) |
1 |
0,170-0,230 |
|
Питатель дроссельный DPT (02.004.2) |
2 |
0,340-0,460 |
|
Питатель дроссельный DPT (02.004.3) |
3 |
0,680-0,920 |
|
Питатель дроссельный DPT (02.004.4) |
4 |
1,360-1,840 |
|
Питатель дроссельный DPT (02.004.5) |
5 |
2,720-3,680 |
|
Питатель дроссельный DPT (02.004.6) |
6 |
5,440-7,360 |
|
Питатель дроссельный DPT (02.004.7) |
7 |
10,880-14,720 |
|
Питатель дроссельный DPT (02.004.8) |
8 |
21,760-29,440 |
|
Питатель дроссельный DPT (02.004.9) |
9 |
43,520-58,880 |
Расход дроссельных питателей DPT приведён для давления 7 бар и вязкости масла 65 сСт (мм²/с) при температуре 25 °С.
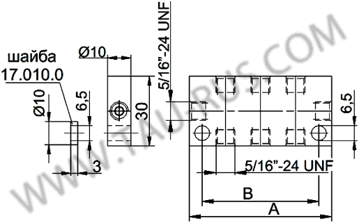
Габаритные и присоединительные размеры коллекторов для дроссельных питателей DPT

|
Наименование (код) |
Кол-во выходов |
А, мм |
B, мм |
|
Коллектор DPT (01.030.0) |
1 |
31 |
20 |
|
Коллектор DPT (01.040.0) |
2 |
46 |
35 |
|
Коллектор DPT (01.050.0) |
3 |
61 |
50 |
|
Коллектор DPT (01.060.0) |
4 |
76 |
65 |
|
Коллектор DPT (01.070.0) |
5 |
91 |
80 |
|
Коллектор DPT (01.080.0) |
6 |
106 |
95 |
|
Коллектор DPT (01.090.0) |
7 |
121 |
110 |
|
Коллектор DPT (01.100.0) |
8 |
136 |
125 |
|
Коллектор DPT (01.120.0) |
10 |
166 |
155 |

|
Наименование (код) |
Кол-во выходов |
А, мм |
B, мм |
|
Коллектор DPT (01.504.0) |
2 |
31 |
20 |
|
Коллектор DPT (01.506.0) |
4 |
46 |
35 |
|
Коллектор DPT (01.508.0) |
6 |
61 |
50 |
|
Коллектор DPT (01.510.0) |
8 |
76 |
65 |
|
Коллектор DPT (01.512.0) |
10 |
91 |
80 |
|
Коллектор DPT (01.514.0) |
12 |
106 |
95 |
Материал коллекторов для дроссельных питателей DPT - алюминий.