Краткое описание гидрораспределителей ВММ
Гидрораспределители ВММ – это ручные гидравлические распределители, предназначенные для изменения направления потока рабочей жидкости в гидросистемах. Они широко применяются в различных отраслях, включая промышленное оборудование (металлообрабатывающие станки, прессовые установки) и мобильную технику (сельскохозяйственные машины, спецтранспорт).
Преимущества гидрораспределителей ВММ
Гидрораспределители ВММ широко применяются в гидравлических системах благодаря своей надежности, простоте управления и универсальности. Их основные преимущества:- Простота конструкции и надежность
- Высокая износостойкость
- Гибкость в применении
- Удобство эксплуатации
- Широкий диапазон рабочих условий
- Универсальность монтажа
Устройство и принцип работы ВММ
Гидрораспределители с ручным управлением - компактные устройства, позволяющие вручную переключать направления потока рабочей жидкости в гидросистеме; их конструкция включает корпус (1) с подвижным золотником (2) и механизм управления (3). Исполнительный механизм может быть выполнен в двух вариантах: либо с рычагом (4) и одной или двумя пружинами (5), либо с рычагом (4) и фиксатором в сборе (6).Фиксатор в сборе обеспечивает удержание золотника в крайнем положении, в которое он был переведен оператором.
Структура условного обозначения ВММ
|
1 |
2 |
3 |
- |
4 |
5 |
|
В |
ММ |
6 |
44 |
Ф |
|
1 |
Тип устройства |
В = золотниковый гидрораспределитель |
|
2 |
Вид управления |
ММ = ручное |
|
3 |
Условный проход |
6 = 6 мм |
|
4 |
Схема распределения рабочей жидкости |
14, 24, 34, 44, 54, 64, 74,134, 573, 573Е, 574, 574А, 574Е |
|
5 |
Фиксация золотника |
Без обозначения = без фиксации |
|
Ф = с фиксацией золотника |
Технические характеристики ВММ
|
Параметр |
ВММ6 |
ВММ10 |
ВММ16 |
| Условный проход, мм |
6 |
10 |
16 |
| Давление нагнетания в линиях A, B, P, Мпа |
31,5 |
31,5 |
31,5 |
| Давление в линии T, Мп |
16 |
16 |
16 |
| Расход, л/мин: |
60 |
100 |
300 |
| Диапазон температур рабочей жидкости, ºС |
от -30 до +80 |
||
| Диапазон вязкостей жидкости, сСт |
25 ... 2320 |
||
| Допустимая степень загрязнения жидкости |
класс 20/18/15 по ISO 4406:1999 |
||
| Рабочая жидкость |
Рабочая жидкость на минеральной основе (HL, HLP) согласно DIN 51524; |
||
| Вес, кг |
1,5 |
4 |
9 |
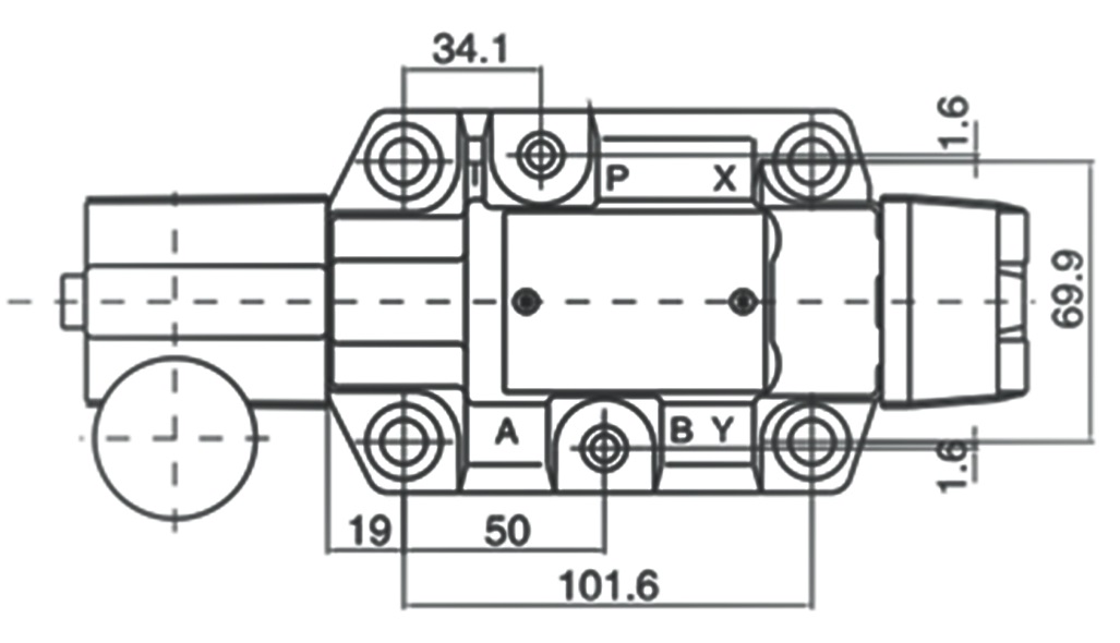
Габаритные и присоединительные размеры ВММ
Габаритные размеры гидрораспределителя ВММ6 с ручным управлением

Присоединительные размеры гидрораспределителя ВММ6 с ручным управлением

Габаритные размеры гидрораспределителя ВММ10 с ручным управлением

Присоединительные размеры гидрораспределителя ВММ10 с ручным управлением


Габаритные размеры гидрораспределителя ВММ16 с ручным управлением

Присоединительные размеры гидрораспределителя ВММ16 с ручным управлением
