Фильтр
Сначала популярные
Заказать
Заказать
Заказать
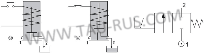
Электромагнитные клапаны E106... (нормально-закрытые, НЗ) прямого действия предназначены для контроля потока рабочего тела (жидкости или газа), находящегося под давлением. Клапан E106... может оснащаться катушками типа 2 и типа 5, которые различаются тяговым усилием и потребляемой электрической мощностью, что определяет величину рабочего давления пропускаемого потока. Электромагнитные клапаны E106..., представленные в данном разделе, могут быть использованы с широким рядом жидкостей и газов в любых отраслях промышленности.
|
|
Таблица технических характеристик
|
|||||||||||||||||||||||||||||||||||||||||||||
Пневмосхема и принцип работы
|
Устройство и размеры арматурных клапанов E106...
|
|
Пояснения к рисунку выше: |
