Описание насосов 50НР; 50НС
Насосы 50НР - радиально-поршневые.
Насосы 50НС - секционные (поршневой насос в сборе с пластинчатым насосом типа БГ12-42).
Насосы изготавливаются одноотводные и двухотводные. Насосы 50НР обеспечивают получение одного или двух потоков рабочей жидкости давлением до 50 МПа, а насосы 50НС, кроме того, еще одну подачу от пластинчатого насоса БГ12-42 (БГ12-41, БГ12-41А, БГ12-41Б) давлением до 2,5 МПа.
Насосы 50 НР 4, 50 НР 6,3, 50 НР 14, 50 НР 16, 50 НР 32 предназначены для работы на минеральных маслах вязкостью от 21 до 265 мм²/с (сСт) при температуре масла от плюс 10 до плюс 50 °С при температуре окружающей среды от О °С до плюс 50 °С.
Рекомендуемые рабочие жидкости - минеральные масла типа ВНИИ НП-403 ГОСТ 16728-78, ИГП-30, ИГП-38 и ИГП-49 по ТУ 38 101413-78.
Номинальная тонкость фильтрации масла:
- 40 мкм для насосов типа 50 НР;
- 25 мкм для насосов типа 50 НС.
Положение насосов при работе горизонтальное или вертикальное (носок вала вверх). Насосы с рабочим объемом 500 см³ работают только в горизонтальном положении.
Основные параметры радиально-поршневых насосов 50НР, 50НС одноотводных
|
Параметры насоса |
50НР-4 |
50НР-6,3 |
50НР-8 |
50НР-10 |
50НР-14 |
50НР-16 |
50НР-32 |
50НР-63 |
|---|---|---|---|---|---|---|---|---|
|
Количество отводов |
1 |
1 |
1 |
1 |
1 |
1 |
1 |
1 |
|
Ном. подача радиально-поршневого насоса, л/мин |
5,5 |
8,6 |
11 |
13,2 |
19,3 |
22 |
44,1 |
80 |
|
Частота вращения, об/мин, номинальная |
1500 |
1500 |
1500 |
1500 |
1500 |
1500 |
1500 |
1500 |
|
Частота вращения, об/мин, максимальная |
1800 |
1800 |
1800 |
1800 |
1800 |
1800 |
1800 |
1800 |
|
Частота вращения, об/мин, минимальная |
300 |
300 |
300 |
300 |
300 |
300 |
300 |
300 |
|
Давление на выходе ном. / макс., МПа |
50 / 63 |
50 / 63 |
50 / 63 |
50 / 63 |
50 / 63 |
50 / 63 |
50 / 63 |
50 / 63 |
|
Давление на входе, МПа, минимальное |
-0,02 |
-0,02 |
-0,02 |
-0,02 |
-0,02 |
-0,02 |
-0,02 |
-0,02 |
|
Давление на входе, МПа, максимальное |
+0,05 |
+0,05 |
+0,05 |
+0,05 |
+0,05 |
+0,05 |
+0,05 |
+0,05 |
|
Коэффициент подачи, не, менее |
0,93 |
0,93 |
0,93 |
0,93 |
0,93 |
0,93 |
0,93 |
0,91 |
|
Масса насоса (без рабочей жидкости) 50НР / 50 НС, кг |
19 / 23,5 |
19 / 23,5 |
24 / 28,5 |
33 / 37,5 |
33 / 37,5 |
39 / 43,5 |
39 / 43,5 |
77 / 81,5 |
Основные параметры радиально-поршневых насосов 50НР, 50НС двухотводных
|
Наименование параметров |
Насос 50НР8/2 |
Насос 50НР32/2 |
Насос 50НР63/2 |
|---|---|---|---|
|
Количество отводов |
2 |
2 |
2 |
|
Номинальная подача: радиально-поршневого насоса / одного отвода насоса / пластинчатого насоса, л/мин |
11 / 5,5 / 17,5 |
44,1 / 22 / 17,5 |
- |
|
Частота вращения, об/мин, номинальная |
1500 |
1500 |
1500 |
|
Частота вращения, об/мин, максимальная |
1800 |
1800 |
1800 |
|
Частота вращения, об/мин, минимальная |
300 |
300 |
300 |
|
Давление на выходе: радиально-поршневого насоса ном. / макс. | пластинчатого насоса мин. / макс., МПа |
50 / 63 | 2,5 / 6,3 |
50 / 63 | 2,5 / 6,3 |
50 / 63 | 2,5 / 6,3 |
|
Давление на входе, МПа, минимальное |
-0,02 |
-0,02 |
-0,02 |
|
Давление на входе, МПа, максимальное |
+0,05 |
+0,05 |
+0,05 |
|
Коэффициент подачи, не, менее |
0,93 |
0,93 |
0,91 |
|
Масса насоса (без рабочей жидкости) 50НР / 50 НС, кг |
24 / 28,5 |
39 / 43,5 |
77 / 81,5 |
Таблица аналогов радиально-поршневых насосов 50НР, 50НС
|
Наименование насоса 50 НР, 50 НС |
Аналог |
|
Насос 50 HP 4 |
Насос НПР 4/50 |
|
Насос 50 HP16 |
Насос НПР 16/50 |
|
Насос 50 HP32 |
Насос НПР 32/50 |
|
Насос 50 НР32/2 |
Насос НПР16х16/50 |
|
Насос 50 HС 4 |
Насос НПР 4/50 |
|
Насос 50 HС 16 |
Насос НПР 16/50 |
|
Насос 50 HС 32 |
Насос НПР 32/50 |
|
Насос 50 НС 32/2 |
Насос НПР16х16/50 |
Структура условного обозначения насосов 50НР, 50НС
|
1 |
2 |
- |
3 |
/ |
4 |
5 |
6 |
7 |
|---|---|---|---|---|---|---|---|---|
|
50 Н |
Р |
32 |
2 |
8 |
К |
Л ПО4 |
| 1 | Насос на номинальное давление | 50 МПа |
| 2 | Тип агрегата |
Р - радиально-поршневой C - секционный |
| 3 | Рабочий объём поршневого насоса |
4 - 4 см³ 6,3 - 6,3 см³ 14 - 14 см³ 16 - 16 см³ 32 - 32 см³ |
| 4 | Количество отводов |
без обозначения - 1 отвод 2 - 2 отвода |
| 5 | Объём пластинчатого насоса (только для насоса 50 НС) |
без обозначения - 12,5 см³ 8 - 8 см³ 5 - 5 см³ 3,2 - 3,2 см³ |
| 6 | Исполнение по типу установки |
без обозначения - фланцевое крепление К - на лапах |
| 7 |
Направление вращения вала |
без обозначения - правое вращение Л - левое вращение |
| Возможность погружного исполнения |
без обозначения - обычное исполнение П - погружное исполнение ПО4 - погружное общеклиматическое исполнение |
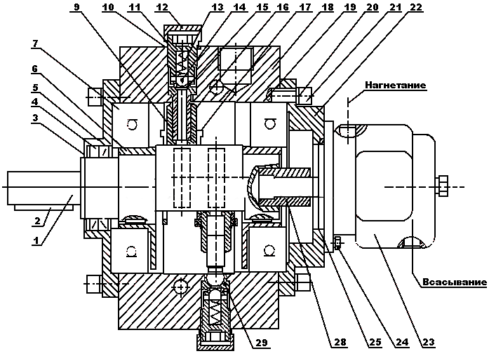
Устройство и принцип работы насосов 50НР, 50НС
|
1 |
Вал приводной |
11 |
Корпус клапана |
20 |
Пружинная шайба |
|
2 |
Шпонка |
12 |
Колпачок |
21 |
Винт |
|
3 |
Кольцо |
13 |
Пружина |
22 |
Крышка |
|
4 |
Манжета |
14 |
Шарик |
23 |
Пластинчатый насос |
|
5 |
Крышка |
15 |
Седло |
24 |
Болт |
|
6 |
Втулка |
16 |
Цилиндр |
25 |
Кольцо |
|
7 |
Подшипник |
17 |
Кольцо |
28 |
Втулка |
|
9 |
Поршень |
18 |
Корпус |
29 |
Подпятник |
|
10 |
Кольцо |
19 |
Прокладка |
|
|
Секционный насос 50 НС состоит из двух насосов:
- Радиально-поршневого насоса высокого давления 50 НР;
- Пластинчатого насоса низкого давления БГ2-42 ТУ 2.053-1342-78.
Подпятники 29 с завальцованными в них поршнями зажаты в радиальных расточках корпуса насоса корпусом клапана 11 (проставкой) через седло клапана 15. Нагнетательный клапан (шарик) прижат к седлу пружиной 13. В корпусе имеется радиальное отверстие, предназначенное для подвода (всасывания) жидкости во внутреннюю полость насоса. При всасывании рабочая жидкость из картера (внутренней полости) насоса через пазы на эксцентрике вала поступает в рабочую камеру, образованную цилиндром и поршнем.
При нагнетании, когда внутреннее отверстие цилиндра выходит из зоны паза на валу и перекрывается, происходит нагнетание рабочей жидкости через нагнетательные клапаны и коллектор нагнетания.
Пластинчатый насос 23 крепится к радиально-поршневому насосу болтами 24. Привод пластинчатого насоса осуществляется от вала поршневого насоса через муфту. Уплотнение стыка пластинчатого насоса с задней крышкой поршневого насоса осуществляется уплотнением 25.
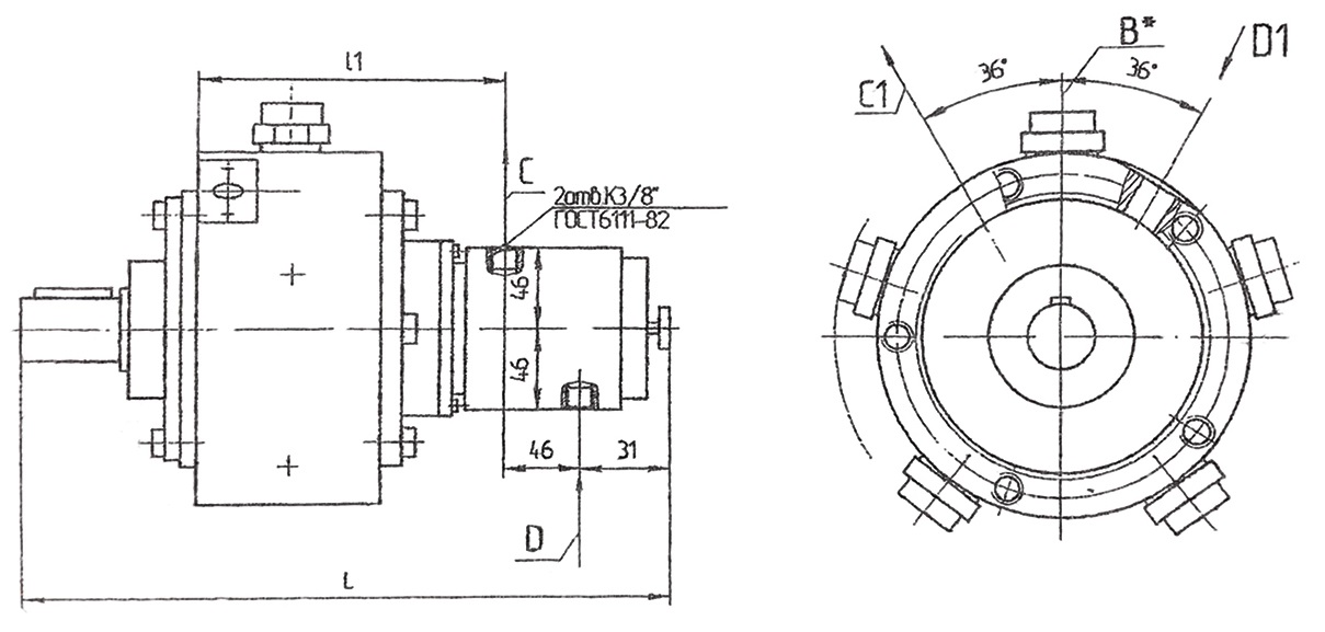
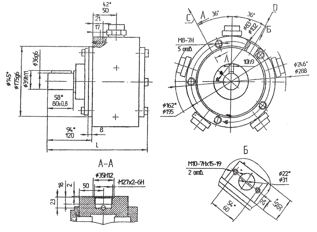
Основные габаритные и присоединительные размеры

|
Модель |
Количество цилиндров |
Общая длина, L мм |
|---|---|---|
| 50НР-4* |
3 |
204 |
| 50НР-6,3* |
5 |
204 |
| 50НР-14* |
10 |
230 |
| 50НР-8 |
6 |
216 |
| 50НР-8/2 |
6 |
216 |
| 50НР-10 |
3 |
245 |
| 50НР-16 |
5 |
245 |
| 50НР-32 |
10 |
275 |
| 50НР-32/2 |
10 |
275 |
| 50НР-63 |
10 |
338 |
| 50НР-63/2 |
10 |
338 |

|
Модель |
Количество цилиндров |
Общая длина, L мм |
L1 мм |
|---|---|---|---|
| 50НС-4* |
3 |
315 |
- |
| 50НС-6,3* |
5 |
315 |
- |
| 50НС-8 |
6 |
346 |
170 |
| 50НС-8/2 |
6 |
346 |
170 |
| 50НС-10 |
3 |
358 |
111 |
| 50НС-16 |
5 |
358 |
111 |
| 50НС-32 |
10 |
390 |
153 |
| 50НС-32/2 |
10 |
390 |
153 |
| 50НС-63 |
10 |
442 |
- |
| 50НС-63/2 |
10 |
442 |
- |