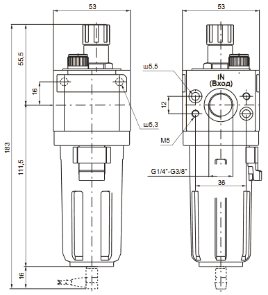
Маслораспылитель серия 17003 и 17103
Типоразмер 1. Присоединения G1/8”, G1/4”
Маслораспылитель PNEUMAX модель 17003A.P и 17103B.P
|
Описание маслораспылителей 17003 и 17103Осуществляет смазку масляным туманом. Количество подаваемой смазки настраивается регулировочным винтом и автоматически изменяется при изменении расхода воздуха.фильтроэлемент. Заполнение стакана маслом осуществляется через специальное отверстие, закрываемое заглушкой, или непосредственно в снятый стакан. В любом случае давление сжатого воздуха должно быть сброшено из маслораспылителя. Корпус из цинкового сплава или из упрочненного технополимера с латунными резьбовыми вставками для присоединения фитингов. Возможность настенного монтажа винтами М4, закрываемых крышкой. Прозрачный стакан из гриламида крепится к корпусу на резьбе. Стакан может быть дополнительно оснащен пластмассовым защитным кожухом.
Возможность кругового обзора уровня масла в стакане даже при установленном защитном кожухе.
|
Технические данные и расходные характеристики маслораспылителей 17003 и 17103
|
Расходные характеристики при различном давление на входе (бар).
|
Размеры и структура обозначения маслораспылителей серии 17103 и 17003
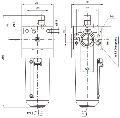
Маслораспылитель 17203A и 17203B
Типоразмер 2. Присоединения G1/4”, G3/8”
Маслораспылитель PNEUMAX 17203A(B)
|
Описание маслораспылителей 17203A и 17203BОсуществляет смазку масляным туманом. Количество подаваемой смазки настраивается регулировочным винтом и автоматически изменяется при изменении расхода воздуха.фильтроэлемент. Заполнение стакана маслом осуществляется через специальное отверстие, закрываемое заглушкой, или непосредственно в снятый стакан. В любом случае давление сжатого воздуха должно быть сброшено из маслораспылителя.
Корпус из цинкового сплава. Возможность настенного монтажа винтами М5, закрываемых крышкой.
Маслораспылитель может быть оснащен реле нижнего уровня масла. Контакты реле могут быть нормально замкнутыми или нормально разомкнутыми при заполненном маслом стакане. Ответный разъем с кабелем заказывается отдельно.
По присоединению маслораспылители поставляются в двух исполнениях: |
Технические данные и структура обозначения маслораспылителей 17203A и 17203B
|
Коды для заказа разъема с кабелем для реле уровня
При заказе просим правильно указывать код маслораспылителя, например:
Примечание: |
||||||||||||||||||||||||||||||||||||||||||||||||
Размеры и расходные характеристики маслораспылителей 17203A и 17203B
|
Расходные характеристики при различном давление на входе (бар).
|
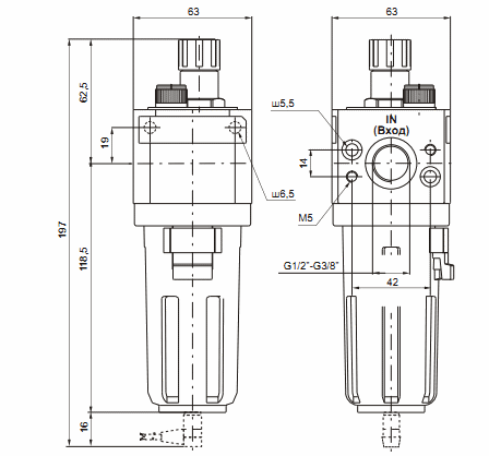
Маслораспылители серия 173 (17303A, 17303B, 17303E)
Типоразмер 3. Присоединения G3/8”, G1/2”, G3/4”
|
|
Описание маслораспылителей 17303A (B, E)Смазка осуществляется "масляным туманом". Объем подаваемого смазочного материала настраивается винтом и автоматически изменяется при изменении расхода воздуха.фильтроэлемент. Заполнение лубрикатора маслом возможно непосредственно в стакан, или через дополнительное специальное отверстие, закрываемое заглушкой. ВНИМАНИЕ: перед заправкой маслораспылителя давление воздуха должно быть сброшено.
Корпус - цинковый сплав. Возможен блочный монтаж, индивидуальный, настенный (винтами M6, закрываемых крышкой).
Круговой обзор уровня конденсата в стакане. Технические характеристики маслораспылителей 17303A (B, E)
Структура обозначения маслораспылителей 17303A (B, E)
Коды для заказа разъема с кабелем для реле уровня
Расходные характеристики при |
||||||||||||||||||||||||||||||||||||||||||||||||
При заказе просим правильно указывать код маслораспылителя, например:
Маслораспылитель 17303A
значит: лубрикатор типоразмера 3, присоединение G3/8”
Маслораспылитель 17303B.MA
значит: лубрикатор типоразмера 3, присоединение G1/2”, оснащенный реле минимального уровня масла с НО контактами.
Маслораспылитель 17303E.MC
значит: лубрикатор типоразмера 3, присоединение G3/4”, оснащенный реле минимального уровня масла с НЗ контактами.
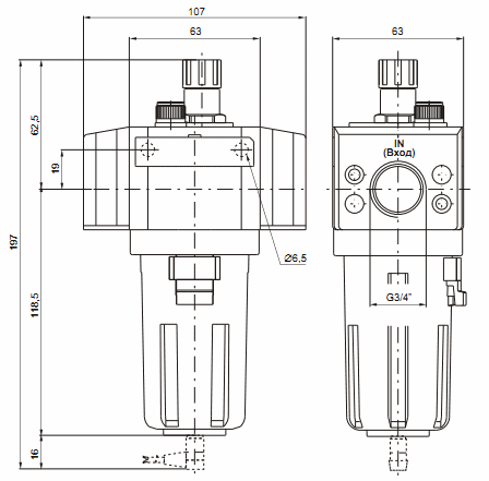
Маслораспылитель 17403В, 17403B.MC, 17403B.MA
Типоразмер 4. Присоединения G1”
Маслораспылитель PNEUMAX 17403B
|
Описание маслораспылителей 17403В, 17403B.MC, 17403B.MAМаслораспылители 17403B предназначены для насыщения сжатого воздуха в пневмосистеме масляным туманом. Объем подаваемого смазочного материала регулируется настроечным винтом и автоматически изменяется в зависимости от расхода вохдуха. Заполнение стакана маслом осуществляется через специальное отверстие, закрываемое заглушкой, или непосредственно в снятый стакан. ВНИМАНИЕ: при заправке маслораспылителя давление сжатого воздуха должно быть сброшено.
Корпус и стакан выполнены из легкого сплава. Стакан крепится к корпусу байонетным замком. Возможность индивидуального или блочного монтажа. |
Технические данные и структура обозначения маслораспылителей 17403В, 17403B.MC, 17403B.MA
|
Примечание:
Коды для заказа разъема с кабелем для реле уровня
Пример условного обозначения:
|
|||||||||||||||||||||||||||||||||||
Размеры и расходные характеристики маслораспылителей 17403В, 17403B.MC, 17403B.MA
|
Расходные характеристики при различном давление на входе (бар).
|

Маслораспылитель PNEUMAX модель 17003A.P и 17103B.P

Маслораспылитель PNEUMAX 17203A(B)

Фильтр PNEUMAX модель 17301.E.B и 17301B.B
Размеры маслораспылителя 17303А, 17303В
Размеры маслораспылителя 17303Е
Маслораспылитель PNEUMAX 17403B
