Описание гидроклапанов предохранительных МКПВ-*/3С
Предохранительные клапаны давления непрямого действия МКПВ существуют стыкового и трубного монтажа.
Структура условного обозначения
| 1 | - | 2 | / | 3 | 4 | 5 | 6 | 7 | . | 8 |
| МКПВ | 10 | 3 | С | 3 | Р | 2 | 24 |
| 1 | Тип устройства |
МКПВ = предохранительный гидравлический клапан |
| 2 | Условный проход |
10 = 10 мм |
| 3 | Номинальное давление |
3 = 32 МПа |
| 4 | Исполнение по способу монтажа |
С = стыковой монтаж |
| 5 | Исполнение по типу управления |
2 = с дистанционным гидравлическим управлением разгрузкой 3 = с электромагнитным управлением разгрузкой, нормально разгруженный
|
| 6 | Исполнение по виду регулировочного устройства |
Р = с рукояткой |
| 7 | Исполнение по номинальному давлению настройки |
1 = 10 МПа |
| 8 | Напряжение (для электромагнитного управления) |
Постоянный ток:
Переменный ток: |
Конструкция предохранительного клапана непрямого действия МКПВ для стыкового монтажа
Если давление в гидравлической системе не превышает давления настройки клапана 3 (регулируется винтом 6, сжимающим пружину 5), последний закрыт, давления в торцовых полостях клапана 8 одинаковые, и он прижат пружиной 9 к конусному седлу гильзы 10, разъединяя отверстия Р и Т. Когда сила от давления рабочей жидкости на конус 4 вспомогательного клапана превышает усилие его пружины, конус отходит от седла, и жидкость в небольшом количестве из отверстия Р через малое отверстие 11, вспомогательный клапан и канал 7 проходит в отверстие Т.
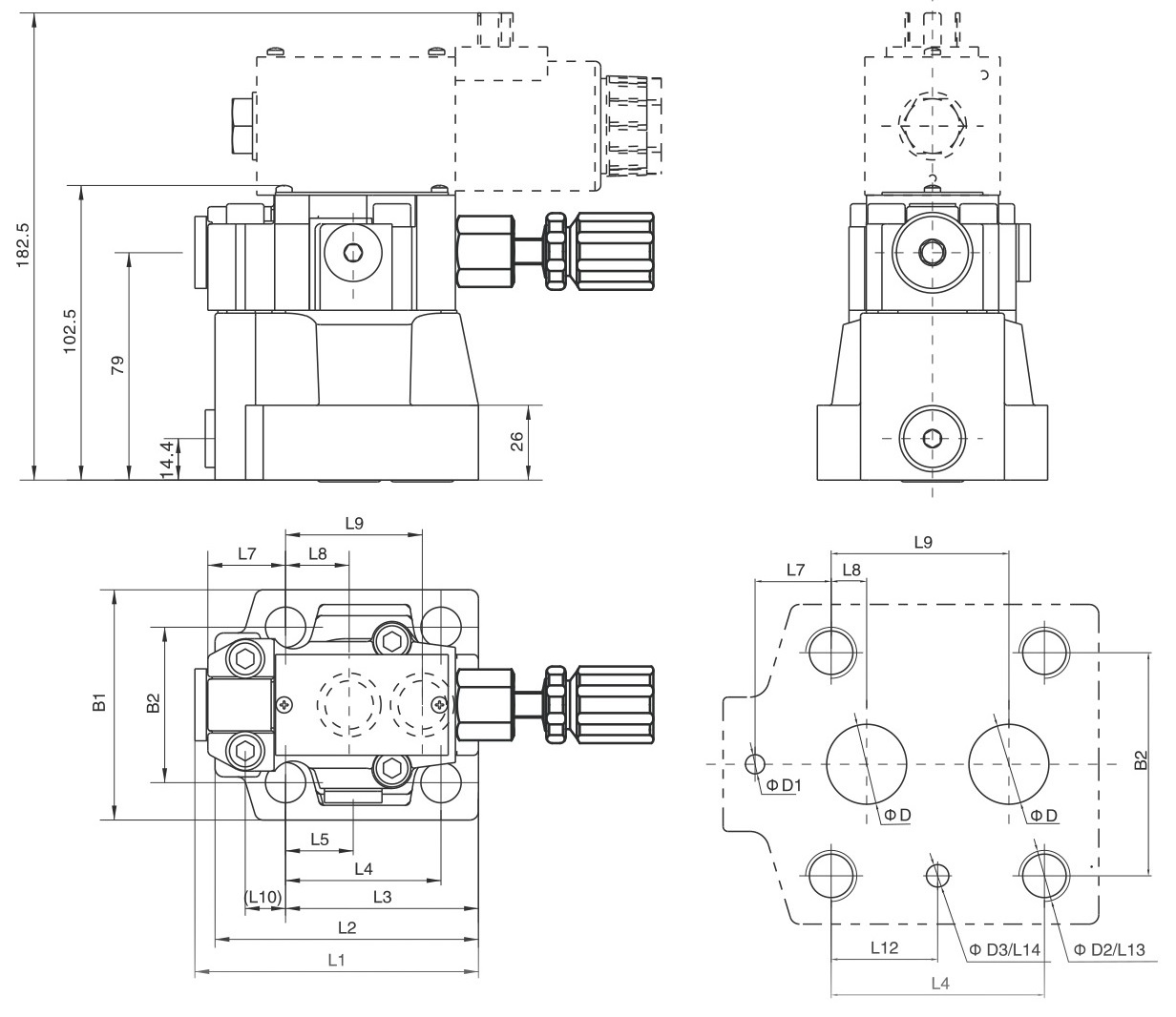
Габаритные размеры МКПВ-*/3С
| Модель | B1 | B2 | L1 | L2 | L3 | L4 | L5 | L6 | L7 | L8 | L9 | L10 | L11 | L12 | L13 | L14 | D | D1 | D2 | D3 |
| МКПВ-10/3С | 78 | 54 | 98,5 | 91,5 | 67 | 54 | 23,5 | 149,3 | 0 | 22,1 | 47,5 | 14 | 159,7 | 22,1 | 20 | 5 | 12 | 6 | M12 | 7 |
| МКПВ-20/3С | 100 | 69,8 | 122,2 | 117,5 | 83,7 | 66,7 | 26,5 | 161,8 | 23,8 | 11,1 | 55,6 | 11 | 172,2 | 33,3 | 25 | 6 | 25 | 6 | M16 | 7 |
| МКПВ-32/3С | 115 | 82,5 | 154,5 | 149,5 | 106,9 | 88,9 | 28,1 | 172,5 | 31,8 | 12,7 | 76,2 | 9,4 | 182,9 | 44,4 | 30 | 6 | 32 | 6 | M18 | 7 |
Присоединительные размеры МКПВ-*/3С



Основные параметры гидроклапана МКПВ стыкового монтажа
|
Обозначение |
Ду, мм |
Номинальное давление настройки, МПа |
Диапазон регулирования давления, МПа |
Номинальный расход, л/мин |
Вид управления разгрузкой |
Масса, кг |
|
Клапан МКПВ 10/3С2Р |
10 |
6,3 |
0,3-0,7 |
80,0 |
Дистанционное гидравлическое управление разгрузкой |
3,45 |
|
Клапан МКПВ 10/3 С2Р1 (аналог 10-10-2-11) |
10,0 |
0,5-12,5 |
||||
|
Клапан МКПВ 10/3 С2Р2 (аналог 10-20-2-11) |
20,0 |
2,0-25,0 |
||||
|
Клапан МКПВ 10/3 С2Р3 (аналог 10-32-2-11) |
32,0 |
5,0-35,0 |
||||
|
Клапан МКПВ 20/3С2Р |
20 |
6,3 |
0,3-0,7 |
160,0 |
4,15 |
|
|
Клапан МКПВ 20/3 С2Р1 (аналог 20-10-2-11) |
10,0 |
0,5-12,5 |
||||
|
Клапан МКПВ 20/3 С2Р2 (аналог 20-20-2-11) |
20,0 |
2,0-25,0 |
||||
|
Клапан МКПВ 20/3 С2Р3 (аналог 20-32-2-11) |
32,0 |
5,0-35,0 |
||||
|
Клапан МКПВ 32/3С2Р |
32 |
6,3 |
0,3-0,7 |
320,0 |
5,95 |
|
|
Клапан МКПВ 32/3 С2Р1 (аналог 32-10-2-11) |
10,0 |
0,5-12,5 |
||||
|
Клапан МКПВ 32/3 С2Р2 (аналог 32-20-2-11) |
20,0 |
2,0-25,0 |
||||
|
Клапан МКПВ 32/3 С2Р3 (аналог 32-32-2-11) |
32,0 |
5,0-35,0 |
||||
|
Клапан МКПВ 10/3С3Р |
10 |
6,3 |
0,3-0,7 |
80,0 |
Электромагнитное управление разгрузкой, нормально разгруженный |
3,45 |
|
Клапан МКПВ 10/3С3Р1 (аналог 10-10-2-133(-131,-132)) |
10,0 |
0,5-12,5 |
||||
|
Клапан МКПВ 10/3С3Р2 (аналог 10-20-2-133(-131,-132)) |
20,0 |
2,0-25,0 |
||||
|
Клапан МКПВ 10/3С3Р3 (аналог 10-32-2-133(-131,-132)) |
32,0 |
5,0-35,0 |
||||
|
Клапан МКПВ 20/3С3Р |
20 |
6,3 |
0,3-0,7 |
160,0 |
4,15 |
|
|
Клапан МКПВ 20/3С3Р1 (аналог 20-10-2-133(-131,-132)) |
10,0 |
0,5-12,5 |
||||
|
Клапан МКПВ 20/3С3Р2 (аналог 20-20-2-133(-131,-132)) |
20,0 |
2,0-25,0 |
||||
|
Клапан МКПВ 20/3С3Р3 (аналог 20-32-2-133(-131,-132)) |
32,0 |
5,0-35,0 |
||||
|
Клапан МКПВ 32/3С3Р |
32 |
6,3 |
0,3-0,7 |
320,0 |
5,95 |
|
|
Клапан МКПВ 32/3С3Р1 (аналог 32-10-2-133(-131,-132)) |
10,0 |
0,5-12,5 |
||||
|
Клапан МКПВ 32/3С3Р2 (аналог 32-20-2-133(-131,-132)) |
20,0 |
2,0-25,0 |
||||
|
Клапан МКПВ 32/3С3Р3 (аналог 32-32-2-133(-131,-132)) |
32,0 |
5,0-35,0 |
||||
|
Клапан МКПВ 10/3С4Р |
10 |
6,3 |
0,3-0,7 |
80,0 |
Электромагнитное управление разгрузкой, нормально нагруженный |
3,45 |
|
Клапан МКПВ 10/3С4Р1 |
10,0 |
0,5-12,5 |
||||
|
Клапан МКПВ 10/3 С4Р2 |
20,0 |
2,0-25,0 |
||||
|
Клапан МКПВ 10/3С4Р3 |
32,0 |
5,0-35,0 |
||||
|
Клапан МКПВ 20/3С4Р |
20 |
6,3 |
0,3-0,7 |
160,0 |
4,15 |
|
|
Клапан МКПВ 20/3С4Р1 |
10,0 |
0,5-12,5 |
||||
|
Клапан МКПВ 20/3 С4Р2 |
20,0 |
2,0-25,0 |
||||
|
Клапан МКПВ 20/3С4Р3 |
32,0 |
5,0-35,0 |
||||
|
Клапан МКПВ 32/3С4Р |
32 |
6,3 |
0,3-0,7 |
320,0 |
5,95 |
|
|
Клапан МКПВ 32/3С4Р1 |
10,0 |
0,5-12,5 |
||||
|
Клапан МКПВ 32/3С4Р2 |
20,0 |
2,0-25,0 |
||||
|
Клапан МКПВ 32/3 С4Р3 |
32,0 |
5,0-35,0 |

