Фильтр сливной MPF
|
Масляный сливной фильтр MPF предназначен для очистки гидравлической жидкости от твердых механических примесей и частиц. Устанавливается в бак гидростанции на сливной магистрали, при этом поток масла в фильтрующем элементе проходит снаружи во внутрь.
При таком монтажа верхняя часть (алюминиевая крышка) фильтра MPF находится снаружи, а сам фильтрующий элемент в колбе внутри бака.
Пример установки фильтра MPF
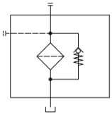
Характерные особенности фильтров MPF: Обозначение фильтров на гидравлических схемах:
|
Устройство и основные параметры фильтров сливных MPF
|
Наименование |
Ном. расход л/мин |
Тонкость фильтрации |
Фильтроэлемент | Резьба |
| Фильтр MPF0301AG1P10NBP01 | 40 | 10 | 8MF0301P10NBP01 | 1/2” | |
| Фильтр MPF0301AG1P25NBP01 | 40 | 25 | 8MF0301P25NBP01 | 1/2” | |
| Фильтр MPF1001AG1P10NBP01 | 81 | 10 | 8MF1001P10NBP01 | 1/2” | |
| Фильтр MPF1001AG1P25NBP01 | 81 | 25 | 8MF1001P25NBP01 | 1/2” | |
| Фильтр MPF1001AG2P10NBP01 | 81 | 10 | 8MF1001P10NBP01 | 3/4” | |
| Фильтр MPF1001AG2P25NBP01 | 81 | 25 | 8MF1001P25NBP01 | 3/4” | |
| Фильтр MPF1002AG3P10NBP01 | 100 | 10 | 8MF1002P10NBP01 | 1” | |
| Фильтр MPF1002AG3P25NBP01 | 100 | 25 | 8MF1002P25NBP01 | 1” | |
| Фильтр MPF1811AG1P10NBP01 | 214 | 10 | 8MF1801P10NBP01 | 1” | |
| Фильтр MPF1811AG1P25NBP01 | 214 | 25 | 8MF1801P25NBP01 | 1” | |
| Фильтр MPF1811AG1P10NBP01 | 214 | 10 | 8MF1801P10NBP01 | 1 1/4” | |
| Фильтр MPF1811AG1P25NBP01 | 214 | 25 | 8MF1801P25NBP01 | 1 1/4” | |
| Фильтр MPF4001AG1P10NBP01 | 276 | 10 | 8MF4001P10NBP01 | 1 1/4” | |
| Фильтр MPF4001AG1P25NBP01 | 300 | 25 | 8MF4001P25NBP01 | 1 1/4” | |
| Фильтр MPF4001AG2P10NBP01 | 319 | 10 | 8MF4001P10NBP01 | 1 1/2” | |
| Фильтр MPF4001AG2P25NBP01 | 350 | 25 | 8MF4001P25NBP01 | 1 1/2” | |
| Фильтр MPF4003AG3P10NBP01 | 380 | 10 | 8MF4003A10HBP01 | 2” | |
| Фильтр MPF4003AG3P25NBP01 | 500 | 25 | 8MF4003A25HBP01 | 2” | |
|
Δp∑ = Δpc головки фильтра + Δpe фильтрующего элемента
Более подробно о параметрах фильтров MPF и зависимостях потерь давления, можно скачав описание по ссылке: |
|||||
Нужна консультация?
Если вы затрудняетесь с подбором необходимых вам комплектующих, свяжитесь с нами по телефону +7 (8482) 44-00-64, 39-40-87. Мы проконсультируем вас и поможем подобрать нужные вам фильтры.
Как заказать и узнать цену на фильтр MPF?
Отправьте нам запрос на почту info@tau-rus.com со списком интересующих вас наименований и мы пришлём вам коммерческое предложение на интересующую номенклатуру. Если вы не нашли в каталогах нужные вам компоненты, просто пришлите нам имеющуюся у вас информацию и мы по возможности подберём аналоги.
Фильтр сливной MPF


