Фильтр
Сначала популярные
Клапан плавного спуска 17110.M2 и 17120
Типоразмер 1. Присоединения G1/4"
|
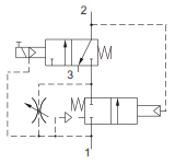
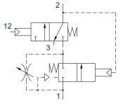
Устройство и рабочие характеристики клапанов плавного спуска 17110.M2 и 17120
Профилактическое обслуживание или ремонт данного изделия не предусмотрены из-за особенностей сборки и специальной программы тестирования. |
Технические данные
|
Код для заказа и обозначения на пневмосхеме
|
Размеры клапанов плавного спуска 17110.M2 и 17120
|
Размеры фильтров-регуляторов PNEUMAX 17104A(B), 17004B(A)
|
Клапаны плавного пуска 17210.M2, 17220
Типоразмер 2. Присоединения G3/8".
|
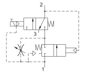
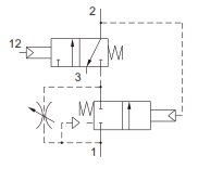
Устройство и рабочие характеристики клапанов плавного пуска 17210.M2, 17220
Профилактическое обслуживание или ремонт данного изделия не предусмотрены из-за особенностей сборки и специальной программы тестирования. Код для заказа
|
Технические данные клапанов
|
Размеры ручных отсечных клапанов 17210.M2, 17220
|
Клапаны плавного пуска 17310.M2, 17320
Типоразмер 3. Присоединения G1/2".
|
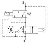
Устройство и рабочие характеристики клапанов плавного пуска 17310.M2, 17320
Профилактическое обслуживание или ремонт данного изделия не предусмотрены из-за особенностей сборки и специальной программы тестирования. Код для заказа
|
Технические данные клапанов
|
Размеры ручных отсечных клапанов 17310.M2, 17320
|
Клапаны плавного пуска 17410.M2, 17420
Типоразмер 4. Присоединения G1".
|
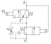
Устройство и рабочие характеристики клапанов плавного пуска 17410.M2, 17420
Профилактическое обслуживание или ремонт данного изделия не предусмотрены из-за особенностей сборки и специальной программы тестирования. Код для заказа
|
Технические данные клапанов
|
Размеры ручных отсечных клапанов 17430.A и 17430.B
|

