Описание насосов Н400Е, Н401Е, Н403Е (Н400УР, Н401УР, Н403УР)
Радиально-поршневые насосы типа Н400 применяются в областях промышленности связанных с высоким давлением (до 400 бар). В прессах, в установках для обработки полимеров, зажимных устройствах станков и во многих других областях применения, где требуются значения рабочего давления до 400 бар. Только радиально поршневые насосы способны работать длительно при столь высоких давлениях.
Насосы Н 400 Е, Н 401 Е, Н 403 Е (Н 400 УР, Н 401 УР, Н 403 УР) работают на чистом минеральном масле с кинематической вязкостью 21-211 сСт(мм2/с) при температуре масла +10…+50°С и окружающей среды 0…+50°С.
Насосы типа Н400 работают на масле очищенном не грубее 13 класса по ГОСТ 17216-71, при номинальной тонкости фильтрации 25 мкм. Рекомендуемые марки масел: ИГП-30, ИГП-49 ТУ.3.810.1413-97; ВНИИ ИП-403 ГОСТ 16728-78, индустриальные И-20А...И40А ГОСТ 20799-88.


Основные параметры насосов Н400Е, Н401Е, Н403Е (Н400УР, Н401УР, Н403УР)
|
Наименование параметра |
Типоразмер насоса |
||
|
Н400Е (Н400УР) |
Н401Е (Н401УР) |
Н403Е (Н403УР) |
|
|
Рабочий объём, см³ |
4 |
12,5 |
25 |
|
Номинальная частота вращения, об/мин. |
1500 |
||
|
Номинальная подача, л/мин. |
5,5 ± 5% |
17,06 ± 5% |
34,12 ± 5% |
|
Давление на выходе (мин./макс.), МПа |
20/28 |
32/40 |
|
|
Давление на входе (мин./макс.), МПа |
0,005/ 0,01 |
||
|
Коэффициент подачи |
0,91 |
||
|
КПД |
0,82 |
0,85 |
0,85 |
|
Номинальная мощность, КВт |
2,2 |
10,5 |
21 |
|
Направление вращение вала |
любое |
||
|
Масса (без рабочей жидкости), кг |
15 |
38 |
47 |
Примечание: в зависимости от завода-изготовителя реверсивные насосы Н400Е (Н401Е, Н403Е) могут иметь маркировку Н400УР (Н401УР, Н403УР) или НП-4/32, НП-12/32Е, НП-25/32Е.
Структура условного обозначения насосов Н40...E
|
1 |
2 |
3 |
4 |
|
Н4 |
ХХ |
Е |
ХХ |
| 1 | Обозначение типа насоса | Н4 |
| 2 | Исполнение по рабочему объёму и давлению |
00 - 4см³ и 20МПа 01 - 12,5см³ и 32МПа 03 - 25см³ и 32МПа |
| 3 | Исполнение | Е = Модернизированная конструкция (реверсивное вращение) |
| 4 | Климатическое исполнение и категория размещения | ХХ |
Пример условного обозначения насоса радиально-поршневого эксцентрикового реверсивного с рабочим объёмом 25 см³ и номинальным давлением 32 МПа модернизированной конструкции с реверсивным вращением климатическое исполнение для районов с умеренным и холодным климатом, категория размещения 4: Насос Н403Е УХЛ4
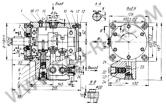
Габаритные и присоединительные размеры, принцип работы насоса Н400Е (Н401Е, Н403Е)
1 - корпус; 2 - вал приводной; 3 - шпонка; 4 - манжета; 5 - крышка; 6 - подпятник; 7 - поршень; 8 - пружина возврата поршня; 9 - пробка; 10 - уплотнение; 11 - скоба проволочная; 12 - винт; 13 - крышка; 14 - уплотнение; 15 - подшипник; 16 - заглушка; 17 - винт; 18 - шайба; 19 - шильда; 20 - винт шильды, 21 - упор; 22 - седло нагнетательного клапана; 23 - пружина нагнетательного клапана; 24 - шарик нагнетательного клапана.
Корпус насоса 1 и крышки 5, 13 образуют картер насоса, который заполнен маслом. В корпусе 1 насоса имеются отверстия для установки при помощи болтов на плите (для насосов Н401 и Н403) или на кронштейне (для насоса Н400). В расточках корпуса на подшипниках 15 установлен приводной вал 2, с тремя эксцентриками.
Уплотнение между рабочим валом 2 и крышкой 5 осуществляется манжетой 4. При вращении вала 2, эксцентрики, через гидростатические подпятники 6, воздействуют на поршни 7, установленные в расточках корпуса и закрытые пробками 9 , которые так же являются упорами пружин 8 возврата поршней 7. Подпятники 6 установлены посредством сферического шарнира и крепятся к нему специальными скобами 11.
При работе насоса и вращении вала 2, через отверстия в поршне и подпятнике, рабочая камера "F" заполняется рабочей жидкостью, для чего на поверхности эксцентриковой предусмотрены вырезы. Перпендикулярно каждому поршню установлен нагнетательные клапан, состоящий из пружины 23, шарика 24 и седла 22, прижатого к корпусу упором 21. Через нагнетательный клапан рабочая жидкость под давлением поступает к рабочим органам оборудования.
Чертёж насоса Н401Е (Н401УР)
%20радиально-поршневой%20эксцентриковый%20реверсивный.jpg)
Чертёж насоса Н403Е (Н403УР)
Перед включением радиально-поршневого реверсивного насоса серии Н400Е необходимо: открыть кран, подающий масло из бака и заполнить насос маслом, открутить болт для стравливания воздуха на корпусе насоса, прокрутить насос за вад привода от руки или несколькими кратковременными включениями электродвигателя, чтобы вся система насоса заполнилась маслом; закрутить болт, когда из насоса польется чистое масло, прокрутить насос несколькими толчками электродвигателем по 10-15 с, чтобы убедиться в правильности выполненных монтажных работ.
При запуске насоса серии Н400Е в простое в течение длительного времени необходимо произвести пробный на 3—5 минут без нагрузки, в ходе которого из гидросистемы необходимо стравить воздух. Запрещён пуск насоса под нагрузкой после простоя.
Во время эксплуатации необходимо следить за чистотой масла. Присутствие в рабочей жидкости механических примесей, воды или воздуха, попавших в гидросистему насоса серии Н400Е в процессе его сборки и эксплуатации, приводит к уменьшению долговечности насоса. При изменении вязкости масла более чем на 20%, необходимо произвести замену масла.
Трубы должны иметь проходные сечения, соответствующие размерам присоединительных отверстий: уменьшение сечения и деформации на поверхностях труб не допускаются. Смешивать различные марки масел не разрешается.
Во время эксплуатации насоса необходимо периодически доливать масло для поддержания необходимого уровня в маслобаке.
Насосная установка Н403Е (Н401Е, Н400Е) (пример взят из паспорта на пресс П5897)
Валы насоса и электродвигателя соединены полумуфтами 7 и 8 при помощи пальцев 9 и комплекта резиновых уплотнительных колец 10.
Пальцы закреплены в полумуфте гайками 11. Полумуфты 7 и 8 посажены на валы на шпонках 12 и 13 для передачи крутящего момента.
Соосность валов насоса и электродвигателя обеспечивается соосностью расточенных отверстий в стакане 1. Уплотнение вала насоса 4 (насос радиально-поршневой Н-403Е) осуществляется манжетой 16.
Всасывающая и напорная магистрали крепятся соответственно к штуцерам 14 и 15.
Н401Е - пресс гидравлический вулканизационный 250-600 4Э
Н403Е - пресс гидравлический П5897
Насос Н400Е УХЛ4, Н 400 Е УХЛ4, Н 400Е УХЛ 4, Н401Е УХЛ4, Н 401 Е УХЛ4, Н 401Е УХЛ 4, Н403Е УХЛ4, Н 403 Е УХЛ4, Н 403Е УХЛ 4, Н400УР УХЛ4, Н 400 УР УХЛ4, Н 400УР УХЛ 4, Н401УР УХЛ4, Н 401 УР УХЛ4, Н 401УР УХЛ 4, Н403УР УХЛ4, Н 403 УР УХЛ4, Н 403УР УХЛ 4.