Фильтр
Сначала популярные
Клапан OWC-DE-L10 (001.292.0X0)
|
Основные параметры клапана OWC-DE-L10 (001.292.0X0)- условный проход клапана DN12 (CETOP5);- тип: модульный, двусторонний, регулировка в каналах А и В; - минимальный / максимальный расход рабочей жидкости 1,0 / 90,0 л/мин; - максимальное рабочее давление 350 бар; - максимальное давление настройки 350 бар; - соотношение надклапанной и подклапанной площадей 6,2:1; - температура окружающего воздуха -30...+50 °C; - температура рабочей жидкости -30...+80 °C; - рекомендуемая тонкость фильтрации рабочей жидкости 30 мкм. Гидросхема клапана OWC-DE-L10 (001.292.0X0)
|
Применение клапана OWC-DE-L10 (001.292.0X0)
|
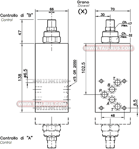
Размеры клапана OWC-DE-L10 (001.292.0X0)
|
Клапан OWC-SE-L10 (001.483.0X0)
|
Основные параметры клапана OWC-SE-L10 (001.483.0X0)- условный проход клапана DN12 (CETOP5);- тип: модульный, односторонний, регулировка в канале А; - минимальный / максимальный расход рабочей жидкости 1,0 / 90,0 л/мин; - максимальное рабочее давление 350 бар; - максимальное давление настройки 350 бар; - соотношение надклапанной и подклапанной площадей 6,2:1; - температура окружающего воздуха -30...+50 °C; - температура рабочей жидкости -30...+80 °C; - рекомендуемая тонкость фильтрации рабочей жидкости 30 мкм. Гидросхема клапана OWC-SE-L10 (001.483.0X0)
|
Применение клапана OWC-SE-L10 (001.483.0X0)
|
Размеры клапана OWC-SE-L10 (001.483.0X0)
|
