Пневмораспределители крановые В71-2*М-0* четырехлинейные трёхпозиционные с условным проходом 6, 10 и 16 мм с ручным управлением, рассчитанные на номинальное давление 1 МПа (10 кг/см²), предназначены для изменения направлений потоков сжатого воздуха в пневмоприводах различного назначения и поставляются для нужд народного хозяйства, комплектации станков, роботов и других различных механизмов имеющих пневмопривод.
Желательна эксплуатация в помещениях, с искусственно регулируемыми климатическими условиями.
Распределители В71- рассчитаны для работы на сжатом воздухе, очищенном не грубее 10 класса загрязненности по ГОСТ 17433—80 и содержащем распыленное масло вязкостью 10...35 мм /с (сСт) при температуре +50С° с концентрацией из расчета 2...4 капли/м3, приведенного к условиям по ГОСТ 19862-87.
Присоединение пневмолиний кранового распределителя В71-24М-01(02), В71-23М-01(02), В71-22М-01(02), В72-24М-01(02), В72-23М-01(02), В72-22М-01(02) - резьбовое.
ПРИМЕЧАНИЕ: распределители могут быть поставлены в комплекте с пневмоглушителями (в комплект поставки не входят).
Обобщенные данные по распределителям крановым В71- и В72
Варианты исполнений пневмораспределителей крановых В71, В72
|
Обозначение |
Ду, мм |
Kv, м3/ч |
Присоединение |
Линий/ позиций |
Исполнение |
|
В71-23М-01 |
10 |
1,6 |
G3/8", боковое |
4/3 |
В средней позиции полости потребителя сообщены с атмосферой |
|
В71-23М-02 |
G3/8", нижнее |
||||
|
В71-24М-01 |
16 |
3,6 |
G1/2", боковое |
В средней позиции полости потребителя сообщены с атмосферой |
|
|
В71-24М-02 |
G1/2", нижнее |
||||
|
В72-23М-01 |
10 |
1,6 |
G3/8", боковое |
В средней позиции все линии перекрыты |
|
|
В72-23М-02 |
G3/8", нижнее |
||||
|
В72-24М-01 |
16 |
3,6 |
G1/2", боковое |
В средней позиции все линии перекрыты |
Основные технические характеристики
|
Параметр |
Нормы для типоразмеров |
|
|
В71-23М-01 |
В71-24М-01 |
|
|
Условный проход, мм |
10 |
16 |
|
Номинальное давление, МПа |
1,0 |
|
|
Пропускная способность, Кv по ГОСТ14691-69, м3/ч, не менее |
1,6 |
3,6 |
|
Усилие переключения при номинальном давлении, Н (кгс), не более |
39,2 (4) |
|
|
Утечки воздуха из-под золотника при номинальном давлении, см3/мин, не более |
500 |
|
|
Число линий |
4 |
|
|
Полный 90%-ный ресурс, циклов, не менее |
4*106 |
|
|
Масса, кг |
0,9 |
1,02 |
|
Присоединительные резьбы по ГОСТ6111-52 |
G3/8" |
G1/2" |
|
Габаритные размеры, мм |
70х71х107 |
86х78х115 |
Таблица соответствия устаревших наименований
|
Устаревшее наименование |
Действующий Аналог |
Условный проход, мм |
Пропускная способность, м³/ч |
Номинальное давление, Мпа |
|
Пневмораспределитель 12-11 |
В71-23М-02 |
10 |
1,6 |
1,0 |
|
Пневмораспределитель 12-21 |
В71-23М-01 |
|
1,6 |
1,0 |
|
Пневмораспределитель 16-11 |
В71-24М-02 |
16 |
3,6 |
1,0 |
|
Пневмораспределитель 16-21 |
В71-24М-01 |
16 |
3,6 |
1,0 |
|
Пневмораспределитель В71-33М |
В71-33А |
10 |
1,6 |
1,0 |
Посмотреть паспорт на распределители крановые: Паспорт В71-24М-000 ПС
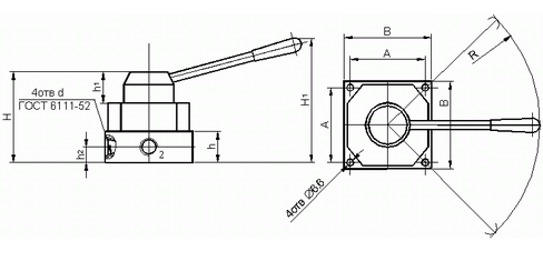
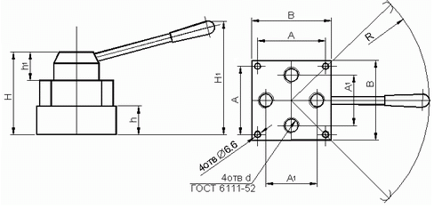
Размеры крановых распределителей В71(В72)-24М-01, В71(В72)-24М-02, В71(В72)-23М-01, В71(В72)-23М-02, В71(В72)-22М-01, В71(72)-22М-02
|
Марка |
Размер, мм |
||||||||
|
d |
A |
B |
H |
H1 |
h |
h1 |
h2 |
R |
|
|
В71-22М-01 |
G1/4" |
58 |
70 |
72 |
108 |
24,5 |
27 |
12 |
130 |
|
В71-23М-01 |
G3/8" |
58 |
70 |
72 |
108 |
24,5 |
27 |
12 |
130 |
|
В71-24М-01 |
G1/2" |
72 |
86 |
83 |
120 |
33 |
27 |
18,5 |
130 |
|
В72-22М-01 |
G1/4" |
58 |
70 |
72 |
108 |
24,5 |
27 |
12 |
130 |
|
В72-23М-01 |
G3/8" |
58 |
70 |
72 |
108 |
24,5 |
27 |
12 |
130 |
|
В72-24М-01 |
G1/2" |
72 |
86 |
83 |
120 |
33 |
27 |
18,5 |
130 |
|
Марка |
Размер, мм |
||||||||
|
d |
A |
A1 |
B |
H |
H1 |
h |
h1 |
R |
|
|
В71-22М-02 |
G1/4" |
58 |
46 |
70 |
70,5 |
108 |
24,5 |
27 |
130 |
|
В71-23М-02 |
G3/8" |
58 |
46 |
70 |
70,5 |
108 |
24,5 |
27 |
130 |
|
В71-24М-02 |
G1/2" |
72 |
57 |
86 |
78 |
120 |
33 |
27 |
130 |
|
В72-22М-02 |
G1/4" |
58 |
46 |
70 |
70,5 |
108 |
24,5 |
27 |
130 |
|
В72-23М-02 |
G3/8" |
58 |
46 |
70 |
70,5 |
108 |
24,5 |
27 |
130 |
|
В72-24М-02 |
G1/2" |
72 |
57 |
86 |
78 |
120 |
33 |
27 |
130 |
При монтаже крановые распределители закрепляются четырьмя винтами, для чего в каждом выполнены четыре монтажных отверстия диаметром 6,6 мм.
Пространственное положение пневмораспределителя при монтаже и работе - любое.
Каждый распределитель В71, В72 перед монтажом рекомендуется повторно проверить на прочность под давлением 1,5 МПа (15 бар).
Пневмораспределители В71-24М-01, В71-24М-02, В72-24М-01, В72-24М-02
Пневмораспределители В71-24М-01, В71-24М-02, В72-24М-01, В72-24М-02 крановые 4/3 (четырех линейные, трехпозиционные) с условным проходом 16 мм и резьбовым подсоединением G1/2" к пневмосети.
Пневмораспределитель В71-24М-01, В72-24М-01

Пневмораспределитель В71-24М-02, В72-24М-02
Характеристики кранов В72-24М-01, В72-24М-02, В71-24М-01, В71-24М-02
Присоединение пневмолиний: резьбовое G1/2";
Условный проход: 16 мм;
Давление номинальное: 10 бар (1,0 МПА);
Усилие на рукоятке при переключении: не более 39 Н
Масса распределителя: 1,02 кг.
Норматив: ТУ4151-002-00221287-96.
Отличия по присоединению трубопроводов (пневмолиний):
- распределители В71-24М-01, В72-24М-01 - на боковых сторонах основания;
- распределители В71-24М-02, В72-24М-02 - присоединительные отверстия на торце основания (снизу);

Пневмораспределители В71-24М-01, В71-24М-02 с среднем положении обе полости потребителя сообщены с атмосферой.

Пневмораспределители В72-24М-01, В72-24М-02 в среднем положении все линии перекрыты.
Отверстия для присоединения трубопроводов:
1 - подвода воздуха;
2, 4 - выходные отверстия для подсоединения к рабочему органу (например к цилиндру);
3 - отверстие для сброса воздуха (выход воздуха в атмосферу).
Примеры обозначения при заказе крановых распределителей В71 и В72 (Ду = 16 мм):
Пневмораспределитель В71-24М-01
Пневмораспределитель В71-24М-02
Пневмораспределитель В72-24М-01
Пневмораспределитель В72-24М-02
Пневмораспределители В71-23М-01, В71-23М-02, В72-23М-01, В72-23М-02
Крановые распределители В71-23М-01, В71-23М-02, В72-23М-01, В72-23М-02 (4-х линейные, 3-х позиционные) представляют собой пневмораспределители с мускульным управлением, с условным проходом 10 мм и подсоединением пневмолиний к пневмосети G3/8".
Пневмораспределитель В71-23М-01, В72-23М-01
Пневмораспределитель В71-23М-02, В72-23М-02
Характеристики распределителей В71-23М-01, В71-23М-02, В72-23М-01, В72-23М-02
Присоединение пневмолиний: резьбовое G3/8";
Условный проход: 10 мм;
Давление номинальное: 10 бар (1,0 МПА);
Усилие на рукоятке при переключении: не более 4 кгс;
Масса распределителя: 0,9 кг.
Норматив: ТУ4151-002-00221287-96.
Отличия по присоединению трубопроводов (пневмолиний):
- распределители В71-23М-02, В72-23М-02 - рабочие отверстия снизу;
- распределители В71-23М-01, В72-23М-01 - рабочие отверстия по бокам (с 4-х сторон) основания.
Схемы распределения сжатого воздуха

Распределители В71-23М-01, В71-23М-02 с среднем положении обе полости потребителя сообщены с атмосферой.

Распределители В72-23М-01, В72-23М-02 в среднем положении все линии перекрыты.
Отверстия для присоединения трубопроводов:
1 - напорная линия, через которую осуществляется подвода воздуха;
2, 4 - рабочие отверстия;
3 - выхлопное отверстие.
Примеры обозначения крановых распределителей В71 и В72 (Ду = 10 мм):
Пневмораспределитель В71-23М-01
Пневмораспределитель В71-23М-02
Пневмораспределитель В72-23М-01
Пневмораспределитель В72-23М-02
Пневмораспределители В71-22М-01, В71-22М-02, В72-22М-01, В72-22М-02
Пневмораспределители В71-22М-01, В71-22М-02, В72-22М-01, В72-22М-02 с ручным управлением являются наименьшими в серии распределителей В71- и В72, имеют условный проход Ду = 6 мм и присоединительную коническую резьбу G1/4". Схема работы 4/3 (4-х линейные, 3-х позиционные).
Пневмораспределитель В71-22М-01, В72-22М-01
Пневмораспределитель В71-22М-02, В72-22М-02
Характеристики распределителей В71-22М-01, В71-22М-02, В72-22М-01, В72-22М-02
Присоединение пневмолиний: резьбовое G1/4";
Условный проход: 6 мм;
Давление номинальное: 10 бар (1,0 МПА);
Усилие переключения (не более): 39 Н (4 кгс);
Масса распределителя: 0,9 кг.
Норматив: ТУ4151-002-00221287-96.
Отличия по присоединению трубопроводов (пневмолиний):
- распределители В71-22М-02, В72-22М-02 - отверстия снизу основания (нижний подвод);
- распределители В71-22М-01, В72-22М-01 - рабочие отверстия по бокам (подвод с торцов.;

Распределители В71-22М-01, В71-22М-02 с среднем положении обе полости потребителя сообщены с атмосферой.

Распределители В72-22М-01, В72-22М-02 в среднем положении все линии перекрыты.
Отверстия для присоединения трубопроводов:
2, 4 - рабочие отверстия;
3 - выхлопное отверстие.
Примеры обозначения крановых распределителей В71 и В72 (Ду = 6 мм, К1/4", Рном = 1,0 МПа):
Пневмораспределитель В71-22М-01Пневмораспределитель В71-22М-02
Пневмораспределитель В72-22М-01
Пневмораспределитель В72-22М-02
Пример записи условного обозначения распределителя кранового, четырехлинейного с условным проходом 16 мм, с боковым резьбовым присоединением пневмолиний, в среднем положении полости сообщены с атмосферой, климатическое исполнение УХЛ, категории размещения 4:
- пневмораспределитель крановый В71-24М-01 УХЛ4 ТУ2-053-1787-86.
То же, но с условным проходом 10 мм, с нижним резьбовым присоединением пневмолиний, в средней позиции все линии перекрыты, климатическое исполнение О, категория размещения 4:
- пневмораспределитель крановый В72-23М-02 О4 ТУ2-053-1787-86.