Описание гидрораспределителей ВЕХ16
- основного гидроуправляемого распределителя, обеспечивающего необходимые параметры (расход, давление, схема работы);
- пилотного гидрораспределителя (клапана, с электромагнитным управлением).
Направление воздействия на основной золотник осуществляется управляющим клапаном с меньшим условным проходом. В нашем случае, это гидрораспределитель ВЕ6 с двусторонним электромагнитным управлением.
Переход основного золотника в исходное (центральное) положение, обеспечиваются двумя пружинами, расположенными в корпусе, которые центрируют его после снятия гидравлического воздействия на торцы.
Структура условного обозначения ВЕХ16
|
1 |
2 |
3 |
4 |
. |
5 |
6 |
. |
7 |
. |
8 |
9 |
10 |
11 |
12 |
13 |
14 |
15 |
16 |
17 |
|
|
В |
ЕХ |
16 |
44 |
|
Г12 |
Н |
ЕТ |
Р |
10 |
УХЛ 4 |
| 1 | Номинальное давление |
Х = 32 МПа без обозначения = 25 МПа |
| 2 | Тип устройства | В = золотниковый гидрораспределитель |
| 3 | Вид управления | ЕХ = электрогидравлическое |
| 4 | Условный проход | 16 = 16 мм |
| 5 | Способ установки основного золотника в исходное положение |
Х = гидравлический возврат Ф = фиксацией без обозначения = пружинный возврат |
| 6 |
Схема распределения рабочей жидкости |
14, 24, 34, 44, 54, 64, 84, 134, 574, 574А, 574Е |
| 7 | Способ установки золотника вспомогательного гидрораспределителя |
без обозначения = с пружинным возвратом О = без пружинного возврата ОФ = без пружинного возврата с фиксацией |
| 8 | Напряжение |
Переменный ток: В24 = 24В В36 = 36В В110 = 110В В220 = 220В В380 = 380В Постоянный ток: Г12 = 12В Г24 = 24В Г48 = 48В Г110 = 110В Г220 = 220В |
| 9 | Тип электромагнита |
Н = электромагнит с кнопкой ручного управления М = электромагнит ЭМ6М |
| 10 | Подсоединение электрокабеля к электромагниту |
без обозначения = штепсельный разъем ЭМ6-900 Су = подвод через угловой соединитель "РМГ (ОНЦ) Сп = подвод через прямой соединитель 2 РМГ (ОНЦ) Д1 = выпрямитель переменного тока, встроенный в колодку привода |
| 11 | Присоединение потока управления ( для электрогидравлического управления) |
без обозначения = подвод от независимого потока, слив независимый Т = подвод от независимого потока, слив соединен с основным сливом Е = подвод от основного потока, слив независимый ЕТ = подвод от основного потока, слив соединен с основным сливом |
| 12 | Дроссельная плита |
без обозначения = без дроссельной плиты Р = регулирование на подводе потока управления Р2 = регулирование на отводе потока управления |
| 13 | Настройка хода основного золотника |
без обозначения = без ограничения хода золотника 10 = настройка хода со стороны отверстия А и В 11 = настройка хода со стороны отверстия А 12 = настройка хода со стороны отверстия В |
| 14 | Дросселирование потока управления |
без обозначения = без дросселирования В08 = дросселирующая диафрагма Д=0,8 мм В10 = дросселирующая диафрагма Д=1,0 мм В12 = дросселирующая диафрагма Д=1,2 мм |
| 15 | Наличие обратного гидроклапана |
без обозначения = без гидроклапана Н50 = гидроклапан с давлением открывания 0,50МПа Н70 = гидроклапан с давлением открывания 0,70МПа |
| 16 | Наличие гидроклапана соотношения давления |
без обозначения = без гидроклапана Д = гидроклапан соотношения давлений |
| 17 | Климатическое исполнение и категория размещения | УХЛ 4 |
Характеристики гидрораспределителей ВЕХ16
|
Давление на выходе, МПа |
|
|
Давление на сливе, МПа |
|
|
Максимальный расход, л/мин |
240 |
|
Температура рабочей жидкости, °C |
-30...+80 |
|
Температура окружающей среды, °C |
до +50 |
|
Диапазон вязкостей жидкости, сСт |
10-400 |
|
Напряжение питания, В: |
|
|
Продолжительность включения, мин. |
10-60 |
|
Масса ВЕХ16 с 2-ми катушками, кг |
12,5 |
Схемы распределения потоков рабочей жидкостей в ВЕХ16
| Номер схемы | Условное обозначение | Последовательность соединения каналов при подключении | Номер схемы | Условное обозначение | Последовательность соединения каналов при подключении |
| Для двухмагнитных распределителей | |||||
| 14 |
|
|
24 |
|
|
| 34 |
|
|
44 |
|
|
| 54 |
|
|
64 |
|
|
| 64А |
|
|
74 |
|
|
| 84 |
|
|
84А |
|
|
| 94 |
|
|
124 |
|
|
| 134 |
|
|
154 |
|
|
| Для одномагнитных распределителей | |||||
| 574 |
|
|
574А |
|
|
| 574Е |
|
|
14-А |
|
|
| 24-А |
|
|
34-А |
|
|
| 44-А |
|
|
54-А |
|
|
| 64-А |
|
|
64А-А |
|
|
| 74-А |
|
|
84-А |
|
|
| 84А-А |
|
|
94-А |
|
|
| 124-А |
|
|
134-А |
|
|
| 154-А |
|
|
14-В |
|
|
| 24-В |
|
|
34-В |
|
|
| 44-В |
|
|
54-В |
|
|
| 64-В |
|
|
64А-В |
|
|
| 74-В |
|
|
84-В |
|
|
| 84А-В |
|
|
94-В |
|
|
| 124-В |
|
|
134-В |
|
|
| 154-В |
|
|
|
||
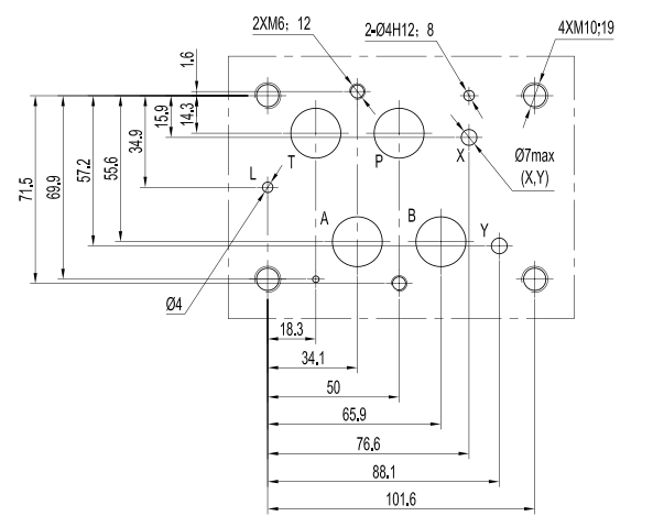
Габаритные и присоединительные размеры ВЕХ16
.png)
Примечания:
- отверстие P - для входа рабочей жидкости под давлением;
- отверстия A и B - для присоединения к другим гидравлическим устройствам;
- отверстия T - отверстие для выхода рабочей жидкости в бак;
- отверстия X - подвод потока управления;
- отверстия Y - слив потока управления;
- отверстие L - дренаж для исполнений ВЕХ16Х.
Устройство и принцип работы ВЕХ16
Распределитель ВЕХ16 состоит из корпуса, в котором установлен золотник, и две пружины герметично закрытые через уплотнения крышками. На корпус установлен распределитель с двумя соленоидами.
Через канал "P" в корпусе, рабочая жидкость от напорной линии поступает в полость в которой размещен золотник и в напорную полость распределителя.
Далее, в корпусе, поток может поступать либо в одно из рабочих отверстий ("А","В"),либо в отверстие "T", соединенное со сливной магистралью, может быть блокирован золотником, и другие варианты.
Именно конструкция шеек золотника гидрораспределителя ВЕХ16 обуславливает заданную схему работы.
Для обеспечения работы согласно схемы (см. структуру условного обозначения) золотник должен переместиться в крайнее положение. При этом одна их рабочих линий ("А","В") соединяется с напорной магистралью "P", а другая со сливной "T".
При перемещении в противоположном направлении, все соединяется зеркально.
Для перемещения золотника, надо чтобы напор от распределителя, при срабатывании электромагнитной катушки, начал поступать в одну из полостей в крышке.
Создаваемое в крышке давление, преодолевает усилие пружины с противоположной стороны и перемещает золотник в крайнее положение.
В таком состоянии золотник находится до тех пор, пока не прекратится подача электрического тока на соленоид гидрораспределителя.
При отсутствии воздействия на катушки, распределитель работает так, что давление от него распространяется тождественно на обе стороны золотника, и под усилием пружин он перемещается в среднее положение - "центрируется".
При подключении соленоида с другой стороны, все происходит зеркально.
