Описание шестеренных насосов GP1*, GP2*, GP3*

- Шестеренные насосы GP1, GP2, GP3 представляют собой насосы фиксированной производительности с шестернями внешнего зацепления с компенсацией осевого зазора.
- Насосы GP характеризуются значительными величинами расхода даже при высоких давлениях, низким уровнем шума и продолжительным сроком службы благодаря системе балансировки нагрузки на направляющих втулках. Радиальные и осевые нагрузки не допускаются.
- Насосы GP подразделяются на три типоразмера производительностью соответственно 9.1, 27.9 и 87.6 см³/об и рабочими давлениями до 250 бар (в стандартном варианте) и до 310 бар (в варианте высокого давления "Н").
- Насосы GP поставляются в различных вариантах исполнения и могут комбинироваться с целью создания многосекционного шестеренного насоса.

Структура обозначения одиночных и передних насосов GP*
|
1 |
- |
2 |
3 |
4 |
5 |
/ |
6 |
|---|---|---|---|---|---|---|---|
|
GP2 |
0070 |
R |
97 |
F |
20NH |
| 1 | Тип устройства |
GP1 = насос шестерённый, 1,3...9,1 см³/об, типоразмер 1 GP2 = насос шестерённый, 7,0...27,9 см³/об, типоразмер 2 GP3 = насос шестерённый, 20,7...87,6 см³/об, типоразмер 3 |
| 2 | Номинальный размер насоса | 0070 = 7 см³/об, 10,5 л/мин |
| 3 | Направление вращения |
R = по часовой стрелке L = против часовой стрелки |
| 4 | Крепёжный фланец |
9 = прямоугольного типа с 4-мя отверстиями (стандартный вариант) 0 = с 2-мя отверстиями по SAE-J744 |
| Тип вала |
7 = с конический со шпонкой (стандартный вариант) 5 = с цилиндрический со шпонкой 0 = с цилиндрический со шпонкой по SAE-J744 1 = шлицевой по SAE-J744 |
|
|
5 |
Гидравлическое присоединение |
F = фланцевое (стандартный вариант) B = резьбовые соединения BSP U = резьбовые соединения UNF |
| 6 | Серия | 20 |
| Уплотнения | N = NBR для минеральных масел | |
| Исполнение | H = вариант высокого давления (пропустить для стандартного исполнения) |
Технические (рабочие) характеристики насосов GP1, GP2, GP3 (значения для минерального масла с вязкостью 36 сСт при 50°C)
|
Типоразмер |
Ном. размер |
Производительность |
Макс. расход * |
Макс. рабочее |
Пиковое |
Макс. (Мин.) |
Пример обозначения при заказе |
|---|---|---|---|---|---|---|---|
|
GP1 |
GP1-0013 |
1,3 |
2,0 |
250 (270) |
290 (310) |
6000 (800) |
Насос GP1-0013R97F/20N |
|
GP1-0020 |
2,0 |
3,0 |
Насос GP1-0020R97F/20N |
||||
|
GP1-0027 |
2,7 |
4,0 |
5000 (800) |
Насос GP1-0027R97F/20N |
|||
|
GP1-0034 |
3,4 |
5,1 |
Насос GP1-0034R97F/20N |
||||
|
GP1-0041 |
4,1 |
6,1 |
4000 (800) |
Насос GP1-0041R97F/20N |
|||
|
GP1-0051 |
5,1 |
7,6 |
230 (260) |
260 (290) |
Насос GP1-0051R97F/20N |
||
|
GP1-0061 |
6,1 |
9,1 |
3800 (800) |
Насос GP1-0061R97F/20N |
|||
|
GP1-0074 |
7,4 |
11,1 |
200 |
230 |
3200 (600) |
Насос GP1-0074R97F/20N |
|
|
GP1-0091 |
9,1 |
13,6 |
180 |
210 |
2600 (600) |
Насос GP1-0091R97F/20N |
|
|
GP2 |
GP2-0070 |
7,0 |
10,5 |
250 (280) |
290 (310) |
4000 (600) |
Насос GP2-0070R97F/20N |
|
GP2-0095 |
9,5 |
14,2 |
3000 (600) |
Насос GP2-0095R97F/20N |
|||
|
GP2-0113 |
11,3 |
16,9 |
230 (260) |
270 (300) |
4000 (600) |
Насос GP2-0113R97F/20N |
|
|
GP2-0140 |
14,0 |
21,0 |
Насос GP2-0140R97F/20N |
||||
|
GP2-0158 |
15,8 |
23,7 |
210 (260) |
240 (290) |
4000 (500) |
Насос GP2-0158R97F/20N |
|
|
GP2-0178 |
17,8 |
26,7 |
3600 (500) |
Насос GP2-0178R97F/20N |
|||
|
GP2-0208 |
20,8 |
31,2 |
180 (230) |
210 (260) |
3200 (500) |
Насос GP2-0208R97F/20N |
|
|
GP2-0234 |
23,4 |
35,1 |
3000 (500) |
Насос GP2-0234R97F/20N |
|||
|
GP2-0279 |
27,9 |
41,8 |
170 (200) |
200 (230) |
2500 (500) |
Насос GP2-0279R97F/20N |
|
|
GP3 |
GP3-0207 |
20,7 |
31,0 |
230 (280) |
270 (310) |
3500 (500) |
Насос GP3-0207R97F/20N |
|
GP3-0225 |
22,5 |
33,7 |
Насос GP3-0225R97F/20N |
||||
|
GP3-0264 |
26,4 |
39,6 |
3000 (500) |
Насос GP3-0264R97F/20N |
|||
|
GP3-0337 |
33,7 |
50,5 |
Насос GP3-0337R97F/20N |
||||
|
GP3-0394 |
39,4 |
59,1 |
220 (260) |
260 (290) |
Насос GP3-0394R97F/20N |
||
|
GP3-0427 |
42,7 |
64,0 |
210 (250) |
250 (280) |
2800 (400) |
Насос GP3-0427R97F/20N |
|
|
GP3-0514 |
51,4 |
77,1 |
200 (230) |
240 (260) |
2400 (400) |
Насос GP3-0514R97F/20N |
|
|
GP3-0600 |
60,0 |
90,0 |
190 |
220 |
2800 (400) |
Насос GP3-0600R97F/20N |
|
|
GP3-0696 |
69,6 |
104,4 |
170 |
200 |
2500 (400) |
Насос GP3-0696R97F/20N |
|
|
GP3-0776 |
77,6 |
116,4 |
160 |
190 |
2300 (400) |
Насос GP3-0776R97F/20N |
|
|
GP3-0876 |
87,6 |
131,4 |
140 |
170 |
2000 (400) |
Насос GP3-0876R97F/20N |
ПРИМЕЧАНИЕ: Значения, данные в скобках, относятся к исполнению для высокого давления "Н".
* - значения даны при частоте вращения вала насоса GP равной 1500 об/мин.
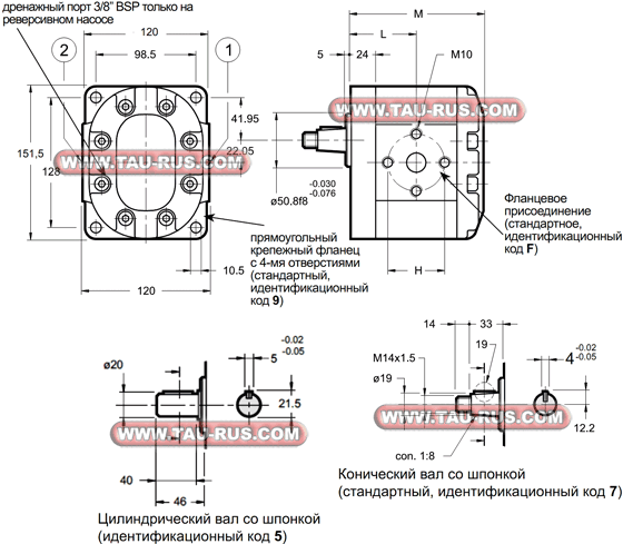
Габаритные и монтажные размеры насосов GP1- со стандартным фланцем
|
Номинальный размер насоса |
L |
M |
(1) всасывающее отверстие, вращение по часовой стрелке |
(2) напорное отверстие, вращение по часовой стрелке |
||
|
фланец |
BSP |
фланец |
BSP |
|||
|
GP1-0013 |
40 |
80.5 |
Ø 13 |
G 1/2” |
Ø 13 |
G3/8” |
|
GP1-0020 |
41 |
82.5 |
||||
|
GP1-0027 |
42 |
84.5 |
||||
|
GP1-0034 |
43 |
86.5 |
||||
|
GP1-0041 |
44 |
88.5 |
G1/2” |
|||
|
GP1-0051 |
45,5 |
91.5 |
||||
|
GP1-0061 |
47 |
94.5 |
||||
|
GP1-0074 |
49 |
98.5 |
||||
|
GP1-0091 |
51,5 |
103.5 |
||||
Габаритные и монтажные размеры насосов GP2- со стандартным фланцем
|
Номинальный размер насоса |
L |
M |
(1) всасывающее отверстие, вращение по часовой стрелке |
(2) напорное отверстие, вращение по часовой стрелке |
||
|
фланец |
BSP |
фланец |
BSP |
|||
|
GP2-0070 |
47,5 |
97.5 |
Ø 13 |
G1/2” |
Ø 13 |
G1/2” |
|
GP2-0095 |
49,5 |
101.5 |
||||
|
GP2-0113 |
51 |
104.5 |
Ø 19 |
|||
|
GP2-0140 |
53 |
108.5 |
G3/4” |
|||
|
GP2-0158 |
54,5 |
111.5 |
||||
|
GP2-0178 |
56 |
114.5 |
||||
|
GP2-0208 |
58,5 |
119.5 |
Ø 19 |
|||
|
GP2-0234 |
60,5 |
123.5 |
||||
|
GP2-0279 |
64 |
130.5 |
||||
Габаритные и монтажные размеры насосов GP3- со стандартным фланцем
|
Номинальный размер насоса |
L |
M |
(1) всасывающее отверстие, вращение по часовой стрелке |
(2) напорное отверстие, вращение по часовой стрелке |
||||
|
H |
фланец |
BSP |
H |
фланец |
BSP |
|||
|
GP3-0207 |
64 |
129,5 |
56 |
Ø 27 |
G3/4” |
56 |
Ø 19 |
G3/4” |
|
GP3-0225 |
64,5 |
130,5 |
56 |
56 |
||||
|
GP3-0264 |
66 |
133,5 |
56 |
G1” |
56 |
|||
|
GP3-0337 |
68,5 |
138,5 |
56 |
56 |
||||
|
GP3-0394 |
70,5 |
142,5 |
56 |
56 |
||||
|
GP3-0427 |
72 |
145,5 |
51 |
G1”1/4 |
51 |
Ø 27 |
G1” |
|
|
GP3-0514 |
75 |
151,5 |
56 |
56 |
||||
|
GP3-0600 |
78 |
157,5 |
62 |
Ø 33 |
51 |
|||
|
GP3-0696 |
81,5 |
164,5 |
62 |
G1”1/4 |
51 |
G1” |
||
|
GP3-0776 |
84 |
169,5 |
62 |
51 |
||||
|
GP3-0876 |
87 |
175,5 |
62 |
51 |
||||