Описание клапанов предохранительных PRM7
- Клапаны PRM7-PT6/10N/S(K), PRM7-PT5/10N/S(K), PRM7-PT4/10N/S(K) (в старом исполнении RQ07M*-SP) являются перепускными предохранительными клапаном с пилотным управлением в модульном исполнении с монтажной поверхностью, соответствующей стандартам CETOP и ISO.
- Клапаны PRM7* могут быть смонтированы со всеми модульными клапанами CETOP 07 без использования трубопроводов, а только с помощью соответствующих шпилек или болтов.
- Клапаны PRM7* могут быть быстро смонтированы с направляющими клапанами DSP7* без использования дополнительных соединительных элементов.
- Клапан доступен в варианте для одиночного регулирования на магистрали P со сбросом в магистраль T с двумя диапазонами регулирования давления.
- Клапан обычно используется в качестве ограничителя давления в гидравлической системе.
- Обычно клапан поставляется в исполнении с регулятором в виде винта.
- Используйте гидравлические жидкости на основе минеральных масел с добавлением применимых антивспенивателей и антиоксидантов. По поводу использования других типов жидкостей (водно-гликолевые растворы, фосфатные эфиры и т.п.) проконсультируйтесь, пожалуйста, в нашем отделе технической поддержки.
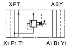
Гидравлическая схема
Обозначение клапанов PRM7-PT6/10N/S(K), PRM7-PT5/10N/S(K), PRM7-PT4/10N/S(K)
|
1 |
- |
2 |
3 |
/ |
4 |
5 |
/ |
6 |
|
PRM7 |
PT |
6 |
10 |
N |
S |
| 1 | Тип устройства | PRM7 = клапан предохранительный модульного монтажа, CETOP 07 (Ду=16 мм) |
| 2 | Вариант исполнения | PT = Регулировка в канале Р, слив в канал Т |
| 3 | Диапазон регулировки давления |
4= до 160 бар; 5 = до 250 бар; 6 = до 320 бар |
| 4 | Серия | 10 |
| 5 | Уплотнение | N = NBR |
| 6 | Регулировка |
S = регулировочный винт (стандарт) K = регулировочная ручка |
Параметры клапанов PRM7-PT6/10N/S(K), PRM7-PT5/10N/S(K), PRM7-PT4/10N/S(K)
|
ПАРАМЕТРЫ |
Клапан PRM7-PT4/10N/S(K) |
Клапан PRM7-PT5/10N/S(K) |
Клапан PRM7-PT6/10N/S(K) |
|
|
Максимальное рабочее давление |
бар |
350 |
||
|
Диапазон настройки давления |
бар |
до 160 |
до 250 |
до 320 |
|
Максимальный расход рабочей жидкости |
л/мин |
300 |
||
|
Диапазон температур рабочей жидкости |
°C |
-20...+80 |
||
|
Рекомендуемая вязкость рабочей жидкости |
сСт |
25 |
||
|
Класс чистоты рабочей жидкости |
- |
Класс 10 по NAS 1638 |
||
|
Масса клапана не более |
кг |
8,5 |
||
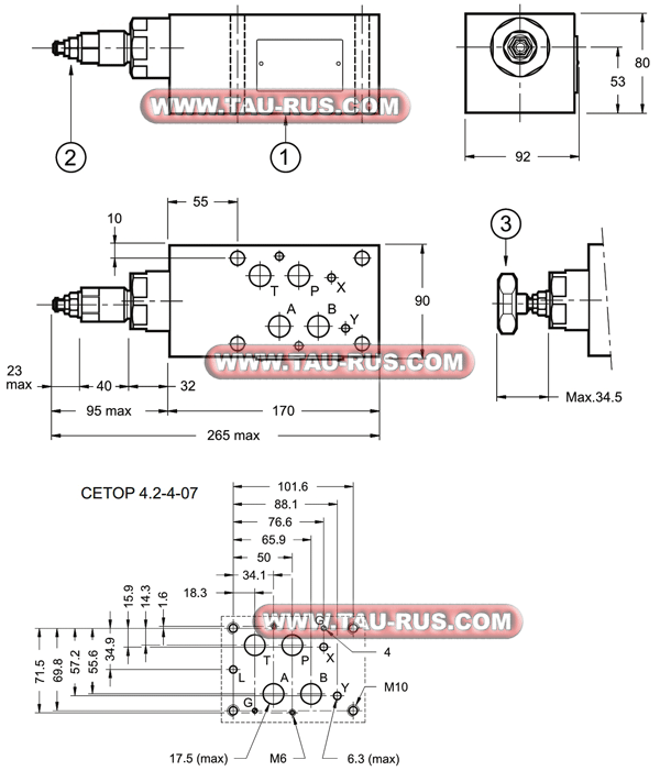
Размеры клапанов PRM7-PT6/10N/S(K), PRM7-PT5/10N/S(K), PRM7-PT4/10N/S(K)

1 = Монтажная поверхность с уплотнительными кольцами (OR):
4 шт. типа OR3087
4 шт. типа OR2043 (OR)
2 = Стандартный регулировочный винт.
Для увеличения давления вращать по часовой стрелке
3 = Ручка регулировки K (по заказу).
Для увеличения давления вращать по часовой стрелке
PRM7-PT6/10N/S - Предохр. клапан CETOP 07, 15-320 бар, модульный монтаж
PRM7-PT5/10N/S - Предохр. клапан CETOP 07, 15-250 бар, модульный монтаж
PRM7-PT4/10N/S - Предохр. клапан CETOP 07, 15-160 бар, модульный монтаж
PRM7-PT6/10NL/S - Предохр. клапан CETOP 07, модульный монтаж, низкотемпературное исполнение -40°C - +40°C