Фильтр
Сначала популярные
Пневмоклапаны ПЭК-3/2,5-31, ПЭК-3/2,5-61
|
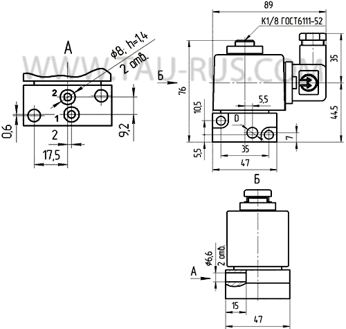
Пневмораспределители ПЭК3/2,5-31, ПЭК3/2,5-61 Ду=2,5 мм являются пневмораспределителями 3/2 c боковым стыковым присоединением, применяются в качестве пилотных клапанов для пневмораспределителей У71. Стыковая плита пневмораспределителей ПЭК 3/2,5-31, ПЭК 3/2,5-61 имеет два рабочих отверстия на одной боковой стороне основания и кнопку для ручного управления. На основании плиты крепится электромагнитная катушка (стандарт 24 В постоянного тока, но возможны и другие варианты напряжений, например, 110 В постоянного тока). Пневмораспределители (пилотные клапаны) ПЭК-3-2,5-31, ПЭК-3-2,5-61... работают на сжатом воздухе, очищенном не грубее 10 класса по ГОСТ 17433 и содержащем распыленные мелкодисперсные капельки масла кинематической вязкостью 10-35 сантистокс при положительной температуре 1-50 °C. Основные параметры пневмораспределителей (клапанов) ПЭК 3-2,5-31, ПЭК 3-2,5-61: - диаметр условного прохода равен 2,5 мм; - пропускная способность не менее 0,12 м³/ч; - присоединение стыковое боковое; - исполнение: ручное (кнопочное) управление. Одно из основных назначений клапанов ПЭК 3-2,5-31, ПЭК 3-2,5-61 - в качестве пилотов в конструкции клапанов сблокированных сдвоенных трёхходовых У71-22А (У71-24А, У71-26А). |
Технические характеристики пневмораспределителей ПЭК3/2,5-31, ПЭК3/2,5-61
| Наименование параметра | Значение |
| Диаметр условного прохода, мм | 2,5 |
| Ном. / мин. давление, МПа | 1,0 / 0,1 |
| Пропускная способность (Кv) не менее, м³/ч | 0,12 |
|
Время срабатывания не более, с: -вкл. / выкл. на постоянном токе -вкл. и выкл. на переменном токе |
0,025 / 0,012 0,012 |
| Утечка воздуха из полостей не более, см³/мин | 5 |
| Макс. число переключений в минуту | 500 |
| Ном. напряжение питания, В | 24, 110 пост. ток |
| Ном. потребляемая мощность, Вт | 12 |
| Превышение температуры катушки над t окр. воздуха не более, °С | 85 |
| Масса не более, кг | 0,5 |
Габаритные и присоединительные размеры пневмораспределителей ПЭК3/2,5-31, ПЭК3/2,5-61
Размеры ПЭК-3/2,5-31
|
Размеры ПЭК-3/2,5-61
|
Пример условного обозначения пневмораспределителя с электромагнитным управлением 3/2, исполнение корпуса по присоединению к пневмосети боковое стыковое, с кнопочным ручным управлением, присоединение к электросети с постоянным напряжением 24 В, климатического исполнения для районов с умеренным и холодным климатом, категория размещения 4:
Пневмораспределитель ПЭК 3/2,5-31 УХЛ4

Пневмоклапаны ПЭК-3/2,5-31, ПЭК-3/2,5-61