2/2 - 3/2 Пневмоуправление - пружинный возврат

2/2 - 3/2 Пневмоуправление - пружинный возврат
|
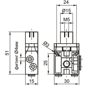
2/2 - 3/2 Пневмоуправление с пружинным возвратом двухлинейное двухпозиционное и трёхлинейное двухпозиционное имеет массу 25 г и минимальное давление управления 2,5 бар. Варианты исполнения присоединения сбоку или снизу и схемы переключений 2/2 и 3/2 приведены на следующих схемах:
Присоединения сбоку:
|
Присоединения снизу:
|
Схемы переключений 2/2 и 3/2:
|
Расшифровка маркировки:
|
104
|
.
|
ХХ
|
.
|
11.1
|
.
|
Х
|
|
Х
|
|
|
|
|
|
|
Исполнение: C=нормально закрытый, НЗ, А=нормально открытый, НО
|
|
Вид присоединения: L=сбоку, P=справа
|
|
Пневмоуправление - пружинный возврат
|
|
Тип: 22 = 2-х линейный, 32 = 3-х линейный
|
|
Серия распределителей
|
Примеры условного обозначения:
Пневмораспределитель 104.22.11.1.LC
Пневмораспределитель 104.32.11.1.LC
Пневмораспределитель 104.22.11.1.PC
Пневмораспределитель 104.32.11.1.PC
Пневмораспределитель 104.22.11.1.LA
Пневмораспределитель 104.32.11.1.LA
Пневмораспределитель 104.22.11.1.PA
Пневмораспределитель 104.32.11.1.PA
Все пневмораспределители 104 серии:
- 2/2 - 3/2 Плунжер - Пружинный возврат
- 2/2 - 3/2 Пневмоуправление - Пружинный возврат
- 2/2 - 3/2 Кнопка - Пружинный возврат
- 2/2 - 3/2 Кнопка высокая - Пружинный возврат
- 2/2 - 3/2 Кнопка 2-х позиционная (с фиксацией)
- 2/2 - 3/2 Кнопка-"грибок" 2-х позиционная ("аварийная")
- 2/2 - 3/2 Переключатель 2-х позиционный (короткая ручка)
- 2/2 - 3/2 Переключатель 2-х позиционный (длинная ручка)
- 2/2 - 3/2 Переключатель с ключом, 2-х позиционный
- 2/2 - 3/2 Рычаг с роликом - Пружинный возврат
- 2/2 - 3/2 Рычаг с роликом - Пружинный возврат (подшипник в качестве ролика)
- 2/2 - 3/2 "Ломающийся" рычаг - Пружинный возврат
- 5/2 Кнопка - Пружинный возврат
- 5/2 Кнопка 2-х позиционная (с фиксацией)
- 5/2 Кнопка высокая - Пружинный возврат
- 5/2 Кнопка-"грибок" 2-х позиционная ("аварийная")
- 5/2 - 5/3 Переключатель 2-х или 3-х позиционный (короткая ручка)
- 5/2 - 5/3 Переключатель 2-х или 3-х позиционный (длинная ручка)
- 5/2 - 5/3 Переключатель с ключом, 2-х или 3-х позиционный
- Дополнительные аксессуары
- Дополнительные аксессуары
|