
Описание редукционных клапанов MPRV
Редукционный клапан MPRV используется в гидравлических системах для понижения и поддержания давления в заданном диапазоне в определённой части системы, независимо от изменений давления на входе.Структура условного обозначения MPRV
|
1 |
- |
2 |
- |
3 |
- |
4 |
- |
5 |
|
MPRV |
2 |
А |
К |
1 |
|
1 | Тип устройства | MPRV = модульный редукционный клапан |
|
2 | Условный проход | 02 = 6 мм |
| 03 = 10 мм | ||
| 04 = 16 мм | ||
|
3 | Функциональные порты |
A = A-> T ![]() |
B = B -> T ![]() | ||
|
4 | Тип регулировки | К = пластиковая ручка |
| Без обозначения = ручка отсутствует | ||
|
5 | Диапазон регулировки давления | 1 = 8~70 бар |
| 2 = 35~140 бар | ||
| 3 = 70~250 бар | ||
|
4 = 100~315 бар |
Технические характеристики серии
| Модель |
MPRV-02 |
MPRV-03 |
MPRV-04 |
| Условный проход, мм |
6 |
10 |
16 |
| Расход, л/мин: |
35 |
70 |
300 |
| Рабочая температура, °C |
-30 до +80 | ||
| Рабочая среда |
Минеральное масло | ||
|
Класс чистоты масла по ISO4406 | Класс 20/18/15 | ||
| Диапазон давления на входе, Мпа |
0,5...31,5 | ||
| Масса кг, не более |
1,3 |
3,4 |
6 |
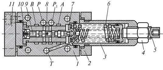
Устройство и принцип работы
Редукционный клапан состоит из следующих элементов: корпус с колпачком, контргайка и регулировочный винт, фланец, пружин, крышки и подпятник. Внутри втулки размещены золотник и демпфер.
Жидкость под давлением поступает в клапан через входной канал (P), расположенный на нижней торцевой поверхности. Затем поток направляется через отверстия втулки (8), частично перекрываемые дросселирующей кромкой золотника (9), и выводится через выходной канал (P1) на верхней торцевой плоскости, где происходит сброс давления.
Регулируемое давление (p) передаётся через канал в золотнике и демпфере (10) в правую торцевую полость, вынуждая золотник смещаться влево, преодолевая усилие пружин (6). В случае превышения давления (p) над установленным значением золотник сдвигается дальше влево, увеличивая дросселирование входного потока. Если же давление (p) падает ниже заданного уровня, золотник возвращается в исходное положение, уменьшая степень дросселирования.
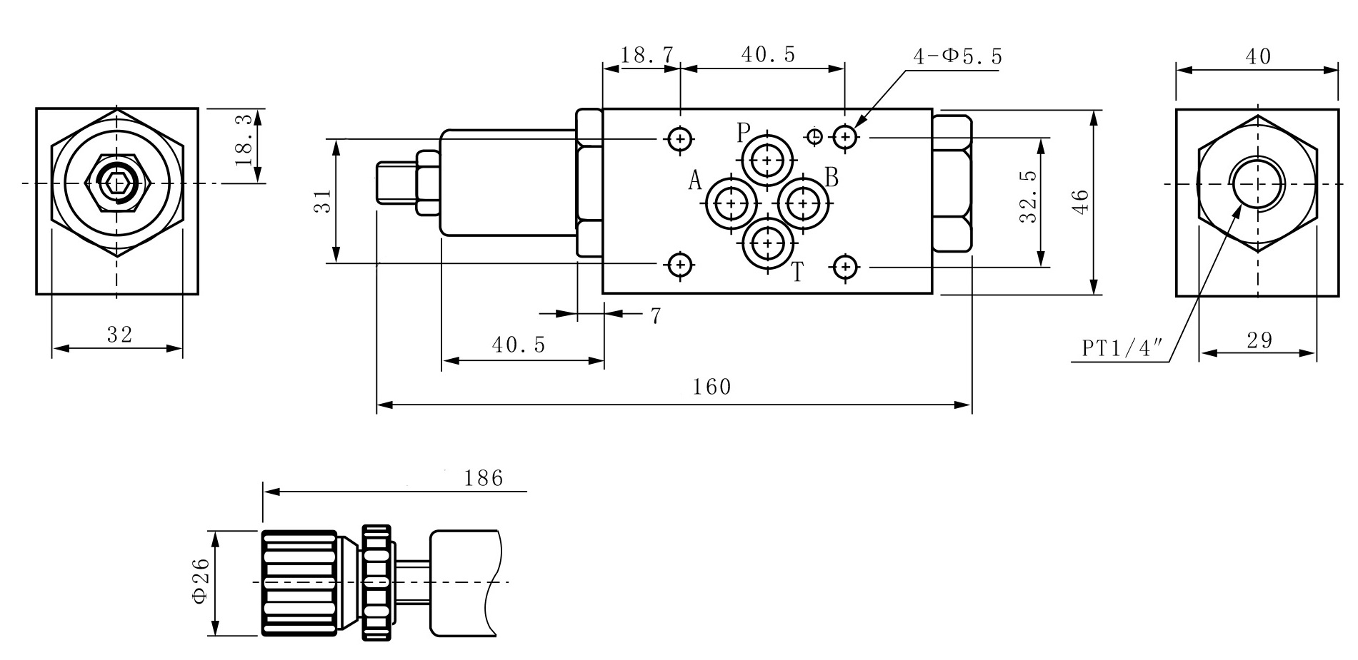
Габаритные и присоединительные размеры MPRV-02-A

Габаритные и присоединительные размеры MPRV-02-B
.jpg)
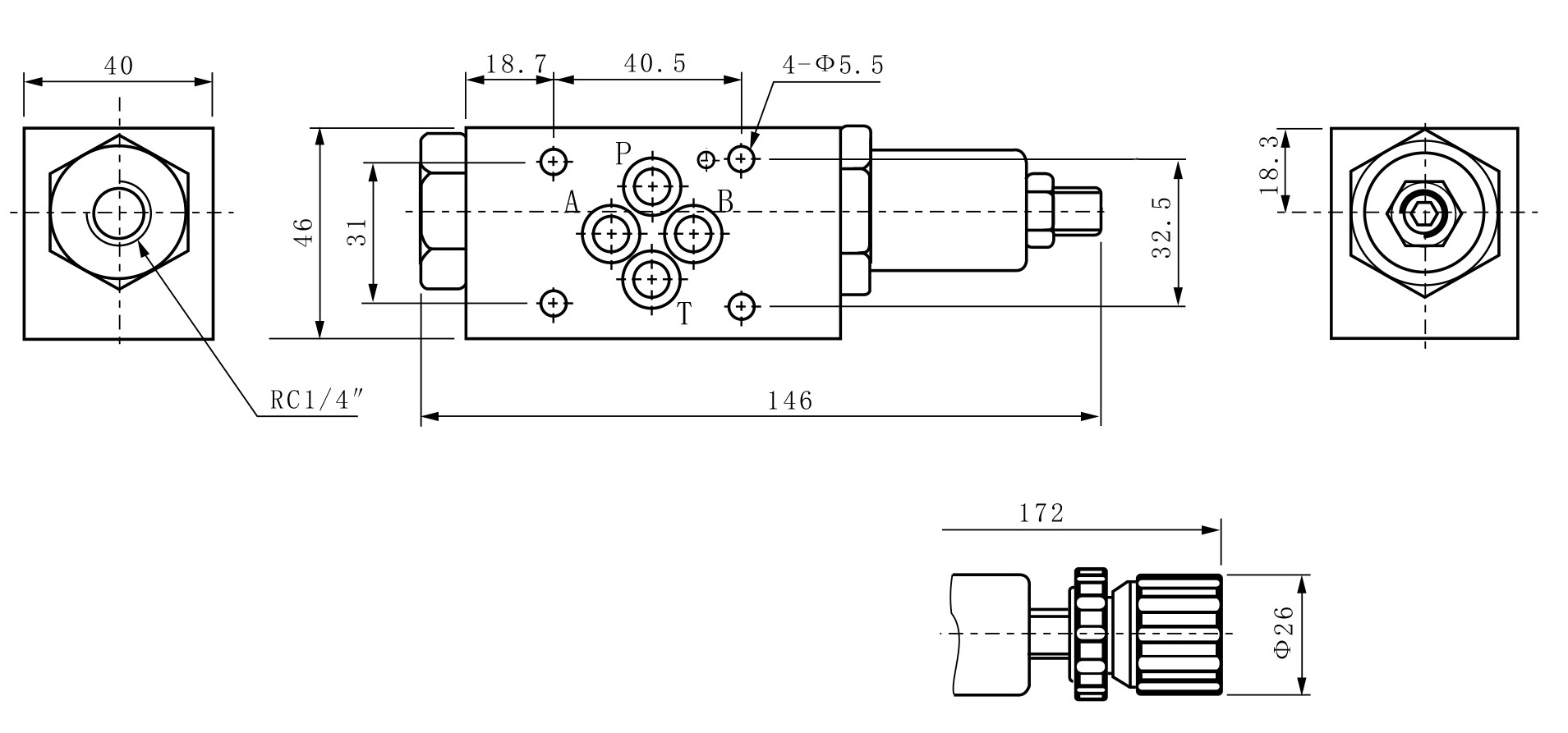
Габаритные и присоединительные размеры MPRV-03-A(B)
.jpg)
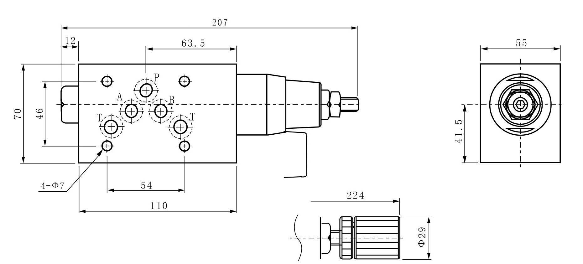
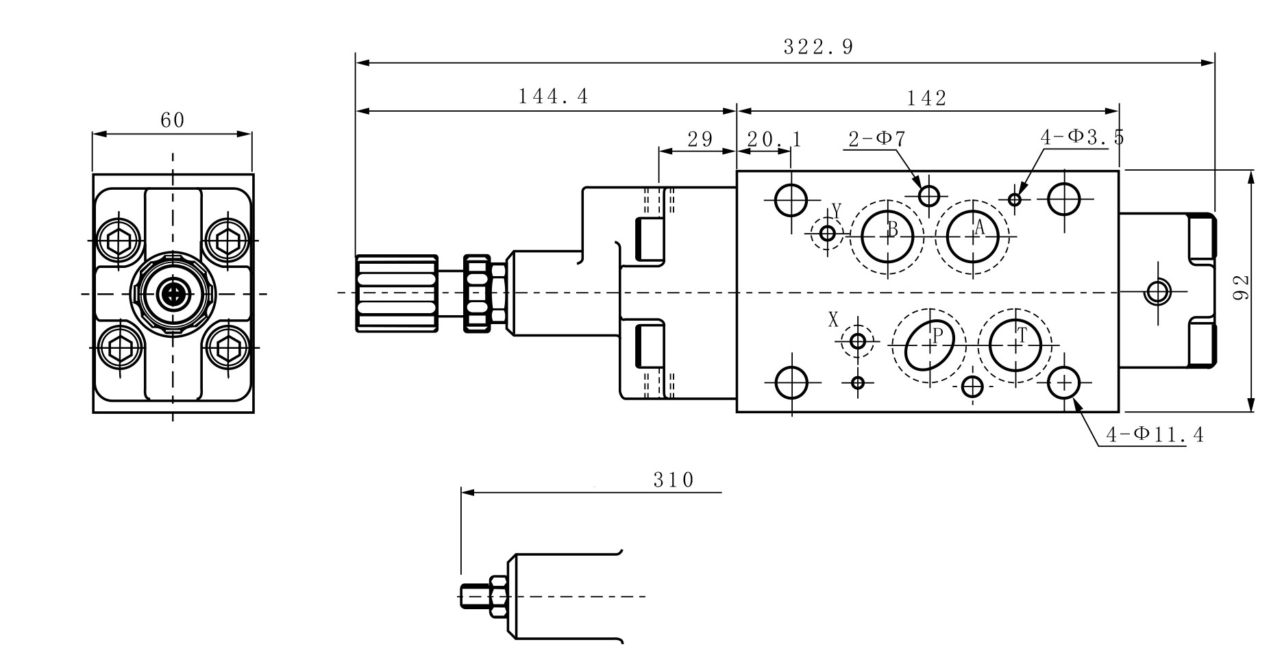
Габаритные и присоединительные размеры MPRV-04-A(B)

