Пневмораспределители В64-23А-03, В64-24А-03, В64-25А-03, В64-33А-03, В64-34А-03 с резьбовым присоединением к пневмолиниям, четырехлинейные двухпозиционные с односторонним электроуправлением, пружинным или пневматическим возвратом предназначены для изменения направления движения потоков сжатого воздуха в пневматических приводах станков и станочного оборудования.
В распределителях данной серии (В64) распределение потоков сжатого воздуха осуществляется парой плоский золотник-плита. Золотник с канавкой, перемещаясь перекрывает попарно сообщающиеся между собой отверстия, которые выведены на плоскую поверхность плиты и соединены с резьбовыми отверстиями для присоединения пневмолиний.
Конструкция и принцип работы пневмораспределителей В64
с односторонним электроуправлением
Климатические исполнения пневмораспределителей В64 УХЛ4 и О4 (только для поставок в районы с тропическим климатом) по ГОСТ 15150—69.
Работают пневмораспределители В64 на сжатом воздухе, очищенном не грубее 10 класса загрязненности по ГОСТ 17433—80 и содержащем распыленное масло вязкостью 10—35 мм²/с (сСт) при температуре 50 °С с концентрацией из расчета 2—4 капли на 1 м³ воздуха, приведенного к условиям по ГОСТ 12449—80.



Характеристики пневмораспределителя В64-23А-03, В64-24А-03, В64-25А-03, В64-33А-03, В64-34А-03
|
Параметр |
Нормы для типоразмеров |
||
|
В64-33А-03 |
В64-34А-03 |
В64-25А-03 |
|
| Условный проход пневмораспределителя, мм |
10 |
16 |
20 |
| Номинальное / минимальное давление, МПа |
0,63 / 0,25 |
||
| Пропускная способность, Кv по ГОСТ14691-69, м³/ч, не менее |
1,9 |
2,8 |
5,0 |
| Время срабатывания при давлении 0,4 МПа, с, не более |
0,1 |
||
| Номинальное напряжение питания, В: постоянного тока / переменного тока 50Гц / переменного тока 60Гц |
12,24,48,110 / 24,110,220,380 / 110,220 |
||
| Номинальная потребляемая мощность, не более: постоянного тока, Вт / переменного тока 50Гц, ВА / переменного тока 60Гц, ВА |
7 / 9 / 12 |
||
| Масса, кг |
1,7 |
1,7 |
2,8 |
| Присоединительные резьбы по ГОСТ 6111-52 |
К3/8" |
К1/2" |
К3/4" |
Условное обозначение пневмораспределителей В64-...-03 (220В, 110В, 24В)
|
1 |
- |
2 |
3 |
- |
4 |
5 |
6 |
|
В64 |
3 |
4А |
03 |
24В |
УХЛ4 |
| 1 | Тип устройства | Пневмораспределитель с электропневматическим управлением; |
| 2 | Способ управления |
2 - одностороннее управление и пневматический возврат; 3 - одностороннее управление и пружинный возврат; |
| 3 | Условный проход |
3А - 10мм; 4А - 16мм; 5А - 20мм; |
| 4 | Тип присоединения пневмолиний | 03 - резьбовое; |
| 5 | Вольтаж управляющей катушки |
24В - 24 В пост. тока, 110В - 110 В перем. тока, 220В - 220 В перем. тока |
| 6 | Климатическое исполнение и категория размещения по ГОСТ 15150 (4) | УХЛ4 |
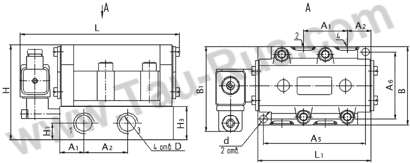
Габаритные и присоединительные размеры пневмораспределителей В64-25А-03, В64-33А-03, В64-34А-03
| Обозначение | А1 | А2 | А5 | А6 | d | В | В1 | H | H1 | H3 | L | L1 |
| В64-25А-03 | 27,5 | 50 | 117 | 77 | 9 | 90 | 95 | 109 | 19 | 38 | 180,5 | 130 |
|
В64-33А-03 В64-23А-03 |
23,5 | 38 | 91 | 59 | 7 | 72 | 86 | 89,5 | 14,5 | 28,5 | 155,5 | 104 |
|
В64-34А-03 В64-24А-03 |
23,5 | 38 | 91 | 59 | 7 | 72 | 86 | 89,5 | 14,5 | 28,5 | 155,5 | 104 |
Пример записи условного обозначения распределителя четырехлинейного, с электропневматическим односторонним управлением с катушкой на 110 вольт переменного тока и пружинным возвратом, условным проходом 16 мм, со резьбовым присоединением пневмолиний, климатического исполнения УХЛ, категории размещения 4: Пневмораспределитель В64-34А-03 110В УХЛ4 ТУ2-053-1633-83.
то же, но только с пневматическим возвратом и условным проходом 20 мм: Пневмораспределитель В64-25А-03 110В УХЛ4 ТУ2-053-1633-83.
Производитель В64-23А-03, В64-24А-03, В64-25А-03, В64-33А-03, В64-34А-03 оставляет за собой право изменять конструкцию распределителей без предварительного уведомления.
