Характеристики регуляторов давления 17022, 17122 и 17129
Тип: редукционный клапан диафрагменного типа.
Сброс избыточного давления из вторичной магистрали происходит через мембрану. Клапан – сбалансированной конструкции. Корпус регулятора выполнен из цинкового сплава или из технополимера с металлическими резьбовыми вставками для фитингов.
Фиксация рукоятки регулировки давления в нужном положении после настройки осуществляется путем легкого нажатия. Манометр, встроенный в рукоятку регулировки и настройки давления.
Предусмотрена гайка опорная для крепления клапанов 17022 и 17122 вручную или с использованием инструмента на панели.
Возможность блочного или индивидуального монтажа с использованием винтов М4 (для регуляторов 17122 и 17022).
Монтаж клапанов 17129 A(B) – только индивидуальный.
По исполнению материала корпуса клапаны 17022, 17122 и 17129 бывают:
- корпус регуляторов 17022.B.А, 17022B.B, 17022B.C, 17022B.D, 17022А.А, 17022А.B, 17022А.C, 17022А.D - слпав с добавлением цинка;
- корпус регуляторов 17122.B.А, 17122B.B, 17122B.C, 17122B.D, 17122А.А, 17122А.B, 17122А.C, 17122А.D - технополимер;
- корпус регуляторов 17129 А.А, 17129А.B, 17129А.C, 17129А.D,17129.B.А, 17129 B.B, 17129B.C, 17129B.D - технополимер.
Структура условного обозначения и параметры регуляторов
|
Монтажное положение |
любое |
|
Резьбы для присоединения к пневмосети |
G1/8", G1/4" |
|
Максимальное давление на входном отверстии |
13 бар (1,3 МПа) |
|
Максимальная температура при P=10 бар |
50°C |
|
Резьба для подключения дополнительного манометра |
G1/8" |
|
Масса регулятора из технополимера |
250 г |
|
Масса регулятора на основе цинкового сплава |
380 г |
|
Диапазон настройки регулятора давления |
0...2 бар |
|
Винты для крепления при индивидуальном монтаже |
М4 |
|
Момент затяжки фитингов в корпусе из цинкового сплава |
25 Нм (макс.) |
|
Момент затяжки фитингов в корпусе из технополимера |
15 Нм (макс.) |
|
1 |
2 |
. |
3 |
4 |
|
17122 |
B |
C |
* |
| 1 | Исполнение |
17022 = регулятор с корпусом из цинкового сплава 17122 = регулятор с корпусом из технополимера 17129 = регулятор индивидуально монтажа с корпусом из технополимера |
| 2 | Размеры присоединительной резьбы |
A = G1/8" B = G1/4" |
| 3 | Диапазон настройки давления |
A = 0-2 бар B = 0-4 бар C = 0-8 бар D = 0-12 бар |
| 4 | Опции | Дополнительные опции не предусмотрены |
Пример: 17022B.D
Регулятор давления типоразмера 1, корпус на основе цинкового сплава,, присоединение к пневмосети G1/4”, диапазон настройки 0-12 бар (0-1,2 МПа).
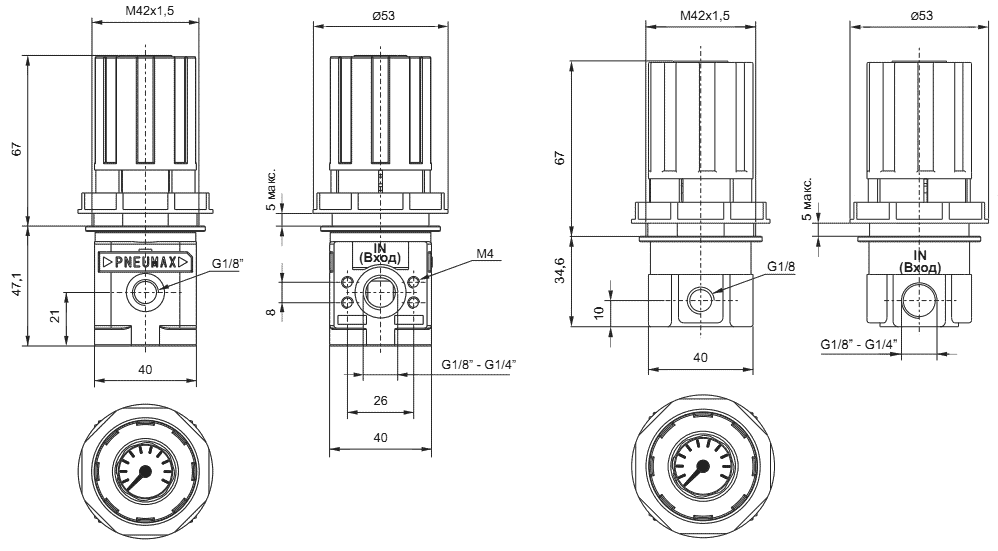
Размеры редукционных клапанов (регуляторов давления) со встроенным манометром 17022A(B), 17122A(B) - слева, 17129A(B) - справа
Графики расходных и регулировочных характеристик регуляторов 17022B(A), 17122B(A), 17129B(A)
Расходные характеристики при давлении на входе 7 бар

Регулировочные характеристики
Согласно статистике запросов, поступающих от клиентов компании "Таурус", наиболее популярными являются регуляторы давления с диапазоном настройки давления 0-8 бар и 0-12 бар, а именно: клапаны редукционные 17122B.C, 17022B.C, 17022B.D, 17122.B.D, 17129B.C, 17129B.D (с резьбой G1/4") и 17122A.C, 17022.A.C, 17022A.D, 17122.A.D, 17129.A.C, 17129A.D (с резьбой G1/8").