Описание гидроклапанов ПГ51-22, ПГ51-24
Клапаны обратные гидравлические ПГ51-22, ПГ51-24 служат для последовательной установки в гидравлических линиях станочного оборудования и обеспечивают пропускание потока рабочей жидкости в одном направлении, блокируя его обратный поток в противоположном направлении.
Представляют собой обратные клапаны со стыковым монтажом на плите.
В свободном состоянии клапан остаётся закрытым при помощи пружины. Клапан открывается, когда давление на входной линии "A" превышает значение, установленное на пружине, добавленное к давлению на выходной линии "B".
Гидравлические жидкости
Гидравлические жидкости на основе минеральных масел с добавлением применимых антивспенивателей и антиоксидантов.
Рабочие параметры

Обозначение обратного клапана ПГ51-22, ПГ51-24
|
Рабочий диапазон температур окружающей среды |
°C |
-20...+50 |
|
Диапазон температур жидкости |
°C |
-20...+70 |
|
Диапазон вязкостей жидкости |
сСт |
2,8...380 |
|
Рекомендуемая фильтрация |
мкм |
≤ 25 |
|
Рекомендуемая вязкость жидкости |
сСт |
25 |
Структура обозначения и параметры клапанов ПГ51-22, ПГ51-24
|
1 |
2 |
- |
3 |
4 |
5 |
|
П |
Г51 |
2 |
2 |
УХЛ4 |
| 1 | Тип монтажного исполнения | П = Стыковое исполнение |
| 2 | Тип устройства | Г51 = Клапан обратный |
| 3 | Серия | 2 |
| 4 | Типоразмер |
2 = Ду=10 мм 4 = Ду=20 мм |
| 5 | Климатическое исполнение | УХЛ4 |
|
Наименование |
Ду, мм |
Макс. расход, л/мин |
Масса, кг, не более |
Макс. давление, бар |
|
Гидроклапан ПГ51-22 |
10 |
50 |
2,0 |
320 |
|
Гидроклапан ПГ51-24 |
20 |
160 |
3,0 |
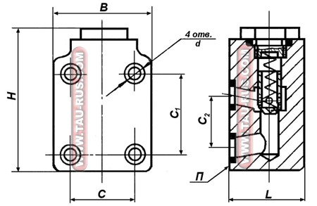
Размеры клапанов обратных ПГ51-22, ПГ51-24 (в мм)
Размеры клапанов ПГ51-22, ПГ51-24
|
Код клапана |
B |
L |
H |
C |
C1 |
C2 |
d |
|
Клапан обратный ПГ51-22 |
68 |
55 |
90 |
44 |
34 |
30 |
11 |
|
Клапан обратный ПГ51-24 |
80 |
65 |
54 |
62 |
45 |
13 |
