Описание пневмораспределителей 2V025, 2V130, 2V250
Пневмораспределители 2V025, 2V130, 2V250 с прямым электромагнитным управлением, применяют в пневмосистемах для управления потоком сжатого воздуха и работой исполнительных механизмов, вследствие изменения направления потока воздуха.
Их основная функция – изменять направление потока воздуха, обеспечивая тем самым включение, выключение или изменение направления движения приводимых в действие механизмов. Серия 2V поддерживает напряжения питания катушек: постоянного тока 24В (DC24V), а также переменного тока 110В и 220В (DC\AC110V, DC\AC220V), обеспечивая гибкость применения в различных пневматических системах.
К отличительным особенностям данных распределителей относится наличие ручного дублирования работы катушек.
Структура условного обозначения
| 1 | 2 | – | 3 | 4 |
|
2V |
25 |
08 |
AC110V |
|
1 |
Тип устройства | 2V = двухканальный пневмораспределитель |
|
2 |
Условный проход |
25 = 2,5мм |
|
3 |
Присоединение |
2V025: |
|
4 |
Напряжение |
DC24V; DC110V; AC110V; DC220V; AC220V |
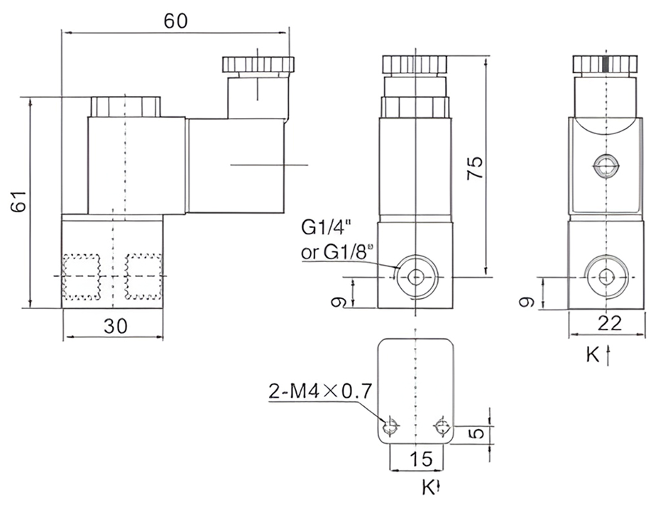
Технические характеристики
|
Модель |
2V025-06 | 2V025-08 | 2V130-10 | 2V130-15 | 2V250-20 | 2V250-25 |
| Тип управления | Электропневматическое одностороннее | |||||
| Рабочая среда | Воздух, Вода, Масло | |||||
| Резьба присоединительных отверстий | G (BSPP) | |||||
| Размер порта | 1/8" | 1/4" | 3/8" | 1/2" | 3/4" | 1" |
| Рабочее давление, МПа | 0-0,8 | 0,05-0,7 | ||||
| Рабочая температура, °C | От -10 до +80 | |||||
| Материал корпуса | Алюминиевый сплав / Латунь | Латунь | ||||
| Масса, кг | 0,35 | 0,81 | 1,3 | |||
| Степень защиты | IP65 | |||||
Устройство и принцип работы
Катушки пневмораспределителя, при подаче электрического напряжения, генерируют электромагнитное поле, приводящее в движение подвижные элементы внутри распределителя – золотники или плунжеры. Перемещение этих элементов открывает или закрывает каналы, перенаправляя поток сжатого воздуха к нужному выходу.
Для повышения надежности и долговечности, пневмораспределители изготавливаются из высокопрочных материалов, устойчивых к коррозии и воздействию сжатого воздуха.
Габаритные и присоединительные размеры
