Назначение балансировочных клапанов DZC5*, DZC5R*, DZC7*, DZC8*

- Балансировочные клапаны DZC5*, DZC5R*, DZC7*, DZC8* выполняют функцию редукционных клапанов, что наряду с понижением давления от линии Р до потребителя А дает возможность возврата потока от потребителя А к сливному отверстию Т в том случае, когда в отводящем контуре (потребитель А) создается давление выше установленного значения (типичный случай гидравлического противовеса или выравнивания нагрузки).
- Клапаны DZC* имеют монтажную поверхность в соответствии со стандартами ISO 4401 (CETOP RP121H). Отверстие В не используется.
- Клапаны DZC5*, DZC5R*, DZC7*, DZC8* доступны для заказа в трех типоразмерах с расходами до 500 л/мин, например, DZC5-070/10N-II/K1 - балансировочный клапан, 0-70 бар, 150 л/мин, СЕТОР P05.
- Клапаны DZC* могут поставляться с пилотным управлением и дренажом, как внешним, так и внутренним. Версия с внешним дренажом позволяет работать с большим противодавлением на выходе. Клапаны DZC* могут быть установлены в любом положении без ушудшения качества работы. Соедините порт Т клапана непосредственно с баком. Добавьте величину любого противодавления, обнаруженного в линии Т, к контролируемой величине давления. Максимальное допустимое противодавление в линии Т составляет 2 бар.
- Крепление клапанов DZC5*, DZC5R*, DZC7*, DZC8* осуществляется посредством болтов или соединительных шпилек, при этом клапан устанавливается на шлифованной поверхности со значениями плоскостности и шероховатости, равными или лучшими чем те, которые указаны на чертеже. Если минимальные условия, установленные для значений плоскостности и / или шероховатости, не выполняются, то может возникать утечка жидкости между клапаном и установочной поверхностью.

Структура условного обозначения клапанов DZC5*, DZC5R*, DZC7*, DZC8*
|
1 |
- |
2 |
/ |
3 |
4 |
- |
5 |
6 |
|---|---|---|---|---|---|---|---|---|
|
DZC5 |
140 |
10 |
N |
I |
E |
| 1 | Тип устройства |
DZC5 = балансировочный клапан CETOP 05 DZC5R = балансировочный клапан ISO 4401-05 (CETOP R05) DZC7 = балансировочный клапан ISO 4401-07 (CETOP 07) DZC8 = балансировочный клапан ISO 4401-08 (CETOP 08) |
| 2 | Диапазон регулировки давления |
070 = до 70 бар 140 = до 140 бар 210 = до 210 бар |
| 3 | Серия | 10 (взаимозаменяема с предыдущей серией клапанов ZC4*) |
| 4 | Уплотнения |
N = NBR V = вайтон |
| 5 | Управление |
I = внутреннее управление E = внешнее управление |
| 6 | Дренаж |
I = внутренний дренаж E = внешний дренаж |
Технические характеристики клапанов DZC5*, DZC5R*, DZC7*, DZC8*
|
Параметры |
Клапан DZC5(R)* |
Клапан DZC7* |
Клапан DZC8* |
|
|---|---|---|---|---|
|
Максимальное рабочее давление |
бар |
350 |
||
|
Максимальный расход рабочей жидкости |
л/мин |
150 |
300 |
500 |
|
Диапазон температур рабочей жидкости |
°C |
-20...+80 |
||
|
Рекомендуемая вязкость рабочей жидкости |
сСт |
25 |
||
|
Класс чистоты рабочей жидкости |
- |
Класс 20/18/15 по ISO 4406:1999 |
||
|
Материал применяемых уплотнений |
- |
NBR |
||
|
Масса клапана не более |
кг |
6,5 |
8,7 |
15,0 |
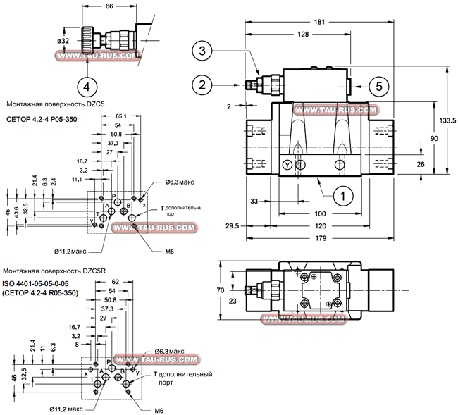
Габаритные и присоединительные размеры клапанов DZC5*, DZC5R*
- Монтажная поверхность с уплотнительными кольцами.
- Регулировочный винт с потайной шестигранной головкой: ключ на 5. Для увеличения давления вращать по часовой стрелке.
- Стопорная гайка: гаечный ключ на 17.
- Регулировочная ручка: М1.
- Соединение манометра 1/4" BSP.
Уплотнительные кольца:
5 шт. OR 2050 - твердость по Шору 90,
2 шт. OR 2037 - твердость по Шору 90.
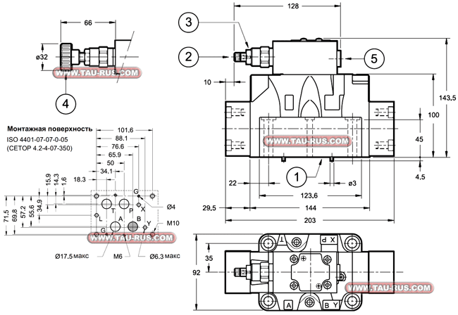
Габаритные и присоединительные размеры клапанов DZC7*
- Монтажная поверхность с уплотнительными кольцами.
- Регулировочный винт с потайной шестигранной головкой: ключ на 5. Для увеличения давления вращать по часовой стрелке.
- Стопорная гайка: гаечный ключ на 17.
- Регулировочная ручка: М1.
- Соединение манометра 1/4" BSP.
Уплотнительные кольца:
4 шт. OR 130 - твердость по Шору 90,
2 шт. OR 2043 - твердость по Шору 90.
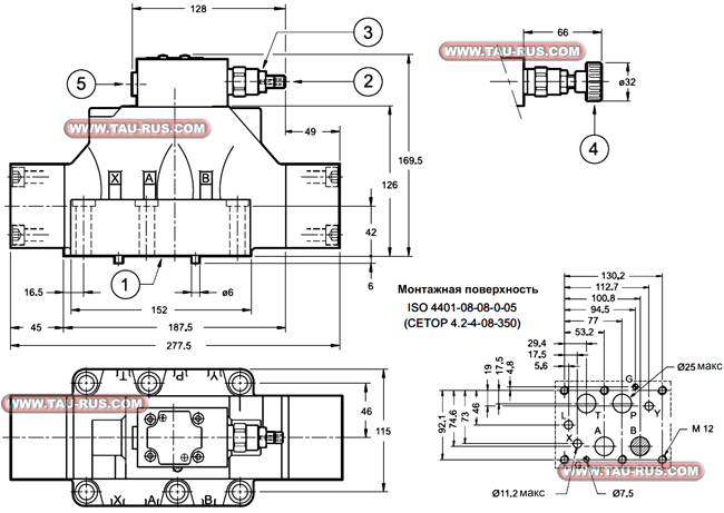
Габаритные и присоединительные размеры клапанов DZC8*
- Монтажная поверхность с уплотнительными кольцами.
- Регулировочный винт с потайной шестигранной головкой: ключ на 5. Для увеличения давления вращать по часовой стрелке.
- Стопорная гайка: гаечный ключ на 17.
- Регулировочная ручка: М1.
- Соединение манометра 1/4" BSP.
Уплотнительные кольца:
4 шт. OR 3118 - твердость по Шору 90,
4 шт. OR 3118 - твердость по Шору 90.
Монтажные плиты для клапанов DZC5*, DZC5R*, DZC7*, DZC8*
|
|
Клапан DZC5* |
Клапан DZC7* |
Клапан DZC8* |
|
Резьбовые отверстия снизу |
PME4-AI5G |
PME07-AI6G |
- |
|
Резьбовые отверстия сбоку |
PME4-AL5G |
PME07-AL6G |
PME5-AL8G |
|
Размеры отверстий P, T, A, B |
3/4 BSP |
1 BSP |
1 1/2 BSP |
|
Размеры отверстий X, Y |
1/4 BSP |
1/4 BSP |
1/4 BSP |
Примеры для заказа:
- DZC5-070/10N-II/K1 - Балансировочный клапан, 0-70бар, 150л/мин, СЕТОР P05;
- PME4-AL5G/10 - Плита для распределителей и клапанов, CETOP P05, P-T-A-B 3/4'', X-Y 1/4'',сбоку;
- PME07-AL6G/10 - Плита для распределителей и клапанов, CETOP P07, P-T-A-B 1'', X-Y 1/4'',сбоку;
- PME07-AI6G/10 - Плита для распределителей и клапанов, CETOP P07, P-T-A-B 1'', X-Y 1/4'',снизу;
- PME5-AL8G/10 - Плита для распределителей и клапанов, CETOP P08, P-T-A-B 1 1/2'', X-Y-L 1/4'',сбоку.