Для подсоединения электромагнитных катушек к питающей сети наибольшее распространение приобрели электрические разъемы, выполненные по стандарту DIN 43650 A.
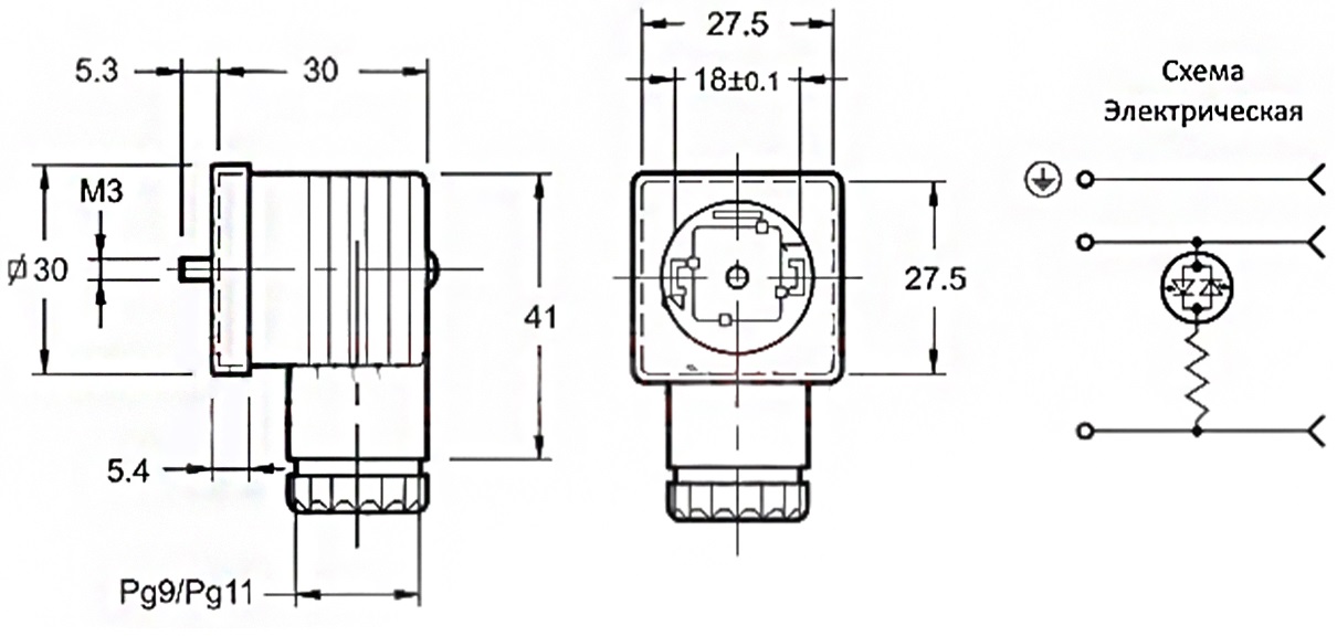
Стандарт DIN 43650 A - расстояние между контактами 18 мм.
В большинстве случаев, степень защиты коннекторов стандарта DIN43650/A соответствует IP65, то есть обеспечивает установку их в условиях попадания струй жидкости или газа с любого направления и полную защиту от проникновения пыли.Соответствие стандарту IP65 обеспечивается конструкцией самого разъема DIN43650-A, а так же уплотнением, которое обычно входит в его комплект.
Разъемы (коннекторы) могут иметь световую (диодную) индикацию. Обычно на это указывают дополнительные литеры маркировке: "L", "LED", "светодиод" и другие. Особенность работы установленных светодиодов, так же обуславливает и разделение соединителей по подключению к сети постоянного или переменного тока (в обозначении DC или AC соответственно), реже необходимо обращать внимание на электрическое напряжение, что так же должно быть отражено в маркировке.
Например:
Разъем DIN43650 A LED AC - Разъем электрический со светодиодной индикацией для подключения к сети переменного тока 110VAC, 220VAC, 380VAC..
Разъем DIN43650 A LED DC - Разъем электрический со светодиодной индикацией для подключения к сети постоянного тока 12VDC, 24VDC.
Рис.1 Разъем DIN43650 A LED DC
Рис. 2 Разъем DIN43650 A LED AC
Поставляемые соединители укомплектованы монтажными элементами (входят в комплект):
- винт 3 мм;
- прокладка уплотнительная.
Применяемость:
Гидрораспределиелители
Пневмораспределители
Катушки электромагнитные (соленодиды)
Основные параметры
| Параметр | Значение |
| Номинальное рабочее напряжение переменного тока AC, В | 110, 220, 380 |
| Номинальное рабочее напряжение постоянного тока DC, В | 12, 24 |
| Номинальный рабочий ток, А | 6,3 |
|
Число контактов: - основных - заземляющих |
2 (3) 1 |
| Положение разъема при монтаже | любое |
| Температура окружающей среды | -30...+90°C |
| Материал корпуса | пластик |
Размеры коннекторов DIN 43650A с индикацией
Аналогичные разъемы по стандарту DIN 43650 A:
С этим товаром покупают
VC43, VC06, VC10 - Катушки (соленоиды) для гидрораспределителей в комплекте с разъемом

%20для%20гидрораспределителей%20в%20комплекте%20с%20разъемом%20(1).jpg)