5Р2-232-12-0-1, 5Р2-331-12-0-1
|
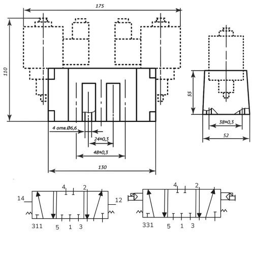
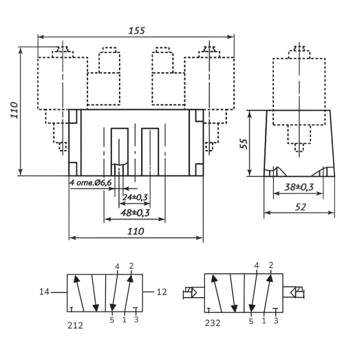
Пневмораспределители пятилинейные с двухсторонним электроуправлением (с двумя электромагнитами) 5Р2-232-...2, 5Р2-331-...2 применяются для изменения направления и перекрытия потоков сжатого воздуха в пневматических приводах и системах управления. Выпускаются данные распределители с двухсторонним электроуправлением как со стыковым (без плиты) присоединением: 5Р2-232-02, 5Р2-331-02, так и на плитах для трубного монтажа: 5Р2-232-12, 5Р2-331-12. Смотреть паспорт на пневмораспределители 5Р2. Отверстия для присоединений внешний пневмолиний распределителей с монтажной плитой маркируются следующими цифрами: 1 - для подвода воздуха; 2 и 4 - для выхода к потребителю; 3 и 5 - для выхода в атмосферу; 12 - для подвода давления управления, при наличии которого соединяются линии 1 и 2, 4 и 5; 14 - для подвода давления управления, при наличии которого соединяются линии 1 и 4, 2 и 3. Для пневмораспределителей 5Р2 без монтажной плиты размер стыковой поверхности 2 - по ДСТУ 2144-93 (ГОСТ 30016-93). |
|
Распределители 5Р2 применяются в пневматических системах, работающих при давлении сжатого воздуха до 1,0 МПа (10 кгс/см2), очищенного не грубее 10 класса загрязненности по ГОСТ 17433 и содержащего распыленное масло вязкостью 10—35 мм2/c (10—35 сСт) при температуре 50 0С с концентрацией из расчета 1-2 капли на 1 м3 воздуха, приведенного к нормальным условиям (температура 20 0С, давление 101325 Па). Климатические исполнения УХЛ и О, категории размещения 4, по ГОСТ 15150. Исполнение О - только для стран с тропическим климатом. Виброустойчивость и вибропрочность распределителей соответствуют II степени жесткости по ГОСТ 28988. Степень защиты оболочки электромагнита распределителей с электромагнитным управлением — IP 54 по ГОСТ 14254. Превышение температуры нагрева обмотки катушки распределителя над температурой окружающей среды не более 85 0С. Размер монтажной поверхности — 2 по ИСО 5599/1. При монтаже распределителей 5Р2-212-... и 5Р2-232-... следует обеспечить горизонтальное положение оси золотника; монтажное расположение распределителей других схем - любое. |
|
Фотографии пневмораспределителей и монтажной плиты
![]() 5Р2-232-12-0-1-А110 УХЛ4 |
![]() 5Р2-232-02-0-1-А110 УХЛ4 |
![]() Плита монтажная 5Р2-12 |
Структура условного обозначения пневмораспределителей 5Р2
| 5Р2 | - | ХХХ | - | Х2 | - | 0 | - | 1 | - | ХХХХ | - | Х4 | |
| Вид климатического исполнения по ГОСТ 15150-69 | |||||||||||||
|
|
|||||||||||||
|
Род, частота, номинальное напряжение электрического тока: А— переменный ток, 50 Гц (24, 36,110,220, 380В); Б — переменный ток, 60 Гц (110, 220В); Д — постоянный ток (12, 24, 48, 110В). |
|||||||||||||
|
|
|||||||||||||
| Способ присоединения к электросети: 1 —разъем | |||||||||||||
|
|
|||||||||||||
| 0 — без индикации управляющего сигнала | |||||||||||||
|
|
|||||||||||||
|
Способ присоединения пневмолиний (размер монтажной поверхности по ИСО 5599/1): 0 — стыковое без плиты; 1 — стыковое с плитой для трубного монтажа с отверстиями для присоединения труб в стороны и конической присоединительной резьбой КЗ/8" ГОСТ 6111 |
|||||||||||||
|
|
|||||||||||||
| Пневмосхема (смотри таблицу ниже "Варианты исполнения...") | |||||||||||||
|
|
|||||||||||||
| Тип пневмораспределителя (условный проход 10 мм) | |||||||||||||
Варианты исполнения пневмораспределителей 5Р2 с двухсторонним электроуправлением
| Обозначение схем | Исполнение |
| 232 | Двухпозиционный с двухсторонним электропневматическим управлением и ручным дублированием |
| 331 | Трехпозиционный с двухсторонним электропневматическим управлением, возврат в среднюю позицию пружинный, все линии перекрыты |
Основные характеристики пневмораспределителя типа 5Р2
| Параметр | Значение |
| Условный проход, мм | 10 |
| Номинальное давление, МПа | 1,0 |
|
Пропускная способность, Кv, м3/ч, не менее: - двухпозиционных; - трёхпозиционных |
1,65 0,85 |
|
Время срабатывания, с, не более: - включение; - выключение |
0,08 0,13 |
| Общая утечка воздуха из полостей распределителя, см³/мин, не более | 80 |
| Максимальное число срабатываний, 1/с | 4 |
| Номинальное напряжение питания, В: постоянного тока / переменного тока 50Гц / переменного тока 60Гц | 12,24,48,110 / 24,36,110,220,380 / 110,220 |
| Номинальная потребляемая мощность, не более: постоянного тока, Вт / переменного тока 50Гц, ВА / переменного тока 60Гц, ВА | 7 / 9 / 12 |
| Средняя наработка до отказа, циклов, не менее | 1*106 |
| Полный средний ресурс, циклов, не менее | 5*106 |
|
Масса, кг, не более, по исполнениям: 232-02-0-1... / 232-12-0-1... |
1,0 / 1,5 |
Габаритные и присоединительные размеры пневмораспределителей 5Р2-232-02-...
|
Габаритные и присоединительные размеры пневмораспределителей 5Р2-331-02-...
|
Пример условного обозначения распределителя двухпозиционного с двухсторонним электропневматическим управлением и ручным дублированием и пневматическим возвратом, с монтажной плитой с размером стыковой поверхности 2, без индикации управляющего сигнала, с присоединением к электросети через разъем, для переменного тока с частотой 50 Гц и номинальным напряжением 220В, климатического исполнения УХЛ 4:
Пневмораспределитель 5Р2.232-12-0-1-А220 УХЛ4 ТУ2-053-0223807-005-93
Возможные варианты исполнения пневмораспределителя 5Р2 с двухсторонним электроуправлением:
Пневмораспределитель 5Р2.232-12-0-1-Д24, 5Р2.232-12-0-1-А220, 5Р2.331-12-0-1-А110, 5Р2.331-12-0-1-А220, 5Р2.331-02-0-1-Д24, 5Р2.331-02-0-1-Д24

5Р2-232-12-0-1, 5Р2-331-12-0-1


