Описание и назначение гидроклапанов MVR
Гидравлический обратный клапан MVR (MVR1) предназначен для избежания обратного потока масла, исключения возможности случайного осушения перекрываемого канала, а так же применяется в гидравлических магистралях, в которых создается противодавление.Монтажная поверхность гидроклапана MVR выполнена в соответствии с международными стандартами CETOP 03 и ISO, что обеспечивает быстрый монтаж с гидрораспределителями DS3 и MD1D, а так же с другими клапанами выполненными согласно этих стандартов. При этом отсутствует необходимость использования дополнительных трубопроводов и соединений, а монтаж осуществляет при помощи винтов и шпилек с соответствующей длиной.
Устройство обратного клапана MVR (MVR1)
Обозначение на гидросхемах
Монтажная поверхность (CETOP-03)
Структура обозначения и технические характеристики
|
1 |
2 |
- |
3 |
/ |
4 |
/ |
5 |
|
MVR |
1 |
SP |
51 |
V |
| 1 | Тип устройства | MVR = Обратный гидроклапан модульного монтажа, размер CETOP-03 |
| 2 | Давление открытия |
Пропустить для стандартного давления - 3,5 бар 1 = 0,5 бар 3 = 5,2 бар |
| 3 | Вариант исполнения |
SP = обратный клапан на магистрали P SA = обратный клапан на магистрали A SB = обратный клапан на магистрали B ST = обратный клапан на магистрали T SPT = обратный клапан на магистралях P и T |
| 4 | Номер серии | Габаритные и монтажные размеры остаются неизменными для серий от 50 до 59 |
| 5 | Уплотнения |
Пропустить в случае использования минеральных V = уплотнения FPM для особых типов жидкостей |
|
Рабочее давление, максимальное |
350 бар |
|
Максимальный расход |
|
|
Окружающая температура |
-20°C...+50°C |
|
Температура жидкости |
-20°C...+80°C |
|
Вязкость жидкости |
10...400 сСт |
|
Рекомендуемая вязкость |
25 сСт |
|
Уровень загрязнения жидкости |
Класс 10 по NAS 1638 |
|
Масса: |
1,0 кг |
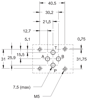
Габаритные и монтажные размеры клапанов обратных Duplomatic MVR и MVR1
Гидравлические жидкости
Клапаны MVR работают на минеральных маслах с вязкостью до 400 сСт и температурой от -20°C до +80°C. Рекомендуется добавление антиоксидантов и антивспенивателей.Относительно применения других типов жидкостей (эфиры, водно-гликолевые смеси) необходимы дополнительные согласования.
Пример условного обозначения при заказе:
Клапан модульный обратный MVR-SP/51 в линии P, 350 бар, CETOP 03
Клапан модульный обратный MVR1-SA/51 в линии A, 350 бар, CETOP 03, открытие 0,5 бар
Клапан модульный обратный MVR-ST/51 в линии T, 350 бар, CETOP 03
Клапан модульный обратный MVR1-ST/51 в линии T, 350 бар, CETOP 03, открытие 0,5 бар
Клапан модульный обратный MVR-SPT/51 в линиях P и T, 350 бар, CETOP 03
Клапан модульный обратный MVR1-SB/51 в линии B, 350 бар, CETOP 03, открытие 0,5 бар
Клапан модульный обратный MVR1-SP/51 в линии P, 350 бар, CETOP 03, открытие 0,5 бар
