Клапан предохранительный RQM5-W6/A/60N-D24K1
|
Назначение и устройство предохранительных клапанов
|
|||||||||||||||||||||||
Устройство клапана RQM5-W и RQM7-W
|
Характеристики клапанов RQM*-W
| Параметр | RQM5-W | RQM7-W |
| Максимальное давление, бар | 350 | |
| Максимальный расход, л/мин | 250 | 400 |
| Температура окружающей среды | -20°...+50° | |
| Температура рабочей жидкости | -20°...+80° | |
| Вязкость жидкости, сСт | 10...400 | |
| Рекомендуемая фильтрация | Класс 20/18/15 по ISO 4406:1999 | |
| Рекомендуемая вязкость, сСт | 25 | |
Рабочая среда - гидравлические жидкости на основе минеральных масел типа HL или HM по ISO 6743-4. Для этих жидкостей вполне подходят уплотнения из NBR (код N). Для жидкостей типа HFDR (фосфатные эфиры) применяются уплотнения FPM (код V). По поводу использования других типов жидкостей таких как HFA, HFB, HFC проконсультируйтесь в нашем отделе технической поддержки.
ВНИМАНИЕ: работа с жидкостями температурой свыше 80°С приводит к ускоренному износу уплотнений и и снижает качество самой жидкости. Для нормальной работы, жидкость должна сохранять свои физико-химические характеристики неизменными.
Структура условного обозначения предохранительных клапанов RQM5-W*, RQM7-W*
| RQM5 | - | W | 6 | / | A | / | M | / | 60 | N | - | D24 | K1 | / | CM | ||||
|
CM = защитный резиновый колпачок ручного дублирования;
(пропустить если не требуется) |
|||||||||||||||||||
|
|
|||||||||||||||||||
|
K1 = Электроразъем катушки по DIN 43650 (стандарт)
|
|||||||||||||||||||
|
|
|||||||||||||||||||
|
Электропитание:
|
|||||||||||||||||||
|
|
|||||||||||||||||||
|
Уплотнения:
N = NBR (стандартно для минерального масла) V = Bайтон (для специальных типов жидкостей) |
|||||||||||||||||||
|
|
|||||||||||||||||||
|
Серийный № (габаритные и монтажные размеры остаются неизменными для серий от 60 до 69)
|
|||||||||||||||||||
|
|
|||||||||||||||||||
|
M = регулировка давления ручкой SICBLOC;
(пропустить для варианта регулировки шестигранным винтом) |
|||||||||||||||||||
|
|
|||||||||||||||||||
|
Варианты исполнения (см. таблицу: Варианты исполнения)
A, B, C, D, G |
|||||||||||||||||||
|
|
|||||||||||||||||||
|
Диапазон регулировки давления:
3 = до 70 бар; 5 = до 210 бар; 6 = до 350 бар. |
|||||||||||||||||||
|
|
|||||||||||||||||||
|
W = резьбовые присоединительные отверстия
|
|||||||||||||||||||
|
|
|||||||||||||||||||
|
RQM5 = предохранительный клапан с пилотным электромагнитным управлением сброса/выбора давления, Ду=25;
RQM7 = предохранительный клапан с пилотным электромагнитным управлением сброса/выбора давления, Ду=40; |
|||||||||||||||||||
Варианты исполнения
RQM*-W*/A![]() Одно установленное значение давления и разгрузка при отключенном электромагнитном клапане. |
RQM*-W*/B![]() Одно установленное значение давления и разгрузка при включенном электромагнитном клапане. |
RQM*-W*/C![]() Два установленных значения. Большее значение давления достигается при включенном электромагнитном клапане. |
RQM*-W*/D![]() Два установленных значения давления и разгрузка при отключенных электромагнитных катушках клапана. |
RQM*-W*/G![]() Три установленных значения давления. Самое высокое значение достигается при отключенных электромагнитных катушках клапана. |
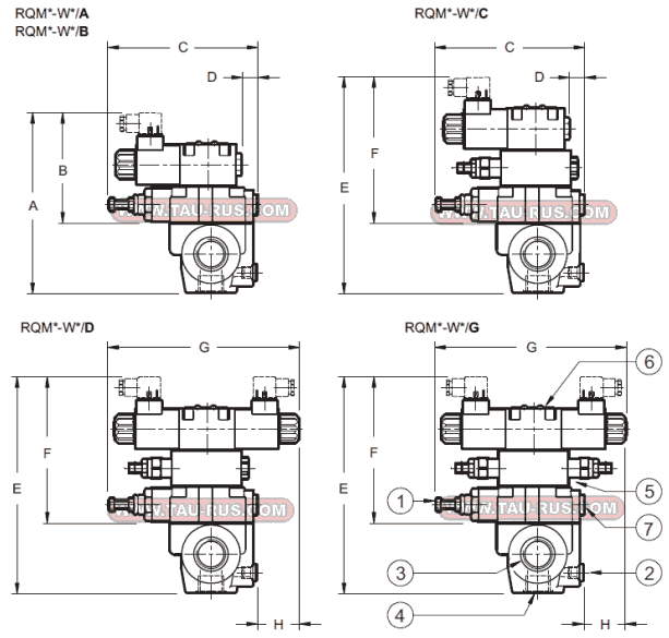
Габаритные и присоединительные размеры клапанов RQM5-W*, RQM7-W*
|
|
Электромагнитные клапаны никогда не поставляются с электроразъемом.
Электроразъемы должны приобретаться отдельно.
Для определения типа электроразъема, который необходимо заказать смотрите "Электроразъёмы (штекеры) ECA, ECB1, ECB2, ECD, ECH".
В случаях, когда установка с электромагнитным клапаном подвергается воздействию атмосферных явлений или используется в тропическом климате, рекомендуется применять кнопку ручного управления с защитным резиновым колпачком.
Для заказа данного устройства добавьте индекс /СМ (см. структура обозначения).
Примеры для заказа:
RQM5-W6/A/60N-D24K1 - Клапан предохранительный резьбовое присоединение, 250 л/мин, 350 Бар, =24В;
RQM5-W6/B/60N-A110K1 - Клапан предохранительный резьбовое присоединение, 250 л/мин, 350 Бар, ~110В/50Гц;
RQM5-W6/A/M/60N-A230K1 - Клапан предохранительный резьбовое присоединение, 250 л/мин, 350 Бар, ~230В/50Гц, ручка Sicbloc;
RQM5-W5/A/M/60N-D24K1 - Клапан предохранительный резьбовое присоединение, 250 л/мин, 210 Бар, =24В, ручка Sicbloc;
RQM7-W6/D/M/60N-D24K1/CM - Клапан предохранительный резьбовое присоединение, 400л/мин, до 350 бар, =24В, ручка Sicbloc, ручное дублирование;
RQM7-W6/B/60N-A110K1 - Клапан предохранительный резьбовое присоединение, 400 л/мин, 350 Бар, ~110В/50Гц;
RQM7-W6/A/M/60N-A230K1 - Клапан предохранительный резьбовое присоединение, 400 л/мин, 350 Бар, ~230В/50Гц, ручка Sicbloc;
RQM7-W5/A/M/60N-D24K1 - Клапан предохранительный резьбовое присоединение, 400 л/мин, 210 Бар, =24В, ручка Sicbloc;




