Описание пневмоклапанов быстрого выхлопа П-КБВ
Пневмоклапаны быстрого выхлопа П-КБВ16 (П-КБВ 16.000), П-КБВ10, П-КБВ6, П-КБВ4 разработаны для работы на сжатом воздухе, очищенном не грубее 10 класса по ГОСТ 17433 и содержащем распыленное масло. Климатическое исполнение для районов с умеренным и холодным климатом - УХЛ и для районов с тропическим климатом - О, категория размещения 4 по ГОСТ 15150.
Клапаны П-КБВ (быстрого выхлопа) устанавливаются в любом положении в пространстве.
Условное обозначение клапана П-КБВ
|
1 |
- |
2 |
- |
3 |
4 |
5 |
|
П |
КБВ |
ХА |
ХХХ |
4 |
| 1 | Тип клапана | П - пневматический |
| 2 | Тип устройства | КБВ - клапан быстрого выхлопа |
| 3 | Условный проход |
4 - Ду=4 мм, 6 - Ду=6 мм, 10 - Ду=10 мм, 16 - Ду=16 мм. |
| 4 | Климатическое исполнение |
УХЛ О |
| 5 | Категория размещения по ГОСТ 15150 | 4 |
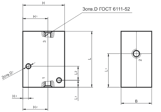
Габаритные и присоединительные размеры П-КБВ
Габаритные размеры пневмоклапанов быстрого выхлопа П-КБВ-10А, П-КБВ-16А, П-КБВ-4А, П-КБВ-6
Пневмосхема
|
Обозначение |
Размеры, мм |
||||||||||
|
D |
D1 |
B |
H |
H1 |
H2 |
H3 |
L1 |
L2 |
L3 |
||
|
Клапан П-КБВ-4А |
K 1/8" |
- |
22 |
30 |
18 |
- |
- |
38,5 |
23,5 |
- |
- |
|
Клапан П-КБВ-6А |
K 1/4" |
- |
26 |
38 |
23 |
- |
- |
48,5 |
32 |
- |
- |
|
Клапан П-КБВ-10А |
K 3/8" |
5,8 |
40 |
50 |
30 |
38 |
6 |
55 |
40 |
18 |
7 |
|
Клапан П-КБВ-16А |
K 1/2" |
7 |
44 |
60 |
37 |
47 |
6,5 |
70 |
51,5 |
25 |
9 |
Основные параметры П-КБВ-10, П-КБВ-16, П-КБВ-4, П-КБВ-6
|
Параметр |
Нормы для типоразмеров |
|||
|
П-КБВ-4А |
П-КБВ-6А |
П-КБВ-10А |
П-КБВ-16А |
|
|
Условный проход, мм |
4 |
6 |
10 |
16 |
|
Присоединение пневмолиний, дюйм |
К 1/8" |
К 1/4" |
К 3/8" |
К 1/2" |
|
Номинальное давление, МПа |
1,0 |
|||
|
Минимальное рабочее давление не более, МПа |
0,1 |
|||
|
Пропускная способность при наполнении не менее, м³/ч |
0,3 |
0,8 |
2,5 |
4,0 |
|
Пропускная способность при выхлопе не менее, м³/ч |
0,6 |
1,6 |
3,0 |
5,8 |
|
Масса не более, кг |
0,065 |
0,11 |
0,25 |
0,4 |
Пример условного обозначения пневмоклапана быстрого выхлопа с условным проходом 10 мм, на номинальное давление 1 МПа, с присоединением пневмолиний К 3/8" для районов с умеренным и холодным климатом категория размещения 4:
Клапан пневматический быстрого выхлопа П-КБВ-10А УХЛ4.
