Описание пневмораспределителей В79-11А; В74-21А; В63-11А

Пневмораспределители В63-11А, В74-21А, В79-11А четырехлинейные с пневматическим, механопневматическим и механическим управлением применяются для изменения направления движения потока сжатого воздуха в пневматических приводах общепромышленного назначения.
Функциональная схема пневмораспределителей данного типа - двухпозиционные четырехлинейные:
- пневмораспределитель В63-11А с двусторонним пневматическим управлением;
- пневмораспределитель В74-21А с путевым односторонним управлением (толкатель с роликом) и пневматическим возвратом;
- пневмораспределитель В79-11А с путевым односторонним управлением с малым усилием (рычаг) и пружинным возвратом.
Пневмораспределители В63-11, В74-21, В79-11 сконструированы для работы на сжатом воздухе давлением от 1 до 10 бар (или, что одно и то же - 0,1...1 МПа). Сжатый воздух должен быть очищен не грубее 10 класса по ГОСТ 17433 и содержать распылённое масло (для распыления масла в сжатый воздух рекомендуется применять маслораспылитель 121-16) вязкостью 10-35 сантистокс при температуре 50 по Цельсию с концентрацией 2-4 капли на 1м³ сжатого воздуха, приведенного к требованиям условий ГОСТ 12449.
Не запрещается работа пневмораспределителей данного типа на сжатом воздухе, не содержащем распыленное масло, но в этом случае срок эксплуатации пневмораспределителя сокращается.
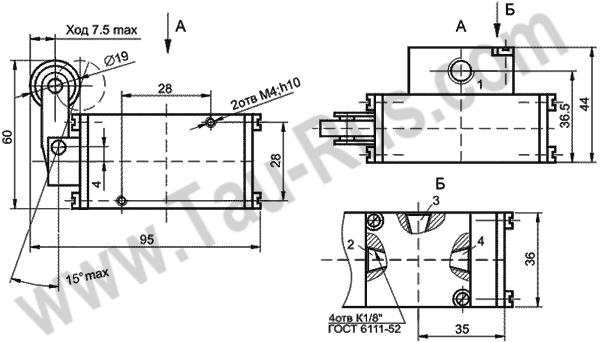
Замечания к монтажу пневмораспределителей: при установке пневмораспределителя В7421А необходимо обеспечить полный ход ролика (около 6 мм); а для пневмораспределителя В7911А - в пределах 2,5...7,5 мм
Основные характеристики B79-11A, B74-21A, B63-11A
|
Параметр |
Исполнение |
||
|
В63-11А |
В74-21А |
В79-11А |
|
|
Условный проход, мм |
4 |
||
|
Тип присоединения |
Резьбовое, с конической присоединительной резьбой |
||
|
Присоединение пневмолиний, дюйм |
К 1/8" |
||
|
Номинальное давление, МПа |
1,0 |
||
|
Минимальное рабочее давление, МПа |
0,2 |
0,25 |
|
|
Минимальное давление управления не более, МПа |
0,16 |
0,25 |
|
|
Усилие необходимое для переключения, Н |
- |
31 |
3,5 |
|
Максимальное число срабатываний в минуту не менее |
300 |
200 |
|
|
Пропускная способность (Kv) не менее, м³/час |
300 |
||
|
Масса, кг |
0,22 |
0,24 |
0,25 |
Размеры пневмораспределителей В63-11А, В74-21А, В79-11А
Чертёж пневмораспределителя В63-11А

Чертёж пневмораспределителя В74-21А

Чертёж пневмораспределителя В79-11А
Пример записи условного обозначения пневмораспределителя с путевым односторонним управлением (толкатель с роликом) и пневматическим возвратом с диаметром условного прохода 4 мм, присоединение пневмолиний резьбовое, с конической присоединительной резьбой К 1/8", климатического исполнения УХЛ, категории размещения 4:
Пневмораспределитель В74-21А УХЛ4
