Описание кранов гидравлических КГ3ХОЦ, КГ3ХЗЦ
Ручной (крановый) гидрораспределитель КГ3ХОЦ ( КГ3ХЗЦ) с открытыми (закрытыми) центрами предназначен для переключения и перекрытия потоков рабочей жидкости.
Так же данный тип распределителей называют диверторами, служащими для переключения гидравлического потока от насоса.
Наибольшее применения краны КГ3ХОЦ и КГ3ХЗЦ нашли в дорожно-строительной технике.
Их можно встретить на кранах-манипуляторах, автомобильных кранах (Ивановец, Челябинец, Инман, Галичанин и другие), в схеме которых необходимо переключение напора от насоса к гидрораспределителю управления гидроцилиндрами выдвижения выносных опор, механизма блокировки подвески и вывешивания автокрана, либо к гидрораспределителю управления крановыми механизмами, расположенными на поворотной раме.
Так же данные краны устанавливаются на станочном и кузнечно-прессовом оборудовании, и заменяют ранее выпускаемы 3-х линейные крановые гидрораспределители.
Кран монтируется на опорной раме, и закрепляются через два монтажных отверстия.
Корпус и золотник гидравлических кранов КГЗЗОЦ, КГЗХЗЦ выполнен из высоколегированной стали, и для повышения срока службы подвергается термической обработке и покрытию цинком.
Область рабочих температур: от -40°C до +110°C.
Структура условного обозначения кранов КГ3ХОЦ, КГ3ХЗЦ
|
1 |
2 |
3 |
4 |
|
КГ |
3Х |
ЗЦ |
1/2 |
| 1 | Тип устройства | КГ = Кран Гидравлический |
| 2 | Количество рабочих положений |
3Х = 3-х Ходовой 6Х = 6-х Ходовой |
| 3 | Тип центра |
ЗЦ = Закрытый Центр ОЦ = Открытый Центр |
| 4 | Монтажная резьба (типоразмер) | 1/2'' |
Пример условного обозначения: крана гидравлического 3-х ходового, с закрытым центром, с резьбой G3/8".
Кран гидравлический КГ3ХЗЦ G3/8"

Гидросхема
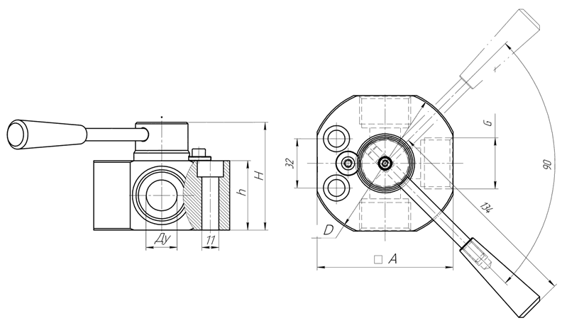
Габаритные (монтажные размеры) и характеристики кранов КГ3ХОЦ, КГ3ХЗЦ
|
Наименование |
Ду |
G (BSP) |
h, мм |
H, мм |
A, мм |
D, мм |
Масса, кг |
Макс. расход, л/мин |
Давление, бар |
|
Кран (гидрораспределитель) КГ3ХОЦ 3/8", КГ3ХЗЦ 3/8" |
10 |
3/8 |
40 |
66,5 |
80 |
90 |
1,80 |
60 |
400 |
|
Кран (гидрораспределитель) КГ3ХОЦ 1/2", КГ3ХЗЦ 1/2" |
12 |
1/2 |
40 |
66,5 |
80 |
90 |
1,65 |
90 |
400 |
|
Кран (гидрораспределитель) КГ3ХОЦ 3/4", КГ3ХЗЦ 3/4" |
15 |
3/4 |
40 |
66,5 |
80 |
90 |
1,60 |
120 |
350 |
|
Кран (гидрораспределитель) КГЗХОЦ 1", КГЗХЗЦ 1" |
20 |
1 |
45 |
70 |
88 |
97 |
2,00 |
180 |
320 |
Краны КГ3ХОЦ и КГ3ХЗЦ заменяемы со следующими изделиями:
DDF3, DF3, DDF 3V, GE3, гидрораспределители У034.00.000-9, У034.00.000-11, КС-45721.87.60.010, КС-55727.83.09.00
Уважаемые посетители сайта! Приобрести краны гидравлические КГЗХОЦ и КГЗХЗЦ можно, отправив заявку на электронную почту (в правом верхнем углу каждой страницы сайта). За консультацией по подбору обращайтесь к нашим специалистам по телефонам, указанным в разделе Контакты.
