Описание обратных клапанов КОМ6/3, КОМ10/3

Гидроклапаны обратные модульные КОМ-6/3 и КОМ-10/3 применяются в гидролиниях, где требуется свободное пропускание потока рабочей жидкости в одном направлении и запирание потока рабочей жидкости в противоположном направлении.
Рабочая жидкость - чистые минеральные масла с вязкостью 20...250 сантистокс, рекомендуемая температура окружающей среды +1...+45 °С. Тонкость фильтрации рабочей жидкости ≤ 25 микрон.
Область применения клапана обратного модульного монтажа КОМ 6 3 и КОМ 10 3: машиностроение, автомобилестроение, тракторостроение и другие смежные отрасли промышленности.
Структура условного обозначения КОМ6/3, КОМ10/3
|
1 |
2 |
/ |
3 |
4 |
5 |
6 |
7 |
|
КОМ |
X |
3 |
Х |
Х |
ХХХ |
Х |
| 1 | Тип устройства |
КОМ - гидроклапан обратный модульный |
| 2 | Условный проход, мм |
6 10 |
| 3 | Номинальное давление на входе | 3 - 32 МПа (320 кг/см²) |
| 4 | Конструктивное исполнение |
Р - с обратным клапаном в гидролинии Р, Т - с обратным клапаном в гидролинии Т А - с обратным клапаном в гидролинии А В - с обратным клапаном в гидролинии В |
| 5 | Исполнение |
М - модернизированный без обозначения- стандартное исполнение |
| 6 | Климатическое исполнение | УХЛ или О |
| 7 | Категория размещения | 4 |
Основные характеристики гидроклапанов КОМ-6/3, КОМ-10/3
|
Наименование параметра |
Исполнение клапана |
|||||||
|
КОМ6/3Т |
КОМ10/3Т |
|||||||
|
Условный проход, мм |
6 |
10 |
||||||
|
Обозначение линии, в которой расположен обратный клапан |
Р |
Т |
А |
В |
Р |
Т |
А |
В |
|
Номинальное давление, МПа |
32 |
|||||||
|
Давление открытия клапана, МПа |
0,1 |
0,05 |
||||||
|
Давление в сливной линии, МПа |
до 32 |
- |
||||||
|
Внутренние утечки в стыковом соединении, см³/мин |
не допускаются |
1,0 |
||||||
|
Расход рабочей жидкости номинальный / максимальный, л/мин |
12,5 / 30 |
63 / 130 |
||||||
|
Масса, кг |
0,4 |
1,5 |
||||||
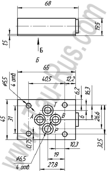
Габаритные и присоединительные размеры клапанов обратных КОМ6/3, КОМ10/3
Чертёж КОМ 6 3
Чертёж КОМ 10 3
