|
— 1 = винт крепления кронштейна |
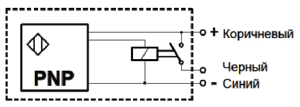
— По требованию цилиндры HC2* могут быть оснащены настраиваемыми магнитными датчиками FMR, FMH, устанавливаемыми на стяжных шпильках, для диаметров гильзы от Ø5 до Ø125 включительно. Рабочее давление данных цилиндров должно быть не выше 160 бар (без скачков давления), а крышки цилиндров не должны работать в качестве механических упоров для исключения гидравлических ударов в конце хода. Зона срабатывания датчика составляет 30-40 мм и зависит от скорости поршня, как в промежуточном, так и в конце хода. Однако для считывания только конечных положений поршня предпочтительно использовать индуктивные датчики FP* (см. раздел ниже), как обеспечивающие более высокую точность. Для цилиндров с ходом до 80 мм и цилиндров с цапфами на промежуточной опоре необходимо проконсультироваться в нашем техническом отделе, так как из-за проблем с искажением магнитного поля датчики могут работать некорректно. — Цилиндры HC2* поставляются с установленным на стяжную шпильку двумя магнитными датчиками одного из следующих типов: — Герконовые датчики FMR (стандарт) с нормально открытыми контактами, которые замыкаются под действием магнитного поля от пластоферритового магнитного кольца внутри поршня. Они имеют достаточно большой ресурс и могут непосредственно коммутировать электрические цепи. — Магнитные датчики Холла FMH с полупроводниковыми ключами PNP-типа. Благодаря отсутствию подвижных механических контактов они имеют исключительно высокий ресурс, большую частоту переключения и высокую чувствительность к магнитному полю. В отличии от герконовых датчиков FMR, они могут выдавать только управляющий сигнал напряжения и не могут коммутировать силовые электрические цепи. |
Размеры датчиков FMR, FMH для гидроцилиндров HC2*
![]() Герконовые датчики для гидроцилиндров HC2* диаметром 25 и 32 мм и датчики Холла для гидроцилиндров HC2* диаметром от 25 мм до 125мм |
![]() Герконовые датчики для гидроцилиндров HC2* диаметром от 40 мм до 125 мм |
Основные параметры бесконтактных индуктивных датчиков FMR
|
|
|
||||||||||||||||||||||||||||||||||||||||||||||||||||||||||||
Основные параметры бесконтактных датчиков Холла FMH (Код - 02990010000003)
|
|
|
Встроенные бесконтактные индуктивные датчики FP* (завершения хода) для гидроцилиндров HC2*
|
|
— По требованию заказчика цилиндры HC2* могут быть оснащены бесконтактными индуктивными датчиками FP* завершения хода (конечными выключателями) типа PNP нормально-открытыми на выходе. датчики монтируются в переднюю и заднюю крышки цилиндра и выдают электрический сигнал, когда поршень занимает конечное положение. — Датчики применимы для цилиндров с любым типом крепления (начиная с Ø40) со следующими ограничениями: — Для цилиндров Ø40: исполнение крепления гидроцилиндров HC2A*, HC2B*, HC2C*, HC2D*, HC2F*, HC2G*, HC2H* применимо только на задней крышке; исполнение крепления HC2B*, HC2C*, HC2D*, HC2F*, HC2G*, HC2H*,HC2L*, HC2N* применимо только на передней крышке. — Для цилиндров Ø50: исполнение крепления гидроцилиндров HC2H* применимо только на задней крышке; исполнение крепления гидроцилиндров HC2N* применимо только на передней крышке. — Для цилиндров Ø80 и Ø100: исполнение крепления гидроцилиндров HC2N* применимо только на передней крышке. — Для цилиндров Ø125/56, Ø160 и Ø200: исполнение крепления гидроцилиндров HC2A* применимо только на задней крышке; исполнение крепления гидроцилиндров HC2B* применимо только на передней крышке. |
— Штекеры для бесконтактных датчиков FP* заказываются отдельно. Код штекера: ECM3S/M12L/10. Примечание: Данные штекеры не подходят для цилиндров в исполнении АТЕХ.
— Штекер: подготовлен для кабельной разводки М12 - IP68.
— Кабель: 3 провода по 0,34 мм2, длиной 5 метров, предварительная разводка.
— Материал кабеля: ПОЛИУРЕТАН (маслостойкий).
— Штекер имеет два светодиодных индикатора, зеленый и желтый. Зеленый светодиод указывает присутствие подачи напряжения на электроразъем. Электроразъем под напряжением: зеленый светодиод включен. Электроразъем не под напряжением: зеленый светодиод выключен. Желтый светодиод показывает позиционный сигнал. Желтый включен - поршень находится в конечном положении. Желтый выключен - поршень - не в конечном положении.
Основные параметры бесконтактных индуктивных датчиков FP*
|
|
|
||||||||||||||||||||||||||||||
— Примеры для заказов:
ECM3S/M12L/10 - Разъем M12 с индикацией и кабелем 5м для индуктивного датчика.
02990010000004 - Датчик магнитный герконовый с кабелем (2м) к НС2*, диам. 25 и 32 мм.
02990010000001 - Датчик магнитный герконовый с разъемом (разъем с кабелем L=2м) к НС2*, диам. 40 - 125 мм.
02990010000003 - Датчик Холла NPN с кабелем к НС2.
Датчики FMR, FMH для гидроцилиндров HC2*


Схема датчиков FMR
Схема датчиков FMH
Датчики FP* для гидроцилиндров HC2*
Схема датчиков FP*