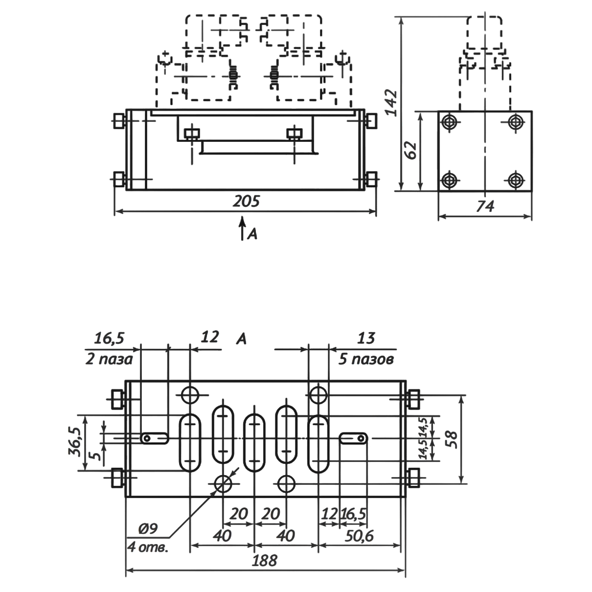
Пневмораспределители 5Р4-231-04-0-1, 5Р4-233-04-0-1 |
Пневмораспределители золотниковые пятилинейные 5Р4-231, 5Р4-232-..., 5Р4-211-..., 5Р4-212-..., 5Р4-311-..., 5Р4-331-... предназначены для изменения направления и перекрытия потоков сжатого воздуха в пневмосистемах. В зависимости от пневмосхемы, распределитель может быть с односторонним / двусторонним пневмоуправление или электропневмоуправлением (с электромагнитами). Данные распределители выпускаются со стыковым, либо с трубным присоединением. Трубный монтаж осуществляется с помощью монтажных плит. Указания по применению. Маркировка отверстий для соединения распределителя с монтажной плитой:
Габариты стыковой поверхности (без монтажной плиты) для пневмораспределителей 5Р4 – 2 по ДСТУ 2144-93 (ГОСТ 30016-93). Распределители 5Р4 применяются в пневматических системах, работающих при давлении сжатого воздуха до 1,0 Мпа (10 кгс/см2), очищенного не грубее 10 класса загрязненности по ГОСТ 17433 и содержащего распыленное масло вязкостью 10 – 35мм2/с (10 – 35 сСт) при температуре 50°C с концентрацией 1-2 капли на 1м3 воздуха, приведенного к нормальным условиям (температура 20°C, давление 101325 Па). Климатические исполнения УХЛ и О, категория размещения – 4 по ГОСТ 15150. Исполнение О – только для стран с тропическим климатом. Виброустойчивость и вибропрочность распределителей соответствуют II степени жесткости по ГОСТ 28988. Степень защиты оболочки электромагнитов распределителя с электромагнитным управлением – IP 54 по ГОСТ 14254. Допускается превышение температуры нагрева обмотки катушки распределителя – не более 85°C над температурой окружающей среды. Размер монтажной поверхности – 2 по ИСО 5599/1. ВНИМАНИЕ!!! При монтаже пневмораспределителей 5Р4-212-… и 5Р4-232-… ось золотника должна находиться в горизонтальном положении. Монтажное расположение пневмораспределителей других схем – любое. |
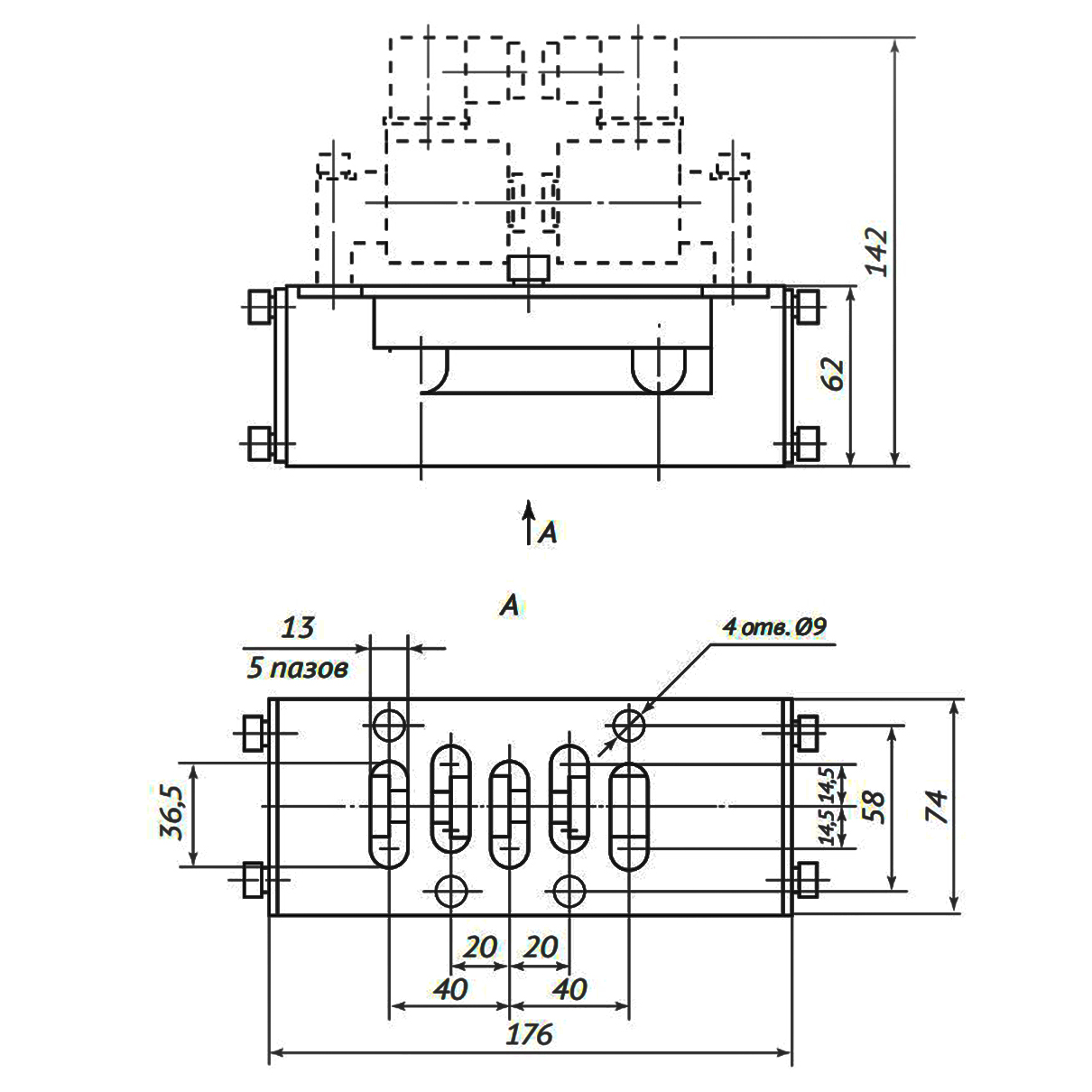
Пневмораспределители 5Р4-232-04-0-1, 5Р4-331-04-0-1 |
Структура условного обозначения пневмораспределителей 5Р4
| 5Р4 | - | ХХХ | - | ХХ | - | 0 | - | 1 | - | ХХХХ | - | Х4 | |
| Вид климатического исполнения по ГОСТ 15150-69 | |||||||||||||
|
|
|||||||||||||
|
Род, частота, номинальное напряжение электрического тока: А— переменный ток, 50 Гц (24, 36,110,220, 380В); Б — переменный ток, 60 Гц (110, 220В); Д — постоянный ток (12, 24, 48, 110В). |
|||||||||||||
|
|
|||||||||||||
| Способ присоединения к электросети: 1 —разъем | |||||||||||||
|
|
|||||||||||||
| 0 — без индикации управляющего сигнала | |||||||||||||
|
|
|||||||||||||
|
Способ присоединения пневмолиний (размер монтажной поверхности по ИСО 5599/1): 04 — без плиты 13 — плита для трубного монтажа, отверстия сбоку, К1/2" 14 — плита для трубного монтажа, отверстия сбоку, K3/4" 54 — плита для батарейного монтажа, отверстия снизу, K3/4" 33 — плита для трубного монтажа, отверстия снизу, K1/2" 34 — плита для трубного монтажа, отверстия снизу, K3/4" 35 — плита для трубного монтажа, отверстия снизу, K1" 84 — плита для стыкового монтажа, отверстия снизу |
|||||||||||||
|
|
|||||||||||||
| Пневмосхема (смотри таблицу ниже "Варианты исполнения...") | |||||||||||||
|
|
|||||||||||||
| Тип пневмораспределителя (условный проход 10 мм) | |||||||||||||
Варианты исполнения пневмораспределителей 5Р4
| Пневмораспределитель | Обозначение схем | Исполнение |
| 5Р4-211-... | 211 | Двухпозиционный с односторонним пневматическим управлением и пневмовозвратом. |
| 5Р4-212-... | 212 | Двухпозиционный с двусторонним пневматическим управлением. |
| 5Р4-231-... | 231 | Двухпозиционный с односторонним электропневматическим управлением, ручным дублированием и пневмовозвратом. |
| 5Р4-232-... | 232 | Двухпозиционный с двусторонним электропневматическим управлением и ручным дублированием. |
| 5Р4-311-... | 311 | Трехпозиционный с двусторонним пневматическим управлением, возврат в среднюю позицию пружинный, все линии перекрыты |
| 5Р4-331-... | 331 | Трехпозиционный с двусторонним электропневматическим управлением и ручным дублированием, возврат в среднюю позицию пружинный, все линии перекрыты. |
Основные характеристики пневмораспределителя типа 5Р4
| Параметр | Значение |
| Условный проход, мм | 20 |
| Номинальное давление, МПа | 1,0 |
|
Пропускная способность, Кv, м3/ч, не менее: - двухпозиционных; - трёхпозиционных |
5,6 5,0 |
|
Время срабатывания, с, не более: - включение; - выключение |
0,08 0,13 |
| Общая утечка воздуха из полостей распределителя, см³/мин, не более | 80 |
| Максимальное число срабатываний, 1/с | 4 |
|
Номинальное напряжение питания, В: - постоянного тока - переменного тока 50Гц - переменного тока 60Гц |
12, 24, 48, 110 24, 36, 110, 220, 380 110, 220 |
|
Номинальная потребляемая мощность, не более: - постоянного тока, Вт - переменного тока 50Гц, ВА - переменного тока 60Гц, ВА |
7 9 12 |
| Средняя наработка до отказа, циклов, не менее | 1*106 |
| Полный средний ресурс, циклов, не менее | 5*106 |
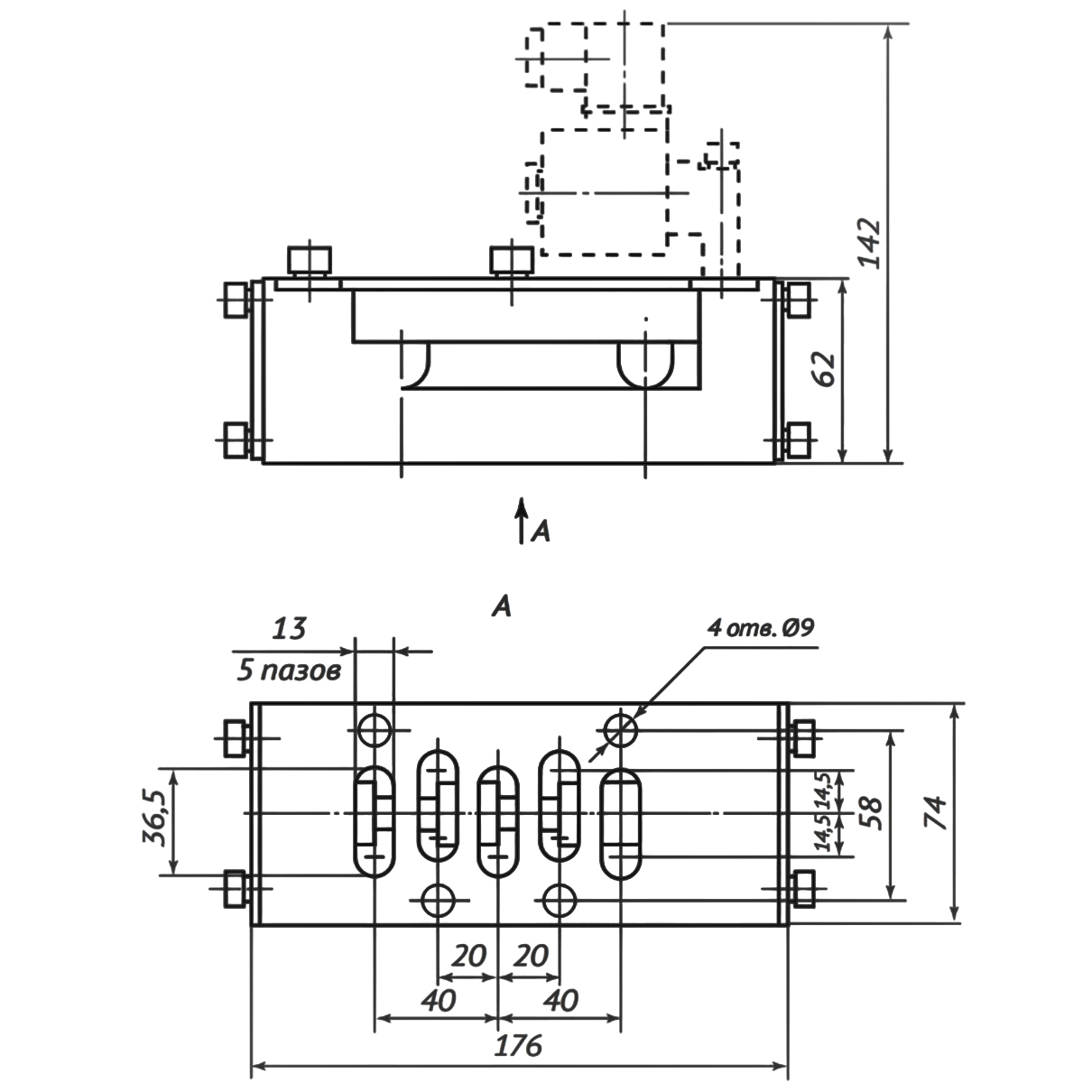
Габаритные и присоединительные размеры пневмораспределителей 5Р4-211(-212, -231, -232, -311, -331)-...
Пневмораспределитель пятилинейный золотниковый 5P4-311-..., 5Р4-331-..
Пневмораспределитель пятилинейный золотниковый 5P4-212-..., 5Р4-232-...
Пневмораспределитель пятилинейный золотниковый 5P4-311-..., 5Р4-331-..
Пример условного обозначения распределителя двухпозиционного с двухсторонним электропневматическим управлением, ручным дублированием и пневматическим возвратом, с монтажной плитой для трубного монтажа, отверстия сбоку, К3/4", без индикации управляющего сигнала, с присоединением к электросети через разъем для переменного тока с частотой 50 Гц и номинальным напряжением 220В, климатического исполнения УХЛ 4:
- Пневмораспределитель 5Р4-232-14-0-1-А220 УХЛ4
Возможные варианты исполнения пневмораспределителя 5Р4 с электропневматическим управлением:
| Наименование | Пневмосхема | Монтаж * | Род, частота, номинальное напряжение |
|---|---|---|---|
| Пневмораспределитель 5Р4-211-04(-13,-14)-0-1 |
|
04 — без плиты 13 — плита для трубного монтажа, отверстия сбоку, К1/2" 14 — плита для трубного монтажа, отверстия сбоку, К3/4" |
Пневматическое управление (без электромагнитных катушек) |
| Пневмораспределитель 5Р4-212-04(-13,-14)-0-1 |
|
||
| Пневмораспределитель 5Р4-311-04(-13,-14)-0-1 |
|
||
| Пневмораспределитель 5Р4-231-04(-13,-14)-0-1-Д24(-А110,-А220) |
|
Д24 — постоянный ток, 24В; А110 — переменный ток, 50Гц, 110В; А220 — переменный ток, 50Гц, 220В |
|
| Пневмораспределитель 5Р4-232-04(-13,-14)-0-1-Д24(-А110,-А220) |
|
||
| Пневмораспределитель 5Р4-331-04(-13,-14)-0-1-Д24(-А110,-А220) |
|
* Исполнения по плитам 54, 33, 34, 35, 84 согласовываются индивидуально и могут не приниматься к заказу.
