Описание клапанов MRV
Основная функция клапана MRV – предотвращение критического роста давления в гидравлических системах, перенаправление излишков жидкости в сливную магистраль.
Это решение гарантирует стабильную и безопасную работу оборудования, минимизируя риски поломок и аварийных ситуаций.
Клапан MRV интегрируют в промышленные гидроконтуры, мобильную технику, станки и другие системы, требующие точного контроля давления. Он совместим со стандартными монтажными интерфейсами, что упрощает установку и замену.
Регулировка давления настраивается через эргономичную регулировочную рукоятку: Поворот по часовой стрелке – увеличение давления; Поворот против часовой стрелки – снижение давления.
Важно! Перед настройкой убедитесь, что заданное значение не превышает максимально допустимый уровень для компонентов системы.
Конструктивные преимущества: корпус и внутренние элементы изготовлены из износостойких сплавов, устойчивых к коррозии и механическим нагрузкам. Клапан рассчитан на работу в условиях высоких давлений и температурных перепадов.
Структура условного обозначения MRV
| 1 | - | 2 | 3 | - | 4 | 5 |
| MRV | 02 | А | К | 1 |
| 1 | Тип устройства | MRV = модульный предохранительный клапан | |||
| 2 | Условный проход |
02 = 6 мм 03 = 10 мм |
|||
| 3 | Функциональные порты |
A = A-> T B = B -> T W = A -> T & B -> T |
|||
|
|
|
|||
| 4 | Тип регулировки |
К = пластиковая ручка Без обозначения = ручка отсутствует |
|||
| 5 | Диапазон регулировки давления |
1 = 8~70 бар 2 = 35~140 бар 3 = 70~250 бар 4 = 100~315 бар |
|||
Технические характеристики MRV
| Модель | MRV-02 | MRV-03 | |
| Условный проход, мм | 6 | 10 | |
| Расход, л/мин: | 35 | 70 | |
| Рабочая температура, °C | -30 до +80 | ||
| Рабочая среда | Минеральное масло | ||
| Масса кг, не более | A, B | 1,5 | 3,4 |
| W | 2,5 | 4,5 | |
| Класс чистоты масла по ISO4406 | Класс 20/18/15 | ||
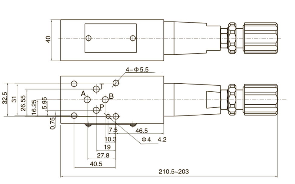
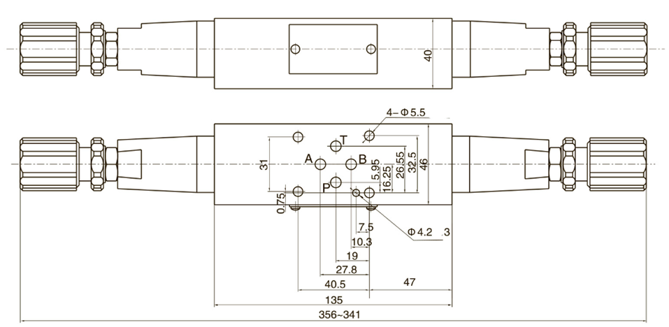
Габаритные и присоединительные размеры MRV
Габаритные и присоединительные размеры клапана MRV-02-A
Габаритные и присоединительные размеры клапана MRV-02-B
Габаритные и присоединительные размеры клапана MRV-02-W
Габаритные и присоединительные размеры клапана MRV-03-A
Габаритные и присоединительные размеры клапана MRV-03-B
Габаритные и присоединительные размеры клапана MRV-03-W


