Описание гидродросселей MERS

Он также может использоваться как реверсивный клапан (версия G*). Обеспечивает управление расходом рабочей жидкости на входе или на выходе в зависимости от установки клапана на монтажной плите.Все конфигурации оснащены обратным клапаном позволяющим получить свободный обратный поток (давление открытия клапана 0,5 бар).
Обычно клапан поставляется в комплекте с регулировочным винтом с шестигранной головкой.

Конфигурации (смотрите таблицу обозначений на гидравлических схемах):
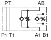
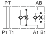
- Дроссель MERS-SA/50: используется в тех случаях, когда необходимо управление потоком, поступающим из исполнительного механизма в магистраль A.
- Дроссель MERS-SB/50: используется в тех случаях, когда необходимо управление потоком, поступающим из исполнительного механизма в магистраль B.
- Дроссель MERS-D/50: независимое управление потоком, выходящим из двух камер исполнительного механизма.
- Дроссель MERS-RD/50: независимое управление потоком, поступающим в две камеры исполнительного механизма.
- Конфигурация дросселя MERS-G/50: реверсивный клапан.

MERS-GD/M/50


MERS-GSA/M/50

MERS-GSB/M/50

Структура обозначения
|
1 |
- |
2 |
- |
3 |
/ |
4 |
- |
5 |
|---|---|---|---|---|---|---|---|---|
|
MERS |
D |
M |
50 |
V |
| 1 | Тип устройства | MERS = Дроссель модульного исполнения, с обратным клапаном для свободного обратного потока, размер CETOR 03 |
| 2 | Вариант исполнения |
SA = управление путем изменения расхода рабочей жидкости на выходе магистрали A SB = управление путем изменения расхода рабочей жидкости на выходе магистрали B D = управление путем изменения расхода рабочей жидкости на выходе магистралей A и B RD = управление путем изменения расхода рабочей жидкости на входе в магистрали A и B G* = реверсивные клапаны (ПРИМЕЧАНИЕ) GD = управление путем изменения расхода рабочей жидкости в магистралях A и B GSA = управление путем изменения расхода рабочей жидкости в магистрали A GSB = управление путем изменения расхода рабочей жидкости в магистрали B |
| 3 | Регулировка | M = Регулировка с помощью ручки SICBLOC (пропустить, если регулировка осуществляется с помощью регулировочного винта с шестигранной головкой) |
| 4 | Номер серии | 50 (Габаритные и монтажные размеры остаются неизменными для серий с 50 по 59) |
| 5 | Уплотнения |
Пропустить в случае минеральных масел V = вайтон (для специальных типов жидкостей) |
Параметры
|
Максимальное рабочее давление |
бар |
350 |
|
Максимальный расход в магистралях регулируемого расхода |
л/мин |
50 |
|
Максимальный расход в свободных магистралях |
л/мин |
70 |
|
Минимальный регулируемый расход при Δp 10 бар |
л/мин |
<0,060 |
|
Рабочий диапазон температур окружающей среды |
°C |
-20...+50 |
|
Диапазон температур жидкости |
°C |
-20...+80 |
|
Диапазон вязкостей жидкости |
сСт |
10...400 |
|
Рекомендуемая вязкость |
сСт |
25 |
|
Допустимый уровень загрязнения жидкости |
Класс 20/18/15 по ISO 4406:1999 |
|
|
Масса: |
кг |
1,3 |
Габаритные и монтажные размеры дросселей Duplomatic MERS
Дроссели MERS-D, MERS-RD, MERS-SA, MERS-SB
- Монтажная поверхность с уплотнительными кольцами: 4 шт. типа OR 2037(9.25x1.78).
- Регулировочный винт с шестигранной головкой. Гаечный ключ 13 мм. Для увеличения расхода вращать против часовой стрелки.
- Ручка регулировки SICBLOC (по требованию). Для работы нажмите ее и одновременно вращайте.
Дроссели MERS-GD, MERS-GSA, MERS-GSB
- Монтажная плита с уплотнениями типа OR (код 1955131)(включается в поставку): 4 шт. KANTSEAL DKAR00012-N70.
- Регулировочный винт с шестигранной головкой. Гаечный ключ 13 мм. Для увеличения расхода вращать против часовой стрелки.
- Ручка регулировки SICBLOC (по требованию). Для работы нажмите ее и одновременно вращайте.
- Идентификационная табличка.