Описание регуляторов расхода МПГ55-2*
Регулятор расхода (дроссель) МПГ55-22(24,25)М устанавливается в гидросистемах там, где требуется поддержание установленной скорости перемещения рабочих органов станков и других стационарно работающих машин в независимости от нагрузки.
Регуляторы расхода модернизированные обычной прочности МПГ55-22М, МПГ55-24М, МПГ55-25М состоят из гидродросселя и редукционного клапана, который поддерживает постоянный перепад давления на дросселирующей щели, благодаря чему расход рабочей жидкости, проходящей через гидродроссель, не зависит от давления на входе и выходе из него.
Гидравлические регуляторы потока МПГ-55-2 работают на минеральных маслах с тонкостью фильтрации 25 мкм, вязкостью 10-200 сСт при температуре масла от +10 до +70 °С
и температуре окружающей среды от +1 до +40 °С.
Регуляторы расхода МПГ 55-2 выпускаются на ном. давление 20 МПа и 32 МПа. В зависимости от номинального расхода рабочей жидкости регуляторы расхода
МПГ55-2 бывают трёх исполнений:
МПГ55-22 - c условным проходом 10 мм;
МПГ55-24 - c условным проходом 16 мм;
МПГ55-25 - c условным проходом 20 мм.
Условное обозначение регулятора расхода МПГ55-2
|
1 |
2 |
3 |
4 |
5 |
|
Х |
МПГ55-2 |
Х |
Х |
ХХХХ |
| 1 | Исполнение по прочности |
без индекса - нормальная прочность 2 - повышенная прочность |
| 2 | Тип регулятора расхода | МПГ55-2 |
| 3 | Условный проход |
2 - Ду=10 мм 4 - Ду=16 мм 5 - Ду=20 мм |
| 4 | Наличие замкового устройства |
без индекса - нет 1 - есть |
| 5 | Климатическое исполнение по ГОСТ 15150 | УХЛ4, 04.1 |
Примечание: вообще, буква М ("модернизированный") после индекса условного прохода может отсутствовать в маркировке данного регулятора, например, регулятор расхода МПГ55-24 УХЛ4.
Фотографии и параметры регуляторов расхода МПГ55-2...

Параметры гидравлических регуляторов потока МПГ55-22, МПГ55-24, МПГ55-25
|
Обозначение |
Ду, мм |
Расход рабочей жидкости ном./мин./макс., л/мин |
Давление на входе ном./мин./макс., МПа |
Макс. давление на выходе, МПа |
Перепад давления на дросселе регулятора расхода не менее, МПа |
Расход утечек масла через полностью закрытый дроссель не более, см³/мин |
Допустимое отклонение установленного расхода не более, % |
|
|
МПГ55-22(М) |
10 |
25 / 0,04 / 32 |
20 / 0,5 / 21,5 |
20 |
0,15 - 0,25 |
30 |
± 5 |
4,0 |
|
2МПГ 55-22(М) |
||||||||
|
МПГ55-24М |
16 |
100 / 0,09 / 120 |
70 |
7,5 |
||||
|
2МПГ55-24(М) |
||||||||
|
МПГ 55-25М |
20 |
200 / 0,15 / 240 |
120 |
15,5 |
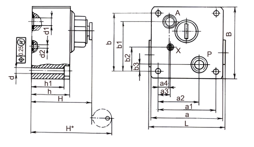
Габаритные и присоединительные размеры МПГ55-25М, МПГ55-22М, МПГ55-24М
|
Наименование, Ду |
L |
B |
H |
H* |
h |
h1 |
d |
d1 |
d2 |
a |
a1 |
a2 |
a3 |
a4 |
b |
b1 |
b2 |
b3 |
|
МПГ55-22М, 2МПГ55-22М (Ду=10мм) |
108 |
100 |
88 |
137 |
54 |
44 |
9 |
10 |
4 |
102 |
76,2 |
54 |
9,5 |
82,5 |
52,5 |
36 |
11 |
|
|
МПГ55-24М, 2МПГ55-24М (Ду=16мм) |
133 |
126 |
107 |
156 |
67 |
51 |
11 |
18 |
4 |
126 |
101,6 |
71,4 |
20,8 |
20,6 |
101,6 |
88,9 |
54,6 |
12,7 |
|
МПГ55-25М, 2МПГ55-25М (Ду=20мм) |
178 |
166 |
132 |
175 |
92 |
72 |
17 |
28,7 |
4 |
178 |
146 |
104,8 |
28 |
22,3 |
133,5 |
104,8 |
66 |
12,7 |
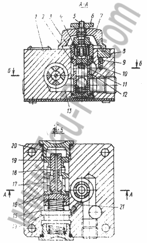
Конструкция и принцип работы МПГ 55-25(М), МПГ 55-22(М), МПГ 55-24(М)
Конструктивные элементы регулятора потока МПГ55-22М ( 24М, 25М):
1 - корпус;
2 - втулка;
3 - втулка-дроссель;
4,6 - гайки;
5 - регулировочный винт;
7 - лимб;
8 - указатель оборотов;
9 - шарик;
10,11,12,15 - пружины;
12 - отверстие отвода;
13,17,18 - отверстия;
14,16,20 - полости;
10 - золотник;
21 - заглушка.
Описание работы регулятора потока МПГ55-25М ( 22М, 24М):
Рабочая жидкость из гидросистемы поступает к отверстию подвода 18 и далее через отверстия 17 и 13 в корпусе вот втулку 2. Далее рабочая жидкость через дросселирующую щель втулки 2 поступает к отверстию отвода 12. Отверстие 17 сообщается с полостями 20 и 16, а отверстие отвода 12 - с полостью 14. Золотник 19 находится в равновесном положении под действием усилия пружины 15 и усилий, возникших в момент подвода
давления в его торцевые полости 20, 16 и 14. При увеличении давления в напорной магистрали гидросистемы давление в отверстиях 18, 17, 13 повышается, что приводит к нарушению равновесия сил, действующих на золотниковый механизм.
Под действием гидростатических сил, создаваемых давлением рабочей жидкости в полостях 20 и 16, золотник перемещается в сторону пружины и, соответственно, его дросселирующая кромка изменяет сопротивление расходу потока рабочей жидкости, благодаря этому давление на входе в гидродроссель (отверстие 13) уменьшается по сравнению с давлением в напорной магистрали. Т.о. на дросселирующей щели поддерживается постоянный перепад давления.
Расход рабочей жидкости регулируется изменением проходного сечения дросселирующей щели во втулке 2 за счёт осевого перемещения втулки-дросселя 3 с помощью гайки 4 в одну сторону и пружины 11 - в другую. Гайке 4 вращение передаётся через лимб 7 и винт 5. Лимб можно поворачивать до 4-х оборотов. После каждого оборота лимб с помощью штифта поворачивает на 1/4 оборота указатель оборотов 8, который фиксируется от самопроизвольного вращения шариком 9 и пружиной 10. При повороте лимба по часовой стрелке расход рабочей жидкости увеличивается, против - уменьшается. Фиксация лимба производится гайкой 6.
Стыки пробок и корпуса, соединение регулировочного винта и втулки уплотняются резиновыми кольцами по ГОСТ 9833-73 (ГОСТ 18829-73) (см. таблицу ниже: Комплект поставки МПГ55-2...М).
Комплект поставки регулятора потока МПГ55-22М (МПГ55-24М, МПГ55-25М)
|
Наименование |
Обозначение |
Количество для МПГ55-22М (Ду=10мм), шт. |
Количество для МПГ55-24М (Ду=16мм), шт. |
Количество для МПГ55-25М (Ду=20мм), шт. |
|
Регулятор расхода |
МПГ55-2...М |
1 |
1 |
1 |
|
Кольца резиновые уплотнительные ГОСТ 9833-73 (ГОСТ 18829-73) |
006-010-25-2 |
1 |
1 |
1 |
|
012-016-25-2 |
2 |
- |
- |
|
|
032-037-30-2 |
- |
2 |
2 |
|
|
Паспорт |
МПГ55-2М ПС |
1 |
1 |
1 |
Пример условного обозначения регулятора расхода рабочей жидкости нормальной прочности с условным проходом 10 мм, с номинальным давлением на входе 20 МПа, с номинальным расходом рабочей жидкости 25 л/мин, для районов с умеренным и холодным климатом, категория размещения 4:
Регулятор расхода МПГ55-22М УХЛ4.
