Пневмораспределители 1011.*, 1012.*, 1013.*
|
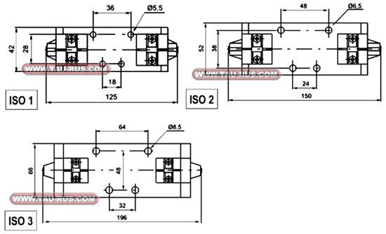
Пневмораспределители 1011.52.3.9.M3R, 1011.52.3.5.M3R, 1012.52.3.6.M3R, 1012.52.3.9.M3R, 1013.52.3.6.M3R, 1013.52.3.9.M3R (и другие исполнения) выполненные по стандарту ISO 5599/1, имеют специальную приточную поверхность и предназначены дляустановки на плиты, имеющие аналогичную поверхность. Выполняются 3-х типоразмеров. Выполнены из современноговысокопрочного технополимера. Расход пневмораспределителей 1011.*, 1012.*, 1013.*: ISO1 = 900 нл/мин, ISO2 = 1600 нл/мин, ISO3 = 3600 нл/мин (при 6 бар и ΔР=1 бар).Рабочее давление: 2,5...10 бар. Температура эксплуатации: –5 … + 50 °С. Размеры невмораспределителей 1011.*, 1012.*, 1013.*
|
Условное обозначение пневмораспределителей 1011.*, 1012.*, 1013.*
| 101 | 1 | . | 52 | . | 3 | . | 9 | M3R | * | * | |||||
|
Не используется
|
|||||||||||||||
|
|
|||||||||||||||
|
Не используется
|
|||||||||||||||
|
|
|||||||||||||||
|
M3R = под установку катушек МВ или катушек МС
|
|||||||||||||||
|
|
|||||||||||||||
|
Исполнение:
9 = 6 = 5 = |
|||||||||||||||
|
|
|||||||||||||||
|
Управление:
3 = |
|||||||||||||||
|
|
|||||||||||||||
|
Тип:
52 = 53.31 = 53.32 = 53.33 = |
|||||||||||||||
|
|
|||||||||||||||
|
Типоразмер:
1 = ISO 1 (900 нл/мин) 2 = ISO 2 (1600 нл/мин) 3 = ISO 3 (3600 нл/мин для 5/2 и 3000 нл/мин для 5/3) |
|||||||||||||||
|
|
|||||||||||||||
|
101 = Распределитель электропневматический c монтажной поверхностью по стандарту ISO 5599/1, технополимер
|
|||||||||||||||
Принадлежности для пневмораспределителей 1011.*, 1012.*, 1013.*
| Катушка типа МС (30х38 мм) | Заглушка | ||
|
MС5 = 24V DC, 3.8W MС56 = 24V AC MС57 = 110V AC MС58 = 220V AC |
|
1101.16 (ISO 1) 1102.16 (ISO 2) 1103.16 (ISO 3) |
|
| Одноместная плита с выходами с боку (VDMA 24345) | Одноместная плита с выходами вниз (VDMA 24345) | ||
|
1101.14 (ISO 1) 1102.14 (ISO 2) 1103.14 (ISO 3) |
|
1101.15 (ISO 1) 1102.15 (ISO 2) 1103.15 (ISO 3) |
|
|
Секция универсальная многоместной плиты |
Концевой блок многоместной плиты ISO 1 | ||
|
1101.00 (ISO 1) 1102.00 (ISO 2) 1103.00 (ISO 3) |
|
1101.09 (ISO 1) |
|
|
Концевой блок многоместной плиты ISO 3 |
Переходник | ||
| 1103.11 (ISO 3) |
|
1100.2-1 (с ISO 2 на 1) 1100.3-2 (с ISO 3 на 2) |
|
| Концевой блок универсальный для многоместной плиты | |||
|
1101.10 (ISO 1) = выходы глухие 1102.10 (ISO 2) = выходы глухие 1101.11 (ISO 1) = выходы в бок 1102.11 (ISO 2) = выходы в бок 1101.12 (ISO 1) = выходы вверх 1102.12 (ISO 2) = выходы вверх 1101.12 (ISO 1) = выходы вниз 1102.12 (ISO 2) = выходы вниз |
|
||
Пример обозначения пневмораспределителей и принадлежностей при заказе:
1011.52.3.9.M3R - ПНЕВМОРАСПРЕДЕЛИТЕЛЬ ISO 1, 5/2- ЭлПнУправление-Пружина
1011.52.3.6.M3R - ПНЕВМОРАСПРЕДЕЛИТЕЛЬ 5/2 ISO 1, ЭлПнУправление-ПнВозврат
1011.52.3.5.M3R - ПНЕВМОРАСПРЕДЕЛИТЕЛЬ 5/2 ISO 1, ЭлПнУправление двухстороннее
1011.52.1.6 - ПНЕВМОРАСПРЕДЕЛИТЕЛЬ 5/2 ISO 1, ПнУправление-ПнПружина
1012.52.3.6.M3R - ПНЕВМОРАСПРЕДЕЛИТЕЛЬ 5/2 ISO 2, ЭлПнУправление-ПнВозврат, технополимер
1012.52.3.9.M3R - ПНЕВМОРАСПРЕДЕЛИТЕЛЬ 5/2 ISO 2, ЭлПнУправление-Пружина, технополимер
1012.52.1.9 - ПНЕВМОРАСПРЕДЕЛИТЕЛЬ 5/2 ISO 2, ПнУправление-ПружВозврат
1012.52.3.5.M3R - ПНЕВМОРАСПРЕДЕЛИТЕЛЬ 5/2 ISO 2, ЭлПнУправление двухстороннее
RG1012/0001 - Набор уплотнений к расп. 1012.52.1.6. (3.6)
1013.52.3.6.M3R - ПНЕВМОРАСПРЕДЕЛИТЕЛЬ 5/2 ISO 3, ЭлПнУправление-ПнВозврат
1013.52.3.5.M3R - ПНЕВМОРАСПРЕДЕЛИТЕЛЬ 5/2 ISO 3, ЭлПнУправление двухстороннее
1013.52.3.9.M3R - ПНЕВМОРАСПРЕДЕЛИТЕЛЬ 5/2 ISO 3, ЭлПнУправление-Пружина
1013.53.31.3.5.M3R - ПНЕВМОРАСПРЕДЕЛИТЕЛЬ 5/3 ЗЦ ISO 3, ЭлПнУправление двухстороннее-Пружина

Пневмораспределители 1011.*, 1012.*, 1013.*