Реле давления МАР (MAP-80, MAP-160, MAP-320)
|
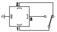
Реле давления Atos MAP-040, MAP-080, MAP-160, MAP-320, MAP-630 создает или разрывает контакт в электрической цепи при достижении заданного давления в гидросистеме. Давление жидкости воздействует на поршень(1), связанный с регулировочной пружиной (2); как только достигается предустановленное давление, поршень приводит в действие микровыключатель (3) для замыкания или размыкания контактов. Установка давления осуществляется путем вращения градуированной регулировочной кнопки (4). Вращение по часовой стрелке увеличивает предустановленное давление. Реле давления предназначены для работы в гидросистемах с минеральным маслом или синтетической жидкостью, обладающей схожими смазывающими характеристиками. Максимальное давление = 650 бар. |
1 Структура условного обозначения
2 Основные характеристики реле давления типа MAP, компании Atos
| Монтажное положение | Любое |
| Параметры стыковочной поверхности | Шероховатость Ra 0.4, неплоскостность 0.01/100 (ISO 1101) |
| Температура окружающей среды | от -20°C до + 70°C |
| Рабочая жидкость | Гидравлическое масло по DIN 51524...535; по остальным жидкостям см. раздел [ 1 ] |
| Рекомендуемая вязкость |
15÷100 сСт при 40ºС (ISO VG 15÷100) |
| Класс чистоты рабочей жидкости | ISO 19/16, достигается при тонкости фильтрации 25 мкм при рекомендуемом показателе β ≥ 75) |
| Температура рабочей жидкости | T ≤ 80°C, при T ≥ 60°C выберите исполнение уплотнений /PE |
3 Основные характеристики и подключение встроенного в реле MAP микровыключателя
| Параметр | Номинальное напряжение (В) | STD | Нормальное положение | Положение под давлением | |||
| 125 AC | 250 AC | 30 DC | 250 DC |
|
|
||
|
Mаксимальный ток (А) - резистивная нагрузка - |
7 | 5 | 5 | 0,2 | |||
|
Mаксимальный ток (А) - индуктивная нагрузка (сos φ = 0,4) - |
4 | 2 | 3 | 0,02 | |||
| Сопротивление изолятора | ≥ 100 мОМ | /E |
|
|
|||
| Сопротивление контактов | ≈ 15 мОМ | ||||||
| Электрическая надежность | ≥ 1.000.000 переключений | ||||||
| Механическая надежность | ≥ 10.000.000 переключений | ||||||
4 Размеры реле давления MAP-040, MAP-080, MAP-160, MAP-320, MAP-630 без адаптеров
|
5 Код модели для адаптеров к реле МАР, поставляемых отдельно
| ** | - | /WG | ||||||||||
|
||||||||||||
|
|
||||||||||||
|
Тип адаптера
|
||||||||||||
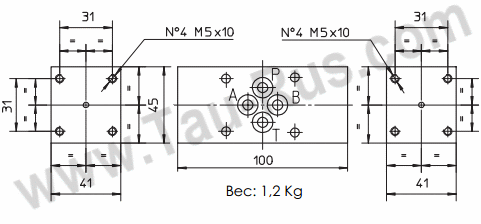
6 Размеры адаптеров
![]()
|
|
||||||||||||||||||||||||||||||||||||||||||||||||||||||||||||||||||||||||||||||||||||
BHM - Модульный монтаж ISO 4401-AB-03-4 размер 06
|
BKM - Модульный монтаж ISO 4401-AC-05-4 размер 10
|
||||||||||||||||||||||||||||||||||||||||||||||||||||||||||||||||||||||||||||||||||||
| Для версий 11 и 13 реле давления устанавливается со стороны канала A. Для версии 14 реле давления устанавливается со стороны канала В. Для версий 12, 17, 18 реле давления устанавливается с обеих сторон | |||||||||||||||||||||||||||||||||||||||||||||||||||||||||||||||||||||||||||||||||||||
Реле давления МАР (MAP-80, MAP-160, MAP-320)
