Описание всасывающих фильтров гидравлических с герметичным фланцевым креплением FST

Фильтры FST разработаны для герметичного фланцевого крепления. Монтаж осуществляется непосредственно на баке гидравлической насосной станции.
Фильтры FST предназначены для защиты насоса от возможного загрязнения низкодисперсными частицами, присутствующими в резервуаре.
Фильтрующий элемент представляет собой металлический сетчатый фильтр со степенью очистки 90 мкм, который дает хорошую защиту насоса без ухудшения необходимой подачи жидкости. Он может быть легко заменен без осушения резервуара.
Фильтры разработаны с фланцевым соединением SAE за исключением самого малого размера, где используется резьбовое присоединительное отверстие BSP. На все фильтры FST может устанавливаться электрический или визуальный индикатор засоренности.
Рабочие гидравлические жидкости: на основе минеральных масел типа HL и HLP, согласно ISO 6743/4, вязкостью 2,8...380 сСт и температурой -25...+110 °C. Температура окружающей среды от -25 до +50 °C.


Структура идентификационного кода
|
1 |
- |
2 |
- |
3 |
4 |
/ |
5 |
- |
6 |
- |
7 |
|---|---|---|---|---|---|---|---|---|---|---|---|
|
FST |
FS |
100 |
M90S |
10 |
V |
0 |
| 1 | Тип устройства | FST = всасывающий фильтр с герметичным фланцевым креплением |
| 2 | Тип резьбы |
FS = фланцевое гидравлическое соединение SAE (кроме FST-F114) TB = резьбовое отверстие BSP (только FST-F114) |
| 3 | Номинальные размер |
012 = 1/2" 034 = 3/4" 038 = 3/8" 100 = 1" 112 = 1"1/2 114 = 1"1/4 200 = 2" 212 = 2"1/2 300 = 3" |
| 4 | Фильтрующий элемент | M90S = металлическая сетка, степень очистки 90 мкм |
| 5 | Номер серии |
10 (габаритные и монтажные размеры остаются неизменными для серий с 10 по 19) |
| 6 | Уплотнение |
N = уплотнения NBR для минеральных масел (стандартное исполнение) V = уплотнение FPM для специальных типов жидкостей |
| 7 | Исполнение | 0 = без байпасного клапана |
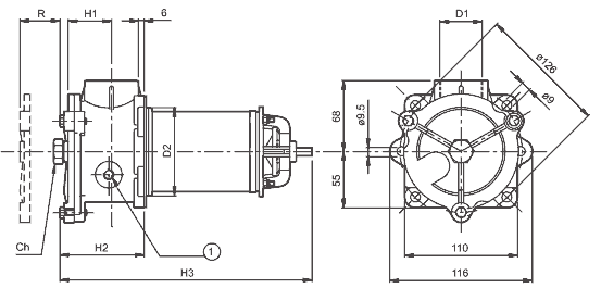
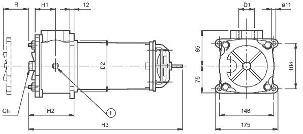
Параметры и размеры фильтра FST



|
Код фильтра |
Присоединение D1 |
Номинальный |
Масса, кг |
Размеры, мм |
|||||||||
|---|---|---|---|---|---|---|---|---|---|---|---|---|---|
|
BSP |
SAE |
D2 |
D3 |
D4 |
E |
H1 |
H2 |
H3 |
R* |
SW |
|||
|
FST-TB114-M90S |
1"1/4 |
- |
70 |
1,6 |
86 |
- |
- |
- |
42 |
80 |
275 |
250 |
22 |
|
FST-FS212-M90S |
- |
2"1/2 |
100 |
3,0 |
130 |
- |
- |
- |
66 |
120 |
322 |
300 |
22 |
|
FST-FS300-M90S |
- |
3" |
200 |
13,0 |
150 |
210 |
180 |
110 |
95 |
174÷355 |
480 |
500 |
32 |
|
FST-FS400-M90S |
- |
4" |
300 |
16,0 |
180 |
242 |
210 |
120 |
122 |
250÷405 |
470 |
500 |
32 |
R* - пространство для извлечения фильтрующего элемента.
Примечание: отверстие в баке = D2 +1 мм, для фильтров FST-FS300 (FS400) фланец не приваривается.
Присоединительное отверстие "1", индикатора засорения фильтра: 1/8" BSP. Отверстие "1" - обычно заглушено.

Для жидкостей, чья степень вязкости при конкретном рабочем давлении отличается от 36 сСт, полный перепад давления на фильтре следует изменить согласно соотношению:и при конкретном рабочем давлении отличается от 36 сСт, полный перепад давления следует изменить согласно следующему соотношению (действительно для значения вязкости вплоть до 200 сСт):
полное. знач. Δp = Δpна корпусе + Δpфильтр.эл. ÷ (факт.знач.вязкости / 36)