Плиты монтажные PMRQ (PMRQ3-AI4G/20, PMRQ5-AI5G/20, PMR7Q-AI7G/10, PMRQA5-AI5G/10, PMRQA7-AI7G/10) предназначены для монтажа гидравлических клапанов, имеющих монтажную поверхность по стандартам CETOP R06, CETOP R08,CETOP R10.
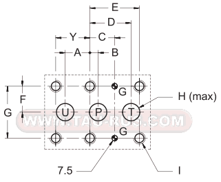
Размеры плиты PMRQ3-AI4G/20
|
Плита PMRQ3-AI4G/20 (код 1961211) выполнена по стандарту CETOP 4.4.2-2-R06-350 и служит для установки гидроклапанов, имеющих монтажную поверхность в соответствии со стандартом CETOP R06:
Максимально рабочее давление: 350 бар (35 МПа).
Присоединительные отверстия с задней стороны. |
Монтажная поверхность клапанов RQ3-P*, RQM3-P*, RQR3-P*
|
Размеры плиты PMRQ5-AI5G/20
![]() |
Плита PMRQ5-AI5G/20 (код 1961221) выполнена по стандарту CETOP 4.4.2-2-R08-350 и служит для установки гидроклапанов, имеющих монтажную поверхность в соответствии со стандартом CETOP R08:
Максимально рабочее давление: 350 бар (35 МПа).
Присоединительные отверстия с задней стороны. |
Монтажная поверхность клапанов RQ5-P*, RQM5-P*, RQR5-P*
|
Размеры плиты PMRQ7-AI7G/10
![]() |
Плита PMRQ7-AI7G/10 (код 1960051) выполнена по стандарту CETOP 4.4.2-2-R10-350 и служит для установки гидроклапанов, имеющих монтажную поверхность в соответствии со стандартом CETOP R10:
Максимально рабочее давление: 350 бар (35 МПа).
Присоединительные отверстия с задней стороны. |
Монтажная поверхность клапанов RQ7-P*, RQM7-P*, RQR7-P*
|
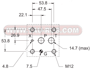
Размеры плиты PMRQA5-AI5G/10
|
Плита PMRQA5-AI5G/10 (код 1960070) служит для установки гидроклапанов RQA5-P*
Максимально рабочее давление: 350 бар (35 МПа).
Присоединительные отверстия с задней стороны. |
|||||||||||||||||||
Монтажная поверхность клапанов RQA5-P*
|
Размеры плиты PMRQA7-AI7G/10
|
Плита PMRQA7-AI7G/10 (код 1960090) служит для установки гидроклапанов RQA7-P*
Максимально рабочее давление: 350 бар (35 МПа).
Присоединительные отверстия с задней стороны. |
|||||||||||||||||||
Монтажная поверхность клапанов RQA7-P*
|
Примеры для заказа монтажных плит типа PMRQ:
PMRQ3-AI4G/20 – Плита для клапана давления, CETOP R06, P=G1/2'', T=G3/4'', X=G1/4'', сзади;
PMRQ5-AI5G/20 – Плита для клапана давления, CETOP R08, P = G1'', T = G1'', X = G1/4'', сзади, сталь;
PMRQ7-AI7G/10 – Плита для клапана давления, CETOP R10, P = G1''1/4, T = G1''1/4, X = G1/4'' сзади;
PMRQA7-AI7G/10 – Плита для клапана давления, CETOP R10, P 1 1/4'', T 1 1/4'', U 1 1/4'',сзади
PMRQA5-AI5G/10 – Плита для клапана RQA5-P, P-T-U = G3/4'', сзади

