Описание пневмораспределителей П-РК 3
Распределители пневматические П-РК.3.1 (2, 3, 4, 5, 6, 7) двухпозиционные, трехлинейные, нормально закрытые, клапанные распределители с ручным, механическим и пневматическим управлением.
Назначение пневмораспределителей П-РК3:
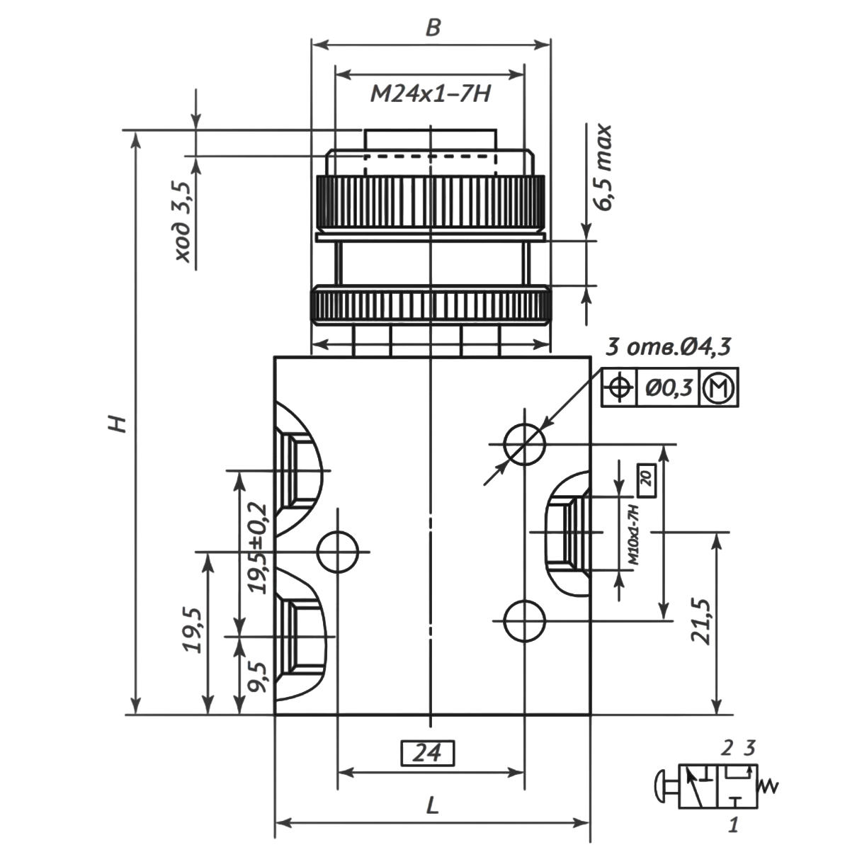
П-РК3.1 - кнопка "Пуск";
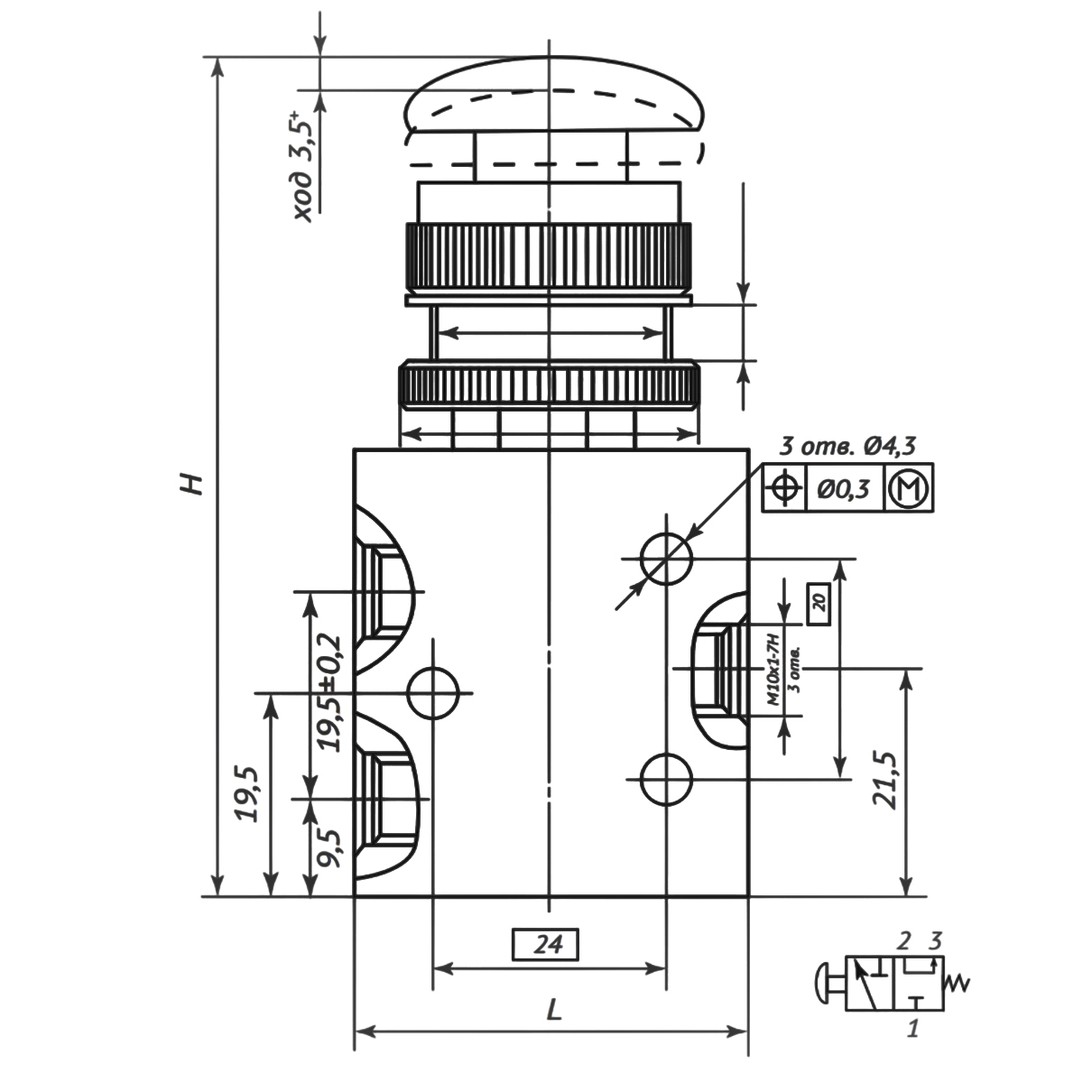
П-РК3.2 - кнопка "Стоп";
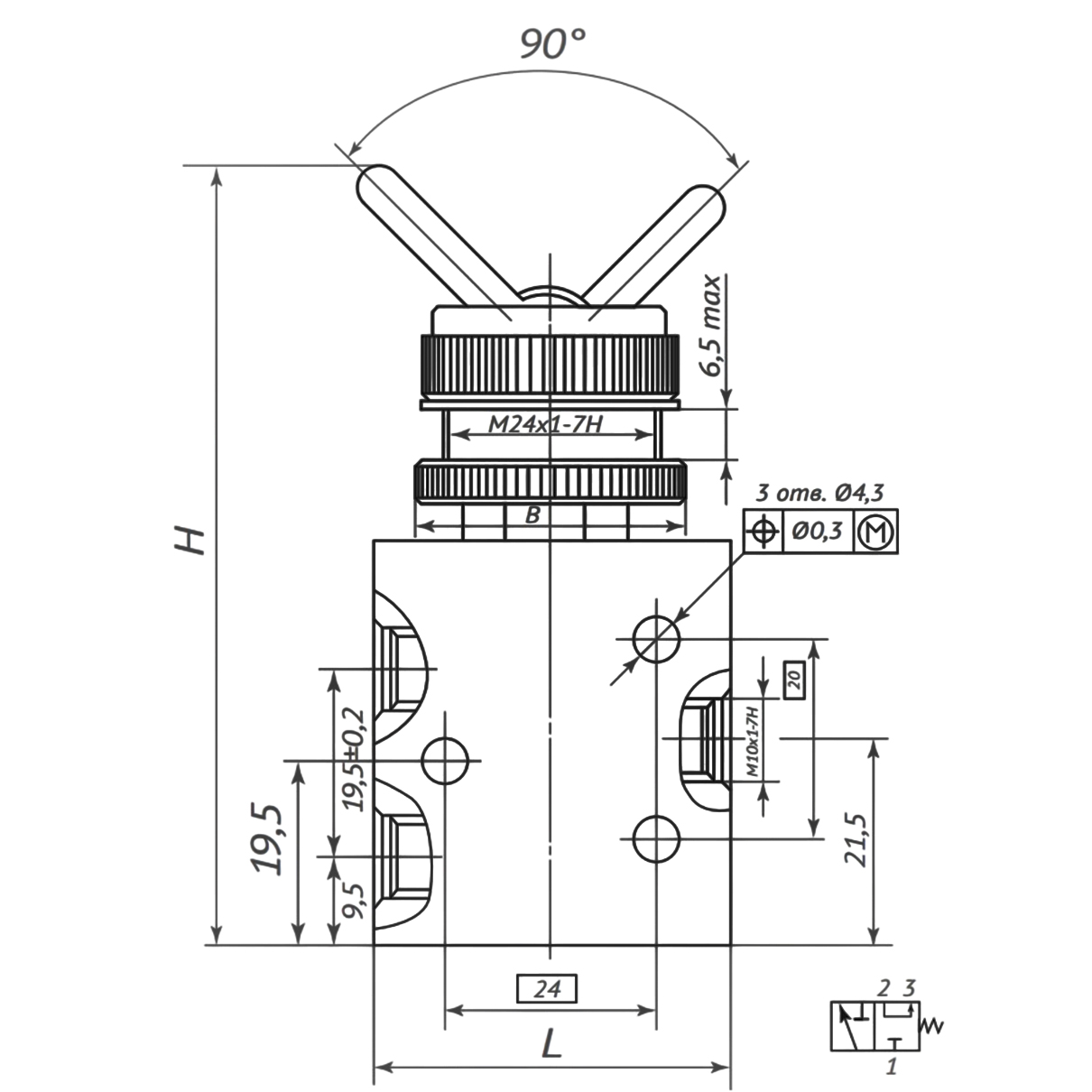
П-РК3.3 - тумблер;
П-РК3.4 - двустороннее механическое управление (концевик);
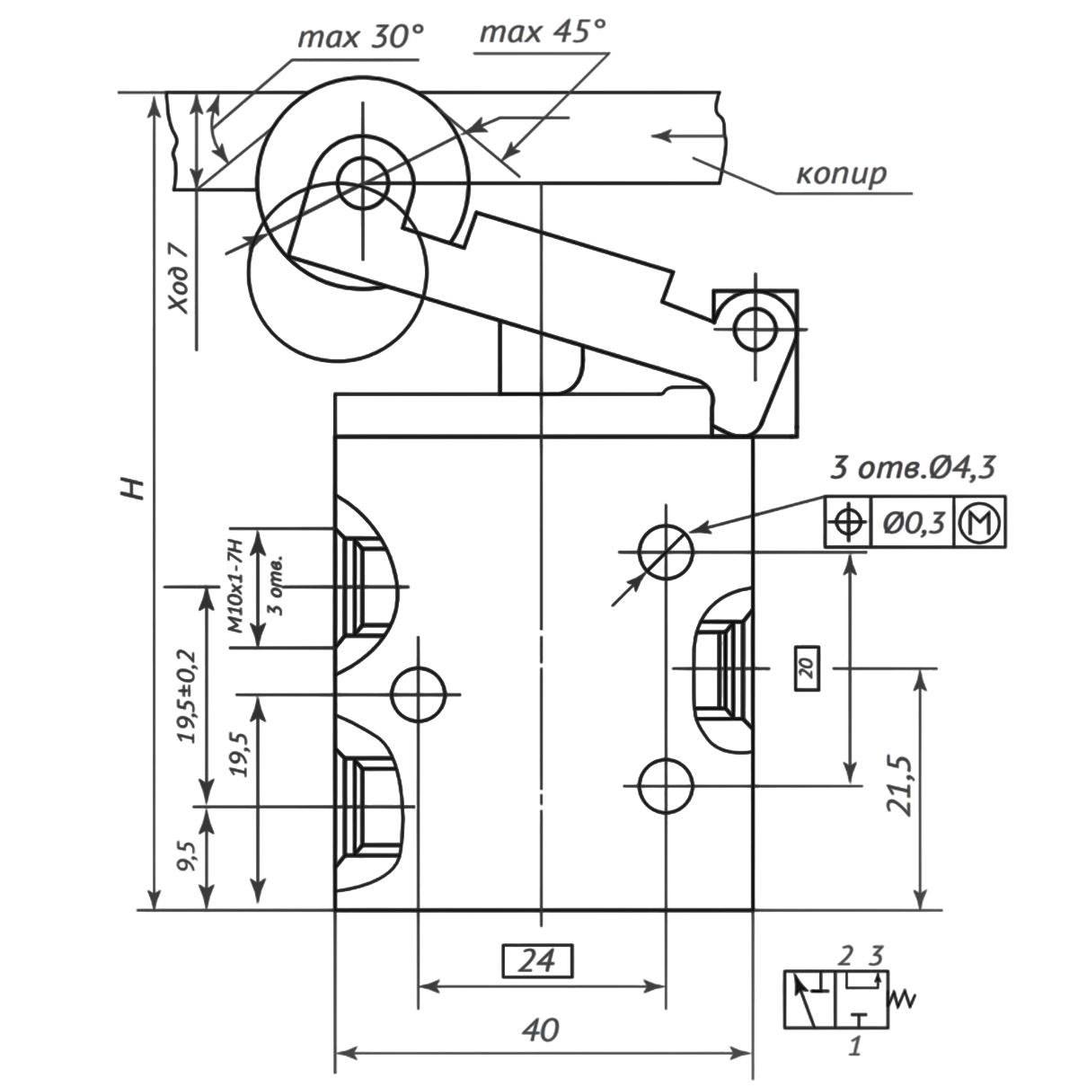
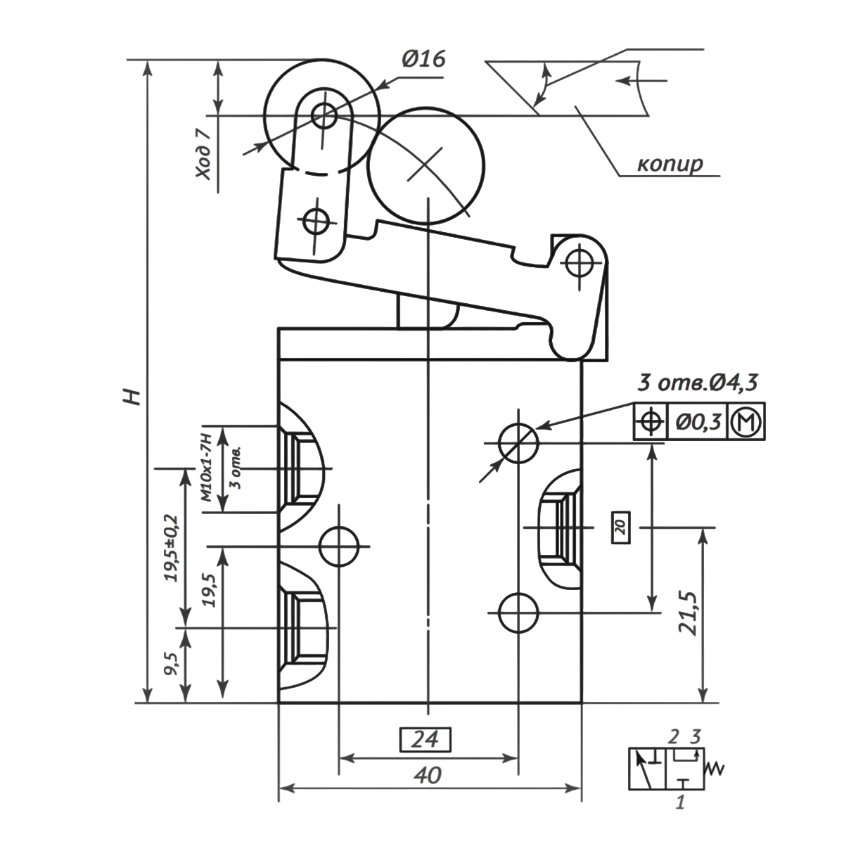
П-РК3.5 - одностороннее механическое управление (ломающийся ролик);
П-РК3.6 - одностороннее пневматическое управление;
П-РК3.7 - толкатель.
Пневмораспределитель П-РК3.1 (описание и фото)
Пневмораспределитель П-РК3.2 (описание и фото)
Пневмораспределитель П-РК3.3 (описание и фото)
Пневмораспределитель П-РК3.4 (описание и фото)
Пневмораспределитель П-РК3.5 (описание и фото)
Пневмораспределитель П-РК3.6 (описание и фото)
Пневмораспределитель П-РК3.7 (описание и фото)
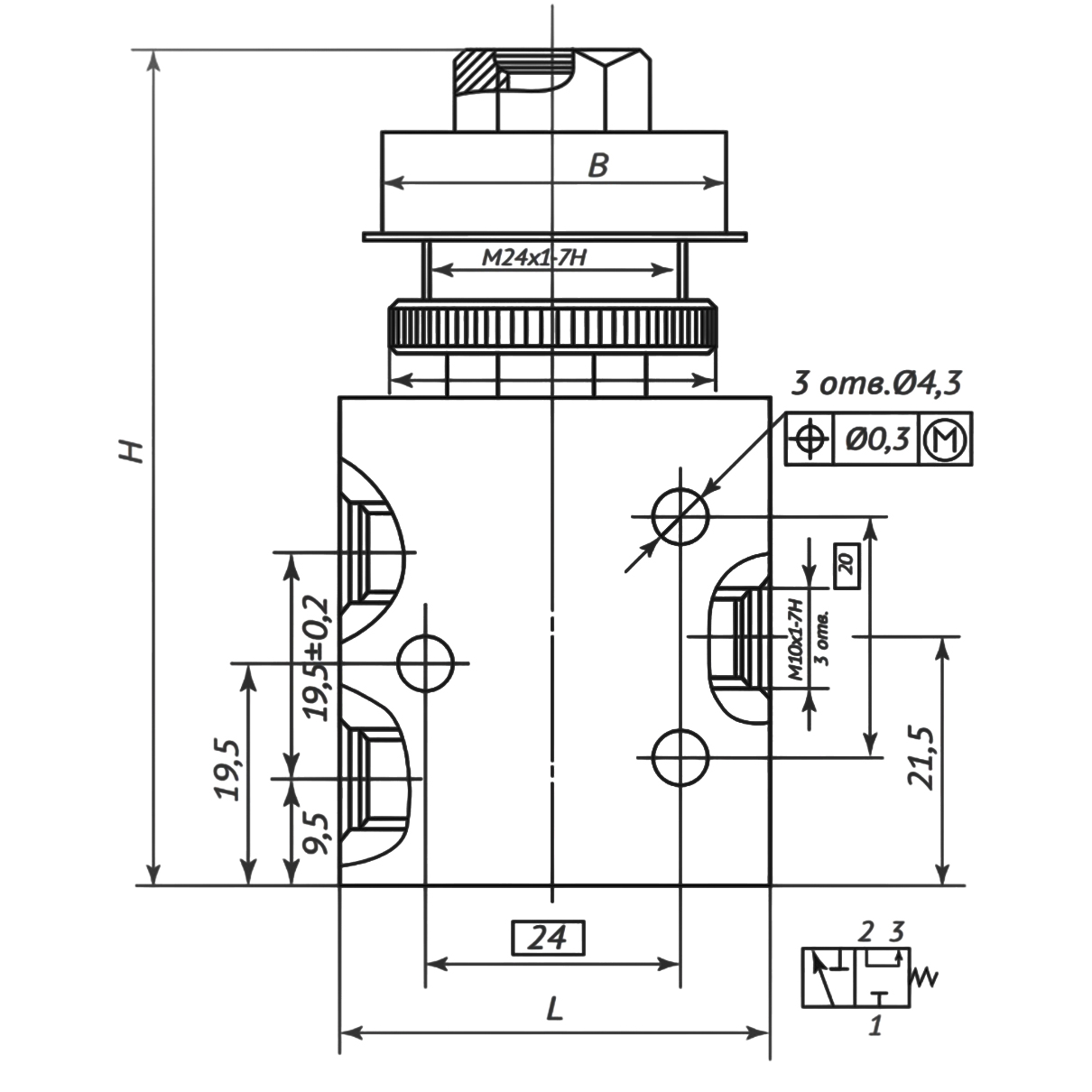
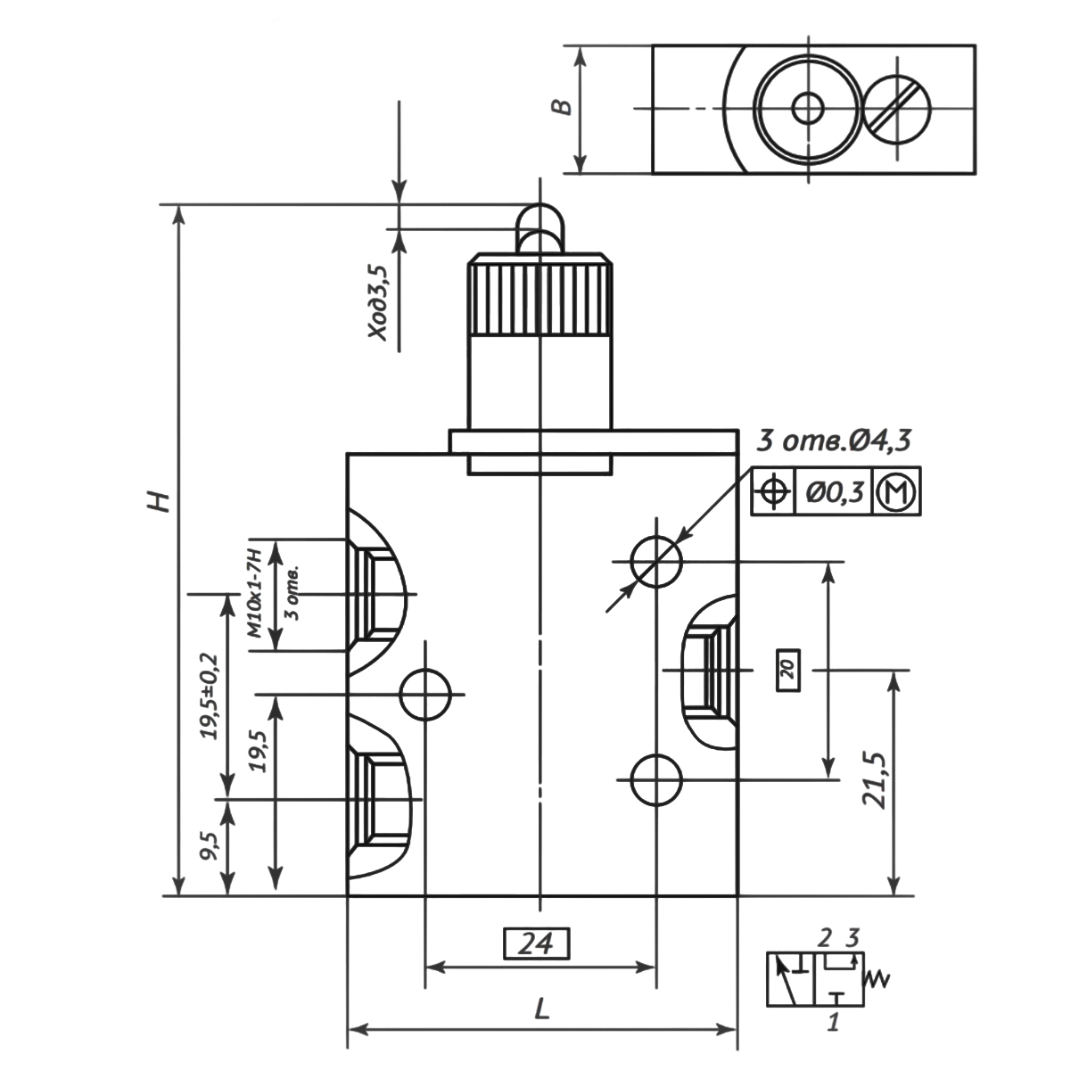
Размеры пневмораспределителей П-РК3.1, П-РК3.2, П-РК3.3, П-РК3.4, П-РК3.5, П-РК3.6, П-РК3.7
![]() |
![]() |
|
П-РК3.1 с кнопкой «пуск» |
П-РК3.2 с кнопкой «стоп» |
|
|
|
П-РК.3.3 с рычагом (тумблер) |
П-РК3.4 с двусторонним механическим управлением |
|
|
|
П-РК3.5 с односторонним механическим управлением |
П-РК3.6 с односторонним пневматическим управлением |
|
|
|
П-РКЗ.7 с толкателем |
|
Параметры пневмораспределителей П-РК-3.1, П-РК-3.2, П-РК-3.3, П-РК-3.4, П-РК-3.5, П-РК-3.6, П-Р-К3.7
|
Параметры |
Исполнения |
||||||
|
П-РК3.1; П-РКЗС.1; П-РКЗ.1-1; П-РКЗС.1-1 |
П-РК3.2; П-РКЗС.2; П-РКЗ.2-1; П-РКЗС.2-1 |
П-РК3.3; П-РКЗС.З; П-РКЗ.3-1; П-РКЗС.3-1 |
П-РК3.4; |
П-РК3.5; П-РКЗ.5-1 |
П-РК3.6; П-РКСЗ.6-1 |
П-РК3.7; П-РКСЗ.7-1 |
|
|
1. Условный проход, мм |
4 |
||||||
|
2. Номинальное давление, МПа (кгс/см2) |
1,0 (10) |
||||||
|
3. Минимальное давление управления, МПа (кгс/см 2 ) |
- |
- |
- |
- |
- |
0,2 (2) |
- |
|
4. Пропускная способность Kv , м3/ч, не менее |
0,25 |
||||||
|
5. Сила на органах управления, Н (кгс), не более |
30 (3) |
30 (3) |
15 (1.5) |
30 (3) |
30 (3) |
- |
30 (3) |
|
6. Максимальное число срабатываний,c-1 |
- |
- |
- |
1 |
1 |
5 |
1 |
|
7. Утечки воздуха, см3/мин, не более |
20 |
||||||
Структура условного обозначения пневмораспределителей П-РК-3.1, П-РК3.2, П-РК3.3, П-РК3.4, П-РК3.5, П-РК3.6, П-РК3.7
|
1 |
. |
2 |
. |
3 |
- |
4 |
5 |
|
П-РК3 |
Х |
3 |
Х |
УХЛ4 |
| 1 | Условное наименование распределителя | П-РК3 |
| 2 | Модификация |
С - специальный, только для исполнений 1, 2, 3 Работают на сжатом воздухе 9 класса загрязненности и температуре ниже 0 °C и 10 класса загрязненности и температуре выше 0 °C. |
| 3 | Условное обозначение вида привода |
1 - с кнопкой "Пуск"; 2 - с кнопкой "Стоп"; 3 - с тумблером; 4 - с двусторонним механическим управлением; 5 - с односторонним механическим управлением; 6 - с односторонним пневматическим управлением; 7 - с толкателем |
| 4 | Вид присоединительной резьбы |
Отсутствие цифры - коническая К1/8" 1 - метрическая М10х1 |
| 5 | Климатическое исполнение | УХЛ4 |
Пример условного обозначения для пневмораспределителя 3-х линейного с приводом от кнопки "Пуск" с присоединительной резьбой K1/8", климатическое исполнение УХЛ4:
Пневмораспределитель П-РК-3.1 УХЛ4






