Описание распределителей DSP7, DSC7

Клапан с пилотным управлением DSP7 состоит из 4-х линейного распределителя с гидравлическим управлением CETOP 07 с монтажной поверхностью, соответствующей стандартам CETOP (см. чертёж ниже), управляемого пилотным распределителем DS3 с электромагнитным управлением стандарта CETOP 03.
Может поставляться как с электромагнитным DSP7*, так и с гидравлическим управлением DSC7* со стороны X и Y.
В качестве управляющих элементов, применяются маслонаполненные ("ввертные") электромагниты с легко заменяемыми катушками. Питание электромагнитов может осуществляться от сети постоянного (DC) или переменного (AC) тока, причем питание магнитов рассчитанных на постоянный ток может также осуществляться и от переменного тока, с использованием электроразъемов со встроенным выпрямительным мостом.
Распределители DSP7*, DSC7* поставляются в 3-х или 4-х линейном исполнении, с 2 или 3 положениями и с несколькими вариантами взаимозаменяемых золотников с различными положениями каналов.
Питание пилотного управления и дренаж могут осуществляться изнури или извне клапана путем установки или удаления соответствующих заглушек в главном распределителе.
Возможно исполнение для высокого давления (H).

Структура условного обозначения
|
1 |
2 |
- |
3 |
/ |
4 |
- |
5 |
/ |
6 |
/ |
7 |
/ |
8 |
|---|---|---|---|---|---|---|---|---|---|---|---|---|---|
|
DSP |
7 |
S4 |
20N |
EE |
C |
D24 |
K1/CM |
| 1 | Тип устройства |
DSP = Распределитель с электромагнитным управлением DSС = Распределитель с гидравлическим управлением |
| 2 | Типоразмер | 7 = CETOP 07 |
| Вариант исполнения |
Пропустить для давления до 320 бар H = версия для высокого давления (Максимальное рабочее давление = 420 бар) |
|
| 3 | Тип золотника (см. ниже) |
S* SA* SB* TA* TB* RK |
| 4 | Серия | 20 (Габаритные и монтажные размеры не изменяются от 20 до 29) |
| Уплотнения |
N = Уплотнения NBR для минеральных масел (стандартный вариант) V = Уплотнения FPM для специальных жидкостей |
|
| 5 | Пилотное управление (см. ниже) |
I = внутреннее (недоступно для золотников S2-S4-S7-S8) E = внешнее C = внутреннее управление с обратным клапаном |
| Дренаж (см. ниже) |
I = внутренний E = внешний |
|
| 6 | Опции золотника (см. ниже) |
C = ограничитель хода главного золотника D = контроль скорости перемещения главного золотника P08 = монтажная плита с жиклером диам. 0,8 мм в отверстии P, размещённая под электромагнитным клапаном S2 = распределительный клапан поставляется с управляющим (пилотным) электромагнитным клапаном в конфигурации S2 |
| 7 | Питание катушек |
Питание постоянным током: D00 = клапан без катушек D12 = 12 В D24 = 24 В D110 = 110 В D220 = 220 В Питание переменным током: A00 = клапан без катушек A24 = 24 В - 50 Гц A48 = 48 В - 50 Гц A110 = 110 В - 50 Гц / 120 В - 60Гц A230 = 230 В - 50 Hz F110 = 110 В - 60 Гц F220 = 220 В - 60 Гц |
| 8 | Электрическое соединение катушки | K1 = вилка электроразъема DIN 43650 (стандарт) |
| Ручное дублирование |
Пропустить для ручного управления, интегрированного в арматурную трубку CM = защитный резиновый колпачок ручного дублирования |
Примечание: Гайки фиксации катушек и уплотнительные кольца (OR) поставляются вместе с клапанами
Характеристики
|
Максимальное рабочее давление: |
|
DC |
AC |
|
350 |
350 |
||
|
Максимальный расход |
л/мин |
300 |
300 |
|
Диапазон температур окружающей среды |
ºС |
-20 ... +50 |
|
|
Диапазон температур рабочей жидкости |
ºС |
-20 ... +80 |
|
|
Диапазон вязкостей жидкости |
сСт |
10 ... 400 |
|
|
Рекомендуемая вязкость |
сСт |
25 |
|
|
Допустимая степень загрязнения жидкости |
класс 20/18/15 по |
||
|
Масса клапана, не более |
кг |
8,6 |
8,6 |
Гидравлические жидкости
Используйте гидравлические жидкости на основе минеральных масел типа HL или HМ в соответствии со стандартом ISO 6743/4. Для этих жидкостей используйте уплотнения NBR (код N).
Для жидкостей типа HFD-R (фосфатных эфиров) используйте уплотнения FPМ (код V). По поводу использования других типов жидкостей таких, как HFA, HFB, HFC, проконсультируйтесь в нашем отделе технической поддержки.
Использование жидкостей при температурах свыше 70°C ведёт к ускоренному ухудшению качества жидкостей и характеристик уплотнительных прокладок. Жидкость должна сохранять свои физические и химические свойства.
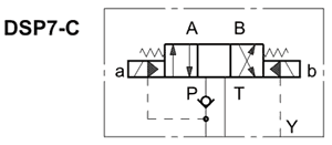
Гидрораспределители DSP7, DSC7 схемы распределения (конфигурации)
Тип S*: 2 электромагнита, 3 положения с пружинным центрированием
|
|
|
Распределитель |
| S1 |
|
DSP7-S1/20N-*/D24K1/CM |
| S2 |
|
DSP7-S2/20N-*/D24K1/CM |
| S3 |
|
DSP7-S3/20N-*/D24K1/CM |
| S4 |
|
DSP7-S4/20N-*/D24K1/CM |
| S6 |
|
DSP7-S6/20N-*/D24K1/CM |
| S7 |
|
DSP7-S7/20N-*/D24K1/CM |
| S8 |
|
DSP7-S8/20N-*/D24K1/CM |
| S9 |
|
DSP7-S9/20N-*/D24K1/CM |
| S10 |
|
DSP7-S10/20N-*/D24K1/CM |
| S11 |
|
DSP7-S11/20N-*/D24K1/CM |
| S20 |
|
DSP7-S20/20N-*/D24K1/CM |
| S21 |
|
DSP7-S21/20N-*/D24K1/CM |
Тип SA*: 1 электромагнит со стороны A, 2 положения (центральное + внешнее) с пружинным центрированием
|
Распределитель | |
| SA1 |
|
DSP7-SA1/20N-*/D24K1/CM |
| SA2 |
|
DSP7-SA2/20N-*/D24K1/CM |
| SA3 |
|
DSP7-SA3/20N-*/D24K1/CM |
| SA4 |
|
DSP7-SA4/20N-*/D24K1/CM |
Тип TA: 1 электромагнит со стороны A, 2 положения (центральное + внешнее) с пружинным центрированием
|
Распределитель | |
| TA |
|
DSP7-TA/20N-*/D24K1/CM |
| TA02 |
|
DSP7-TA02/20N-*/D24K1/CM |
| TA23 |
|
DSP7-TA23/20N-*/D24K1/CM |
Тип RK: 2 электромагнита, 2 положения (центральное + внешнее) с пружинным центрированием
|
Распределитель | |
| RK |
|
DSP7-RK/20N-*/D24K1/CM |
Тип SB*: 1 электромагнит со стороны B, 2 положения (центральное + внешнее) с пружинным центрированием
|
|
|
Распределитель |
| SB1 |
|
DSP7-SB1/20N-*/D24K1/CM |
| SB2 |
|
DSP7-SB2/20N-*/D24K1/CM |
| SB3 |
|
DSP7-SB2/20N-*/D24K1/CM |
| SB4 |
|
DSP7-SB2/20N-*/D24K1/CM |
Тип TB: 1 электромагнит со стороны B 2 положения (центральное + внешнее) с пружинным центрированием
|
|
|
Распределитель |
| TB |
|
DSP7-TB/20N-*/D24K1/CM |
| TB02 |
|
DSP7-TB02/20N-*/D24K1/CM |
| TB23 |
|
DSP7-TB23/20N-*/D24K1/CM |
Помимо типов, показанных на схемах, которые являются наиболее часто используемыми, могут поставляться и другие специальные версии: обратитесь в наш отдел технической поддержки для выяснения их идентификации, пригодности и рабочих диапазонов.
Пилотное управление и дренаж гидрораспределителей DSP7, DSC7

|
Тип клапана |
Наличие заглушки |
|
|
X |
Y |
|
|
IE - внутреннее управление и внешний дренаж |
Нет |
Да |
|
II - внутреннее управление и внутренний дренаж |
Нет |
Нет |
|
EE - внешний управление и внешний дренаж |
Да |
Да |
|
EI - внешний управление и внутренний дренаж |
Да |
Нет |
Минимальное давление управления может составлять 6 бар при низких скоростях потока, но при более высоких скоростях потока необходимо давление, равное 12 бар, если клапан работает с более высокими давлениями, то необходимо использовать версию с внешним управлением и уменьшенным давлением управления.
В качестве альтернативы можно использовать вариант Z3, который оборудуется редукционным клапаном MZD с монтажной повержностью по CETOP 03 (условный проход 6 мм), снижающим давлением до 35 бар. Для версии DSP7H максимальное давление управления составляет 350 бар

Клапан DSP7 может по запросу поставляться со встроенным в него обратным клапаном в линии P. Это необходимо для получения давления управления, когда основной золотник в исходном положении соединяет линию P с каналом дренажа T (золотники S2, S4, S7, S8). Давление срабатывания составляет 5 бар. Добавьте C3 к идентификационному коду для заказа этого устройства .
Версия C поставляется только с внутренним управлением. Обратный клапан также может поставляться отдельно, и он может легко быть установлен в линию P главного распределителя. Для того чтобы заказать этот обратный клапан, укажите код 0266577.

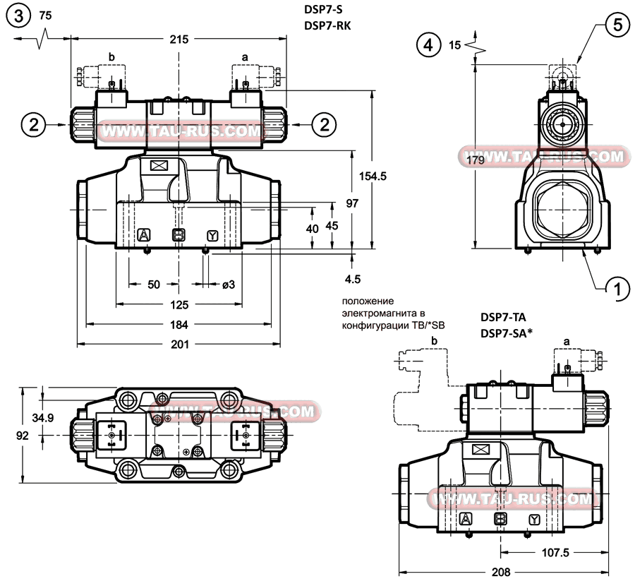
Размеры гидрораспределителей DSP7-S1 (S2, S3, S4, TA) и DSC7


- DSP7-S20/20N-EE/C/D24K1/CM - Гидрораспределитель с пилотным управлением, Электромагнит-Электромагнит, =24В, ручное дублирование
- DSP7-S2/20N-EE/D24K1/CM - Гидрораспределитель с пилотным управлением, Электромагнит-Электромагнит, =24В, ручное дублирование
- DSP7-TA/20N-II/A110K1/CM - Гидрораспределитель с пилотным управлением, CETOP 07, Электромагнит-Пружина, ~110В/50Гц
- DSP7-TA/20N-II/D24K1/CM - Гидрораспределитель с пилотным управлением, Электромагнит-Пружина, =24В, ручное дублирование
- DSP7-S3/20N-II/D24K1/CM - Гидрораспределитель с пилотным управлением, Электромагнит-Электромагнит, =24В, ручное дублирование
- DSP7-S1/20N-II/D24K1 - Гидрораспределитель с пилотным управлением, Электромагнит-Электромагнит, =24В
- DSP7-S4/20N-EI/D24K1/CM - Гидрораспределитель с пилотным управлением, Электромагнит-Электромагнит, =24В, ручное дублирование
- DSC7-S1/10N-EE - Гидрораспределитель с гидравлическим управлением управлением, CETOP 07
- DSC7-S4/10N-EE/C - Гидрораспределитель с гидравлическим управлением управлением, CETOP 07, ограничитель хода золотника