Назначение предохранительных клапанов RQ3-P*, RQ5-P*, RQ7-P*

Перепускные предохранительные клапаны с пилотным управлением RQ3-P*, RQ5-P*, RQ7-P*; главная ступень имеет клапан с коническим уплотнением.
Стыковой монтаж на промежуточной плите выполняется в соответствии со стандартами ISO 6264 (CETOP RP 121H).
Возможно дистанционное управление при помощи отверстия X (см. таблицу обозначений для гидравлических схем).
Клапаны RQ3-P*, RQ5-P*, RQ7-P* позволяют перепускать полную подачу насоса даже при значениях давления, близких к заданной величине.
Широкие проходы обеспечивают снижение перепадов давления, повышая энергетический КПД установки.

Используйте гидравлические жидкости на основе минеральных масел типа HL или HM, в соответствии с ISO 6743-4. Для этих жидкостей используйте уплотнения из NBR (код N). Для жидкостей типа HFDR (фосфатные эфиры) используйте уплотнения FPM (код V). По поводу использования других типов жидкостей таких как HFA, HFB, HFC проконсультируйтесь в нашем отделе технической поддержки.
Использование жидкостей при температуре свыше 80 °С приводит к ускоренному износу уплотнений и к ухудшению качества жидкости. Жидкость должна сохранять свои физические и химические характеристики неизменными.

Гидросхема клапанов RQ3-P*, RQ5-P*, RQ7-P*
Структура условного обозначения предохранительных клапанов RQ3-P*, RQ5-P*, RQ7-P*
|
1 |
2 |
- |
3 |
4 |
/ |
5 |
/ |
6 |
|
RQ |
5 |
P |
6 |
M |
41 |
| 1 | Тип устройства | RQ = предохранительный клапан |
| 2 | Номинальный размер |
3 = ISO 6264-06 (CETOP R06) 5 = ISO 6264-08 (CETOP R08) 7 = ISO 6264-10 (CETOP R10) |
| 3 | Монтаж | P = стыковой монтаж на промежуточной плите |
| 4 | Диапазон регулировки давления |
3 = до 70 бар 5 = до 210 бар 6 = до 350 бар |
| 5 | Регулировка |
Пропустить для вариантов регулировки винтом с потайной шестигранной головкой M = регулировка рукояткой SICBLOC |
| 6 | Номер серии | 41 = серия |
Технические характеристики клапанов RQ3-P*, RQ5-P*, RQ7-P*
|
ПАРАМЕТРЫ |
Клапан RQ3-P* |
Клапан RQ5-P* |
Клапан RQ7-P* |
|
|
Максимальное рабочее давление |
бар |
350 |
||
|
Максимальный расход рабочей жидкости |
л/мин |
200 |
400 |
500 |
|
Диапазон температур рабочей жидкости |
°C |
-20...+80 |
||
|
Рекомендуемая вязкость рабочей жидкости |
сСт |
25 |
||
|
Класс чистоты рабочей жидкости |
- |
Класс 20/18/15 по ISO 4406:1999 |
||
|
Материал применяемых уплотнений |
- |
NBR |
||
|
Масса клапана не более |
кг |
3,5 |
4,3 |
6,5 |
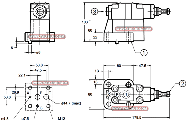
Габаритные и присоединительные размеры клапанов RQ3-P*
1 = Монтажная поверхность с уплотнительными кольцами (OR): 2 OR тип 123, 1 OR тип 109.
2 = Винт регулировки давления с шестигранной головкой: гаечный ключ 13. Для увеличения давления вращать по часовой стрелке.
3 = Отверстие присоединения манометра 3/8" BSP.
РЕКОМЕНДУЕМЫЕ КРЕПЕЖНЫЕ ВИНТЫ: 4 винта М12х40. Момент затяжки: 69 Нм.
МОНТАЖНАЯ ПОВЕРХНОСТЬ: ISO 6264-06-09-*-97 (CETOP 4.4.2-2-R06-350).
Габаритные и присоединительные размеры клапанов RQ5-P*
1 = Монтажная поверхность с уплотнительными кольцами (OR): 2 OR тип 3118, 1 OR тип 109.
2 = Винт регулировки давления с шестигранной головкой: гаечный ключ 13. Для увеличения давления вращать по часовой стрелке.
3 = Отверстие присоединения манометра 3/8" BSP.
РЕКОМЕНДУЕМЫЕ КРЕПЕЖНЫЕ ВИНТЫ: 4 винта М16х50. Момент затяжки: 170 Нм.
МОНТАЖНАЯ ПОВЕРХНОСТЬ: ISO 6264-08-13-*-97 (CETOP 4.4.2-2-R08-350).
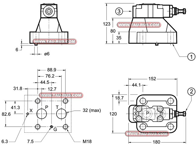
Габаритные и присоединительные размеры клапанов RQ7-P*

1 = Монтажная поверхность с уплотнительными кольцами (OR): 2 OR тип 4137, 1 OR тип 109.
2 = Винт регулировки давления с шестигранной головкой: гаечный ключ 13. Для увеличения давления вращать по часовой стрелке.
3 = Отверстие присоединения манометра 3/8" BSP.
РЕКОМЕНДУЕМЫЕ КРЕПЕЖНЫЕ ВИНТЫ: 4 винта М18х60. Момент затяжки: 235 Нм.
МОНТАЖНАЯ ПОВЕРХНОСТЬ: ISO 6264-10-17-*-97 (CETOP 4.4.2-2-R10-350).
Монтажные плиты для клапанов RQ3-P*, RQ5-P*, RQ7-P*
|
|
Клапан RQ3-P* |
Клапан RQ5-P* |
Клапан RQ7-P* |
|
Наименование плиты |
PMRQ3-AI4G с задним расположением присоединительных отверстий |
PMRQ5-AI5G с задним расположением присоединительных отверстий |
PMRQ7-AI7G с задним расположением присоединительных отверстий |
|
Размеры отверстий P и T |
1/2 BSP |
3/4 BSP |
1 1/4 BSP |
|
Размеры отверстия X |
1/4 BSP |
1/4 BSP |
1/4 BSP |
Примеры для заказа:
RQ3-P3/41 - Клапан предохранительный, СЕТОР R06, 0-70 Бар, 200 л/мин;
RQ5-P5/M/41 - Клапан предохранительный, СЕТОР R08, 5-210 Бар, 400 л/мин;
RQ5-P6/M/41 - Клапан предохранительный, СЕТОР R08, 10-350 Бар, 400 л/мин;
RQ7-P5/M/41 - Клапан предохранительный, СЕТОР R10, 5-210 Бар, 500 л/мин;
RQ7-P6/M/40 - Клапан предохранительный, СЕТОР R10, 10-350 Бар, 500 л/мин.
