5Р-6-361-3, 5Р-6-362-3, 5Р-6-366-3, 5Р-6-367-3
|
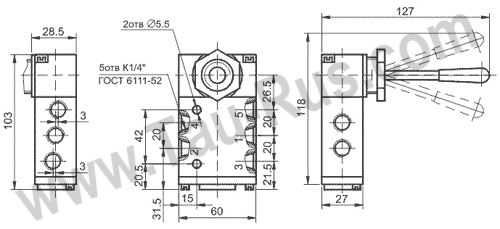
Пневмораспределители 5Р-6-36х-3 пятилинейные, трёхпозиционные с диаметром условного прохода 6 мм (К1/4"), c ручным управлением применяются для изменения направления движения потоков сжатого воздуха в пневматических приводах общего и специального назначения. Например, в железнодорожной промышленности. Пневмораспределители данного типа спроектированы для работы на сжатом воздухе давлением от 0,1 МПа до 1,0 МПа, очищенном не грубее 10 класса (ГОСТ 17433) и содержащем распыленное масло вязкостью 10…35 сантистокс (мм²/с), рабочая температура до +50 °С. Климатическое исполнение для районов с умеренным и холодным климатом (УХЛ) и общеклиматического исполнения (О), категория размещения, обычно, 4 - вентилируемые помещения, без прямого попадания лучей солнца и пыли на устройство. Подробнее по климатическим исполнениям см. основные положения ГОСТ 15150-69 с новыми изменениями. Пневмораспределители 5Р-6-361-3, 5Р-6-362-3, 5Р-6-366-3, 5Р-6-367-3 могут работать в любом положении. Габаритные и присоединительные размеры пневмораспределителя 5Р-6-36х-3
|
Фотографии пневмораспределителей 5Р-6-36х-3
Фотография 5Р6-366-3
|
Структура условного обозначения пневмораспределителя 5Р-6
| ХР | - | 6 | - | Х | Х | Х |
|
3 |
|
ХХХ | |||
|
Климатическое исполнение и категория размещения
|
|||||||||||||
|
|
|||||||||||||
|
Присоединения пневмолиний: резьбовое, с трубной присоединительной резьбой в корпусе распределителя
|
|||||||||||||
|
|
|||||||||||||
|
Для двухпозиционных распределителей:
2 - управление двухстороннее с фиксацией в крайних положениях; 3 - управление одностороннее с пружинным возвратом. Для трёхпозиционных распределителей: 1 - в средней позиции все линии перекрыты, пружинный возврат; 2 - в средней позиции обе полости потребителя сообщены с атмосферой, пружинный возврат; 6 - в средней позиции все линии перекрыты, ручной возврат; 7 - в средней позиции обе полости потребителя сообщены с атмосферой, ручной возврат. |
|||||||||||||
|
|
|||||||||||||
|
|
|||||||||||||
|
Число позиций: 2 или 3
|
|||||||||||||
|
|
|||||||||||||
|
Условный проход, мм
|
|||||||||||||
|
|
|||||||||||||
|
Число линий: 3 - трёхлинейные, 5 - пятилинейные
|
|||||||||||||
Основные параметры 5Р6-366-3, 5Р6-367-3, 5Р6-362-3, 5Р6-361-3
| Параметр | Наименование | |||
| Пневмораспределитель 5Р-6-361-3 | Пневмораспределитель 5Р-6-362-3 | Пневмораспределитель 5Р-6-366-3 | Пневмораспределитель 5Р-6-367-3 | |
| Условный проход | 6 мм | |||
| Тип присоединения | Резьбовое, с трубной присоединительной резьбой в корпусе распределителя | |||
| Присоединение пневмолиний питания, дюйм | К1/4 | |||
| Присоединение атмосферных пневмолиний, дюйм | К1/8 | |||
| Номинальное давление | 1,0 МПа | |||
| Минимальное рабочее давление, не более | 0,1 МПа | |||
| Усилие, переключения не более, кгс (Н) | 2 (20) | |||
| Пропускная способность, Kv*, м³/ч, не менее. | 0,75 | |||
| Масса, кг, не более | 0,56 | 0,49 | ||
|
* Kv определяется по ГОСТ 14691-69 |
||||
Примеры условного обозначения
Пневмораспределитель пятилинейный трёхпозиционный с ручным управлением при помощи рычага, с условным проходом 6 мм, присоединения пневмолиний питания трубная присоединительная резьба в корпусе распределителя K1/4", рассчитан на номинальное рабочее давление 1 МПа, в средней позиции все линии перекрыты, с ручным возвратом: Пневмораспределитель 5Р-6-366-3, то же, только в среднем положении обе полости потребителя сообщены с атмосферой: Пневмораспределитель 5Р-6-367-3.
5Р-6-361-3, 5Р-6-362-3, 5Р-6-366-3, 5Р-6-367-3
Чертёж 5Р6-361-3, 5Р6-362-3
Чертёж 5Р6-366-3, 5Р6-367-3
