Фильтр
Сначала популярные
Описание гидроклапанов редукционных МКРВ-10/3М
Применение гидроклапанов модульного монтажа МКРВ10/3МР1, МКРВ10/3МР2, МКРВ10/3МР3 упрощает изготовление гидроприводов, позволяет предельно сократить число трубопроводов, открывает широкие возможности для модернизации оборудования. Вместе с тем, аппараты модульного монтажа имеют большое число уплотнительных стыков; в ряде случаев их технические характеристики ниже, чем у стыковых аппаратов; ограничена их номенклатура; требуется применение специальных стяжек из стали с авр > 1000 МПа. Для уплотнения стыков гидроклапанов МКРВ10/3-МР1, МКРВ10/3-МР2, МКРВ10/3-МР3 с Ду = 10 мм применяются кольца уплотнительные резиновые 012-016-25 (по ГОСТ 9833—73).
Редукционные клапаны МКРВ-10/ЗМ по ТУ2-053-1759—85 редуцируют (понижают) давление в линии Р, остальные линии служат для сквозного прохода масла. Клапан МКРВ-10/ЗМ состоит из следующих основных деталей и узлов: корпуса 1, гильзы 7, клапана 6, пробок 2 и 4, пружины 5 и вспомогательного клапана 3.
Принцип работы редукционных клапанов МКРВ-10/3М
Структура условного обозначения гидроклапанов МКРВ-10/3М
|
1 |
- |
2 |
/ |
3 |
4 |
5 |
6 |
|
МКРВ |
10 |
3 |
М |
Р |
1 |
|
1 |
Тип устройства |
МКРВ = редукционный клапан
|
|
2 |
Условный проход | 10 = 10 мм |
|
3 |
Номинальное давление | 3 = 32 Мпа |
|
4 |
Способ монтажа | М = модульный |
|
5 |
Тип регулировки | Р = пластиковая ручка |
|
6 |
Диапазон регулировки давления |
1 = 0,8~7 Мпа 2 = 3,5~14 Мпа 3 = 7~31,5 Мпа |
Основные параметры гидроклапанов МКРВ-10/3М
|
Модель |
МКРВ-10/3 |
| Условный проход, мм | 10 |
| Расход, л/мин: | 70 |
| Рабочая температура, °C | -30 до +80 |
| Рабочая среда | Минеральное масло |
| Класс чистоты масла по ISO4406 | Класс 20/18/15 |
| Диапазон вязкостей жидкости, сСт | 25 ... 2320 |
| Диапазон давления на входе, Мпа | 0,5...31,5 |
| Масса кг, не более | 3,4 |
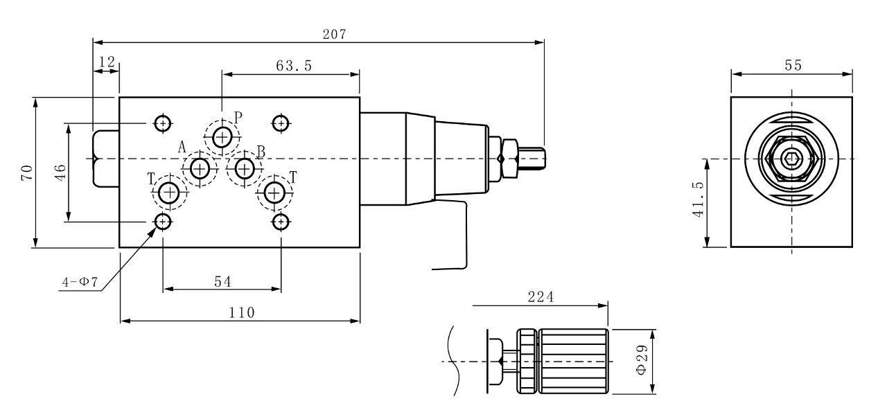
Габаритные и присоединительные размеры МКРВ-10/3МР1, МКРВ-10/3МР2, МКРВ-10/3МР
Пример условного обозначения гидроклапана редукционного модульного монтажа с диаметром условного прохода 10 мм, с диапазоном регулировки давления 0,5-12,5 МПа, с номинальным расходом рабочей жидкости 63 л/мин, с рукояткой в качестве регулировочного устройства для районов с умеренным и холодным климатом:
Гидроклапан редукционный МКРВ-10/3МР1 УХЛ4
То же, но только с диапазоном регулировки давления 1-23 МПа:
Гидроклапан редукционный МКРВ-10/3МР2 УХЛ4
Гидроклапан редукционный МКРВ-10/3МР1 УХЛ4
То же, но только с диапазоном регулировки давления 1-23 МПа:
Гидроклапан редукционный МКРВ-10/3МР2 УХЛ4
.png)