Описание гидроклапанов предохранительных МКПВ-*/3Т
Основные характеристики: гидроклапаны МКПВ трубного монтажа работают на минеральных маслах с тонкостью фильтрации 40-80 мкм, вязкостью 22-200 сантистокс при температуре от +10 до +70 °С; вид присоединения - трубный монтаж.
Следует отметить, что если речь идёт о предохранительных клапанах с электромагнитной разгрузкой, то ремонт данного клапана может обойтись только лишь заменой электромагнитного управляющего элемента - электромагнитной катушки.
Предохранительные клапаны давления непрямого действия МКПВ также существуют и в стыковом исполнении (монтаж на плиту).
Структура условного обозначения
|
1 |
- |
2 |
/ |
3 |
4 |
5 |
6 |
7 |
. |
8 |
|
МКПВ |
10 |
3 |
Т |
3 |
Р |
2 |
24 |
|
1 |
Тип устройства |
МКПВ = предохранительный гидравлический клапан |
|
2 |
Условный проход |
10 = 10 мм |
|
|
Номинальное давление |
3 = 32 МПа |
|
4 |
Исполнение по способу монтажа |
Т = трубный монтаж |
|
5 |
Исполнение по типу управления |
2 = с дистанционным гидравлическим управлением разгрузкой
|
|
6 |
Исполнение по виду регулировочного устройства |
Р = с рукояткой |
|
7 |
Исполнение по номинальному давлению настройки |
1 = 10 МПа |
|
8 |
Напряжение (для электромагнитного управления) |
Постоянный ток: |
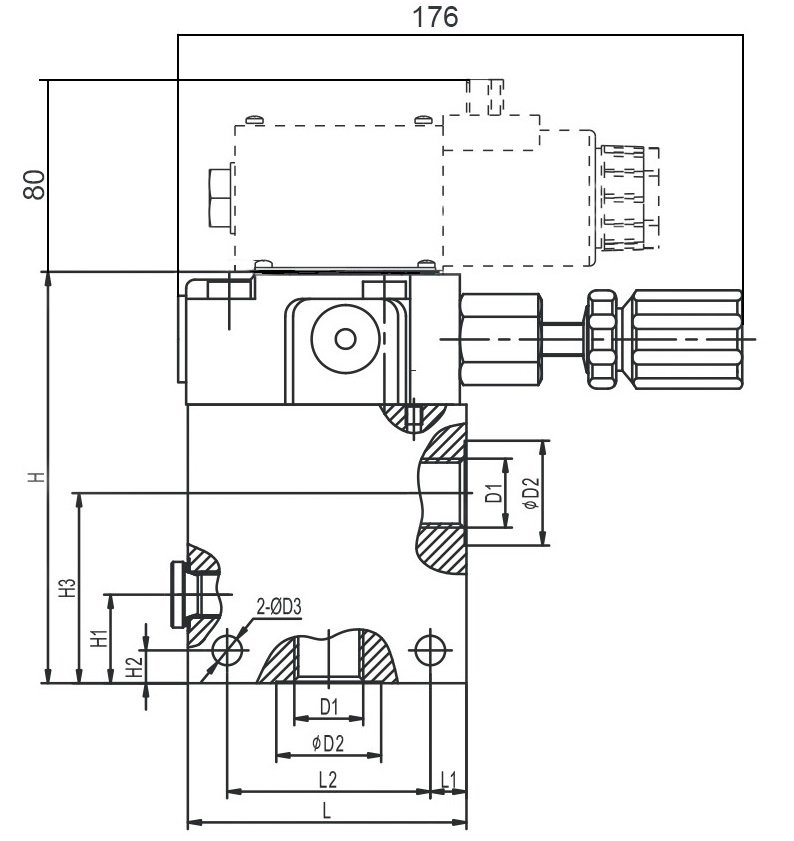
Габаритные и присоединительные размеры клапанов МКПВ-*/3Т
| Модель | D1 | D2 | D3 | L | L1 | L2 | H | H1 | H2 | H3 |
| МКПВ-10/3Т | G1/2" | 34 | 9 | 85 | 14 | 62 | 125 | 27 | 10 | 62 |
| МКПВ-20/3Т | G1" | 47 | 85 | 14 | 62 | 125 | 27 | 10 | 57 | |
| МКПВ-32/3Т | G1 1/2" | 61 | 100 | 18 | 72 | 138 | 40 | 13 | 66 |
Основные параметры гидроклапана МКПВ трубного монтажа
|
Обозначение ( + устаревшее наименование) |
Ду, мм |
Номинальное давление, МПа |
Диапазон регулировки, МПа |
Номинальный расход, л/мин |
Вид управления разгрузкой |
Масса, кг |
|
Клапан МКПВ10/3Т2Р1 (аналог 10-10-1-11) |
10
|
10,0 |
0,5-12,5 |
80,0 |
Дистанционное гидравлическое управление разгрузкой |
3,45 |
|
Клапан МКПВ10/3Т2Р2 (аналог 10-20-1-11) |
20,0 |
2,0-25,0 |
||||
|
Клапан МКПВ10/3Т2Р3 (аналог 10-32-1-11) |
32,0 |
5,0-35,0 |
||||
|
Клапан МКПВ20/3Т2Р1 (аналог 20-10-1-11) |
20 |
10,0 |
0,5-12,5 |
160,0 |
4,15 |
|
|
Клапан МКПВ20/3Т2Р2 (аналог 20-20-1-11) |
20,0 |
2,0-25,0 |
||||
|
Клапан МКПВ20/3Т2Р3 (аналог 20-32-1-11) |
32,0 |
5,0-35,0 |
||||
|
Клапан МКПВ32/3Т2Р1 (аналог 32-10-1-11) |
32 |
10,0 |
0,5-12,5 |
320,0 |
5,95 |
|
|
Клапан МКПВ32/3Т2Р2 (аналог 32-20-1-11) |
20,0 |
2,0-25,0 |
||||
|
Клапан МКПВ32/3Т2Р3 (аналог 32-32-1-11) |
32,0 |
5,0-35,0 |
||||
|
Клапан МКПВ32/3Т2Р3 (аналог 32-32-1-11) |
10 |
10,0 |
0,5-12,5 |
80,0 |
Электромагнитное управление разгрузкой, нормально разгруженный |
3,45 |
|
Клапан МКПВ10/3Т3Р2 (аналог 10-20-1-133(-131,-132)) |
20,0 |
2,0-25,0 |
||||
|
Клапан МКПВ10/3Т3Р3 (аналог 10-32-1-133(-131,-132)) |
32,0 |
5,0-35,0 |
||||
|
Клапан МКПВ20/3Т3Р |
20 |
6,3 |
0,3-0,7 |
160,0 |
4,15 |
|
|
Клапан МКПВ20/3Т3Р1 (аналог 20-10-1-133(-131,-132)) |
10,0 |
0,5-12,5 |
||||
|
Клапан МКПВ20/3Т3Р2 (аналог 20-20-1-133(-131,-132)) |
20,0 |
2,0-25,0 |
||||
|
Клапан МКПВ20/3Т3Р3 (аналог 20-32-1-133(-131,-132)) |
32,0 |
5,0-35,0 |
||||
|
Клапан МКПВ32/3Т3Р |
32 |
6,3 |
0,3-0,7 |
320,0 |
5,95 |
|
|
Клапан МКПВ32/3Т3Р1 (аналог 32-10-1-133(-131,-132)) |
10,0 |
0,5-12,5 |
||||
|
Клапан МКПВ32/3Т3Р2 (аналог 32-20-1-133(-131,-132)) |
20,0 |
2,0-25,0 |
||||
|
Клапан МКПВ32/3Т3Р3 (аналог 32-32-1-133(-131,-132)) |
32,0 |
5,0-35,0 |
||||
|
Клапан МКПВ10/3Т4Р |
10 |
6,3 |
0,3-0,7 |
80,0 |
Электромагнитное управление разгрузкой, нормально нагруженный |
3,45 |
|
Клапан МКПВ10/3Т4Р1 |
10,0 |
0,5-12,5 |


