Описание пневмораспределителя П-ЭПР3-612 (615, 625, 626)
Трехлинейные двухпозиционные распределители П-ЭПР3.6.. с электромагнитным управлением используются для управления потоком очищенного сжатого воздуха в приводах различных пневматических систем. Распределители отличаются компактной конструкцией, высокой скоростью срабатывания.
Наличие электромагнитной катушки (соленоида) П-ЭПР3 позволяет дистанционно управлять работой пневмораспределителя П-ЭПРЗ и осуществлять его подключение к питающей сети как постоянного тока (12, 24, 48, 110В) так и переменного тока (24, 36, 42, 110, 220, 380В).
Возможно использование других электромагнитов при соответствии их характеристик и размеров.
Наибольшее применение пневмораспределители П-ЭПР3.612, П-ЭПР3.615 нашли как управляющие элементы в составе трехлинейных сдвоенных клапанов 3МП16(М), 3МП25(М).
Так же они входят в состав ремонтного комплекта №3 3МП16(М) и 3МП25(М).
Условное обозначение пневмораспределителей П-ЭПР3
|
1 |
- |
2 |
3 |
4 |
5 |
|
П-ЭПР3 |
6 |
1 |
2 |
УХЛ4 |
| 1 | Условное наименование изделия | П-ЭПР3 |
| 2 | Конструктивное исполнение |
1 - встраиваемое без ручного управления; 2 - встраиваемое с возможностью применения ручного управления; 3 - корпусное резьбовое без ручного управления; 4 - корпусное стыковое нижнее с кнопочным ручным управлением; 5 - корпусное стыковое боковое без ручного управления; 6 - корпусное стыковое боковое с кнопочным ручным управлением; 7 - корпусное стыковое боковое с кнопочным ручным управлением и фиксированным положением катушки электромагнита |
| 3 | Тип тока |
1 - постоянный (12,24, 48, 110 В); 2 - переменный с частотой 50Гц (24, 36, 110, 220В) |
| 4 | Электрическое напряжение |
1-12 В 2-24 В 3-36 В 4-48 В 5-110 В 6-220 В |
| 5 | Климатическое исполнение | УХЛ4 |
Технические характеристики пневмораспределителя П-ЭПР3-612 (625, 626, 615)
|
Номинальное давление |
Условный проход |
Число срабатываний |
Время срабатывания |
|
1,0 МПа |
1,6 мм |
500 мин-1 |
не более 0,012 сек. |
|
Напряжение |
Номинальная мощность электромагнита |
||||
| Постоянный ток | Переменный ток 50 Гц | Переменный ток 60 Гц | Постоянный ток | Переменный ток 50 Гц | Переменный ток 60 Гц |
| 12, 24, 48, 110В | 24, 36, 42, 110, 220, 380В | 110, 220В | <8 ВА | <10 ВА | <13 ВА |
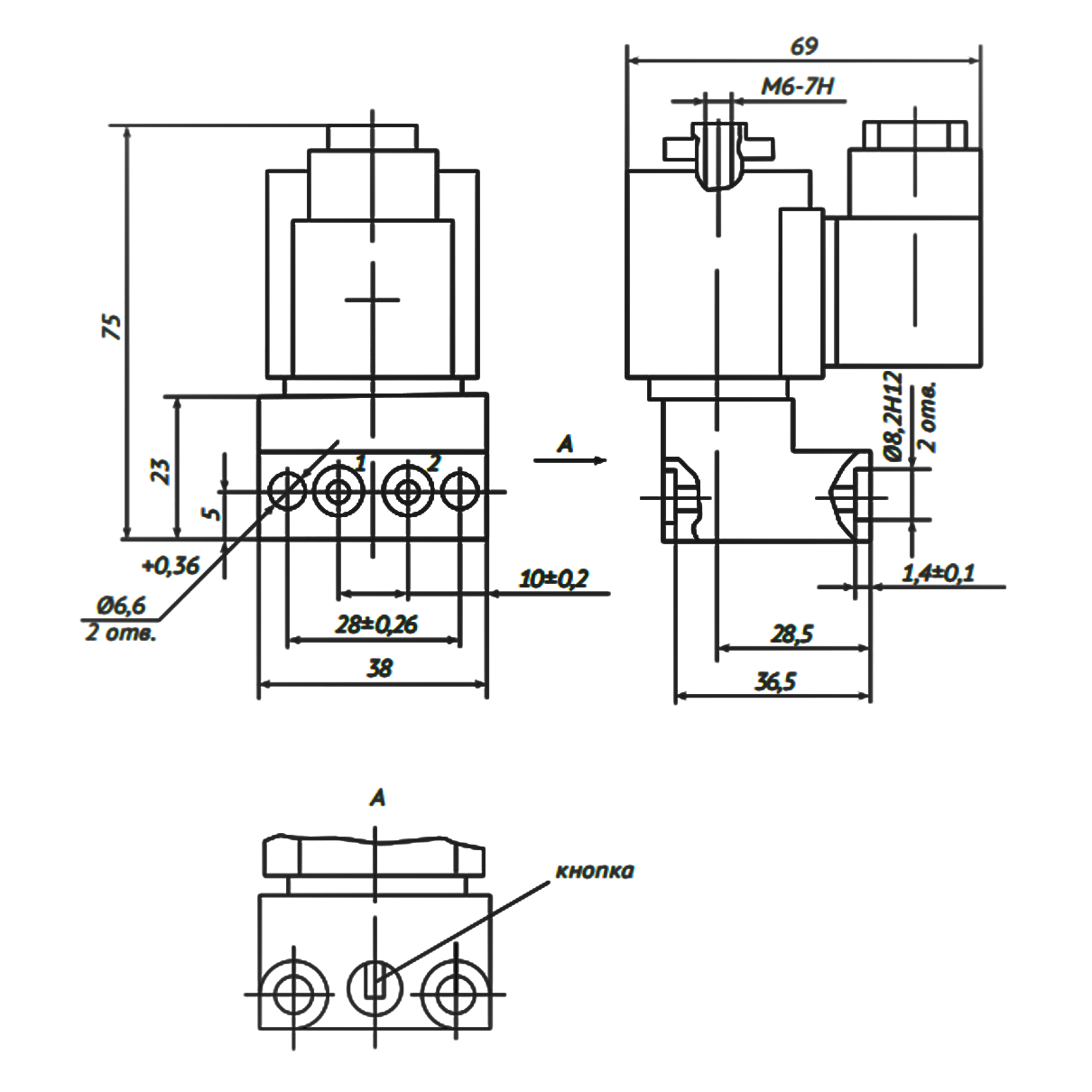
Размеры пневмораспределителей П-ЭПР3.6...
Схематичное изображение размеров пневмораспределителей П-ЭПР3.612, П-ЭПР3.615, П-ЭПР3.625, П-ЭПР3.626
Примеры для заказа:
П-ЭПР3.612 - пневмораспределитель с корпусным стыковым боковым с кнопочным ручным управлением, постоянный ток, 24В;
П-ЭПР3.615 - пневмораспределитель с корпусным стыковым боковым с кнопочным ручным управлением, постоянный ток, 110В;
П-ЭПР3.625 - пневмораспределитель с корпусным стыковым боковым с кнопочным ручным управлением, переменный ток с частотой 50 Гц, 110В;
П-ЭПР3.626 - пневмораспределитель с корпусным стыковым боковым с кнопочным ручным управлением, переменный ток 50 Гц, 220В;
