МКПВ-10/3С3Р3.24 - Гидроклапан предохранительный
МКПВ-10/3С3Р3.24 - Клапан предохранительный стыкового монтажа, ДУ=10мм, ном. давление 32 МПа, диапазон регулирования давления 5,0-35,0 МПа, ном. расход 80 л/мин, =24В
Описание МКПВ-10/3С3Р3.24 - Гидроклапан предохранительный
МКПВ-10/3С3Р3.24 - Гидроклапан предохранительный представляет собой клапан стыкового монтажа, имеющий условный проход 10 мм. Клапан настроен на номинальное давление 320 бар при расходе 80 л/мин. Его основное назначение заключается в защите гидросистем от превышения давления выше установленного значения, а также в поддержании этого параметра в заданных пределах. Данная модель может быть использована для задач дистанционной разгрузки гидравлических контуров. Управление работой клапана осуществляется посредством пилота модели ВЕ6.574А.Г24, рабочее напряжение которого составляет =24В.
Структура условного обозначения
| 1 | - | 2 | / | 3 | 4 | 5 | 6 | 7 | . | 8 |
|---|---|---|---|---|---|---|---|---|---|---|
| МКПВ | 10 | 3 | С | 3 | Р | 2 | 24 |
| 1 | Тип устройства |
МКПВ = предохранительный гидравлический клапан |
| 2 | Условный проход |
10 = 10 мм |
| 3 | Номинальное давление |
3 = 32 МПа |
| 4 | Исполнение по способу монтажа |
С = стыковой монтаж |
| 5 | Исполнение по типу управления |
3 = с электромагнитным управлением разгрузкой, нормально разгруженный
|
| 6 | Исполнение по виду регулировочного устройства |
Р = с рукояткой |
| 7 | Исполнение по номинальному давлению настройки |
1 = 10 МПа |
| 8 | Напряжение (для электромагнитного управления) |
Постоянный ток:
Переменный ток: |
Габаритные размеры

|
Модель |
B1 |
B2 |
L1 |
L2 |
L3 |
L4 |
L5 |
L6 |
L7 |
L8 |
L9 |
L10 |
L11 |
L12 |
L13 |
L14 |
D |
D1 |
D2 |
D3 |
|
МКПВ-10/3С |
78 |
54 |
98,5 |
91,5 |
67 |
54 |
23,5 |
149,3 |
0 |
22,1 |
47,5 |
14 |
159,7 |
22,1 |
20 |
5 |
12 |
6 |
M12 |
7 |
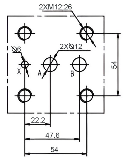
Присоединительные размеры
Основные параметры
| Ду, мм | 10 |
|
Модель пилотного клапана |
ВЕ6.574А.Г24 |
| Номинальное напряжение | =24В |
| Номинальный расход, л/мин | 80 |
| Управление разгрузкой клапана | Электромагнитное |
| Тип разгрузки клапана | Нормально-разгруженный |
| Диапазон настройки давления, бар | 50-350 |
| Номинальное давление настройки, бар | 320 |
Чтобы оплатить покупку в интернет-магазине достаточно добавить заинтересовавший вас товар в корзину и перейти на ее страницу. Далее останется заполнить контактную информацию и данные о доставке или возможности для самовывоза. Автоматически сформируется счет для оплаты.
Для подтверждения заказа с вами свяжется наш менеджер.
Подробнее о том, как оформить заказа, рассказали в разделе «Помощь».
Также оформить заказ можно напрямую по почте info@Tau-Rus.com, наши менеджеры оперативно ответят и помогут с подбором аналогов, если это необходимо.
Заказ, оформленный в интернет-магазине, вы можете получить двумя способами: через самовывоз с нашего склада или посредством услуг транспортной компании (на этапе оформления заказа вы можете выбрать наиболее удобный вариант и подходящую транспортную компанию).
Об условиях и возможностях доставки, рассказали в разделе «Помощь» - «Условия доставки».
