Гидрораспределитель 1РЕ6.574Е В110 НМД1Гидравлический распределитель (гидрораспределитель) 1РЕ 6.574Е — устройство, предназначенное для управления гидравлическими потоками в гидросистеме с помощью внешнего воздействия (сигнала).
Гидравлические распределители нашли широкое применение в машиностроении, металлургии, легкой промышленности и дорожно-строительной технике.
Гидрораспределители 1РЕ 6.574Е (схема распределения - 574Е) относятся к золотниковым гидравлическим распределителям с электромагнитным управлением, т.е. переключение положения золотника происходит с помощью управляющего элемента – электромагнита (привода электромагнитного).
Гидрораспределители работают на минеральных маслах с кинетической вязкостью от 10 до 400 мм²/с с номинальной тонкостью фильтрации не грубее 25 мкм.
Разрешается эксплуатация гидрораспределителей при температуре окружающей среды от -40 до +55°С.
Климатическое исполнение и категория размещения: УХЛ4, О4, ХЛ1 по ГОСТ 15150.
Гидрораспределители 1РЕ6.574Е являются аналогами гидрораспределителей ВЕ6.574Е и ПЕ6.574Е.
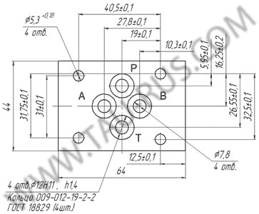
Габаритные и присоединительные размеры 1РЕ6 574Е (ПЕ6 574 Е)
Габаритные размеры![]() Присоединительные размеры
|
Характеристики гидрораспределителей 1РЕ6.574Е и ПЕ6.574Е
| Наименование параметра | Значение параметра | |
|
ПЕ6.574Е В110 ПЕ 6.574Е В220 ПЕ 6.574Е Г24 |
1РЕ6.574Е В110 1PЕ 6.574Е В220 1РЕ6.574Е Г24 |
|
| Условный проход, мм | 6 | |
| Расход рабочей жидкости, л/мин | 20-25 | |
| Номинальное давление на входе, МПа (кгс/см²) | 32 (320) | |
| Максимальное давление на выходе, МПа (кгс/см²) | 6 (60) | |
| Максимальное давление управления, МПа (кгс/см²) | 0,6-6,0 (6-60) | |
| Масса, кг | 1,6 | |
Таблица соответствия гидрораспределителей 1РЕ6, ВЕ6 и ПЕ6
| Гидрораспределители 1РЕ6 | Гидрораспределители ВЕ6, ПЕ6 (PE6) |
| Гидрораспределитель 1РЕ6 574Е Г12 (12В, пост. ток) | Гидрораспределитель ВЕ6 574Е Г12, ПЕ6 574Е Г12 |
| Гидрораспределитель 1РЕ6 574Е Г24 (24В, пост. ток) | Гидрораспределитель ВЕ6 574Е Г24, ПЕ6 574Е Г24 |
| Гидрораспределитель 1РЕ6 574Е Г48 (48В, пост. ток) | Гидрораспределитель ВЕ6 574Е Г48, ПЕ6 574Е Г48 |
| Гидрораспределитель 1РЕ6 574Е Г110 (110В, пост. ток) | Гидрораспределитель ВЕ6 574Е Г110, ПЕ6 574Е Г110 |
| Гидрораспределитель 1РЕ6 574Е Г220 (220В, пост. ток) | Гидрораспределитель ВЕ6 574Е Г220, ПЕ6 574Е Г220 |
| Гидрораспределитель 1РЕ6 574Е В24 (24В, перем. ток 50 Гц) | Гидрораспределитель ВЕ6 574Е В24, ПЕ6 574Е В24 |
| Гидрораспределитель 1РЕ6 574Е В36 (36В, перем. ток 50 Гц) | Гидрораспределитель ВЕ6 574Е В36, ПЕ6 574Е В36 |
| Гидрораспределитель 1РЕ6 574Е В110 (110В, перем. ток 50 Гц) | Гидрораспределитель ВЕ6 574Е В110, ПЕ6 574Е В110 |
| Гидрораспределитель 1РЕ6 574 Е В220 (220В, перем. ток 50 Гц) | Гидрораспределитель ВЕ6 574Е В220, ПЕ6 574Е В220 |
| Гидрораспределитель 1РЕ6 574Е В380 (380В, перем. ток 50 Гц) | Гидрораспределитель ВЕ6 574Е В380, ПЕ6 574Е В380 |
Пример условного обозначения гидравлического золотникового распределителя, со схемой распределения 574Е, управляемого электромагнитами от сети 24 вольта постоянного тока, для работы в умеренном климате:
- Гидрораспределитель 1РЕ 6.574Е Г24 НМ УХЛ4
- Гидрораспределитель ПЕ 6.574Е Г24 НМ УХЛ4
Структура условного обозначения гидрораспределителей типа 1р6 и 1р10 по ТУ2-053-1815-86

